(Last update:07/10/31)
![]() |
![]() |
| まずは全体配置を練る。 前面パネルに余裕が無く、VR が 1つ後面に追いやられることに ^^; |
特売電解コンが聳え立つ 電源と電源制御基板。 |
![]() |
![]() |
| 電源基板裏。PIC で パワー MOS FET を叩いて 電源供給をコントロール |
前後パネル面のケース加工終了。 セレクタ用スイッチ穴もぴったりと空いた |
![]() |
![]() |
| ケース底面 | 配線途中の図。この段階で 既にスパゲッティ状態(爆) |
![]() |
![]() |
| 深夜 3時前 ^^; に動作確認終了。 配線が見苦しいな・・・ orz |
完成! つまみ類は左から、サラウンドモード、 レベルメータ入力レベル、BASS、 TREBBLE、バランス、メインボリューム |
![]() |
![]() |
| 背面。つまみは ノイズリダクションのレベル設定 |
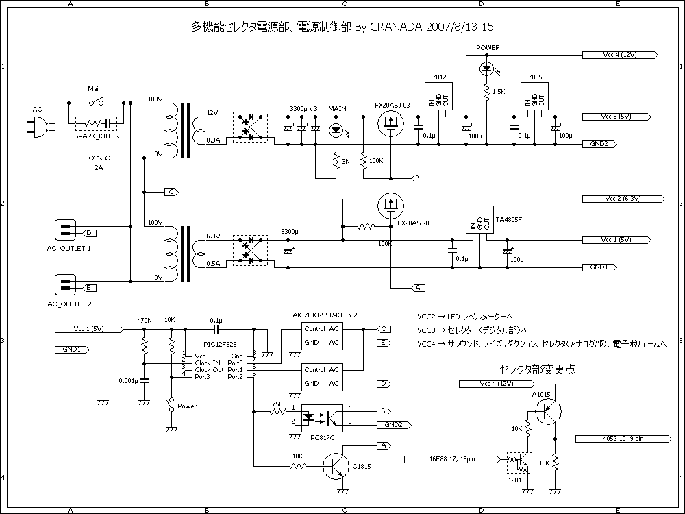
電源部回路図 |
![]() |
|
| 真空管アンプと組み合わせて使用中 | |
| 動作の様子 | |
きっかけ
真空管アンプキットを組み上げるにあたってセレクターが必要になった。しかしロータリースイッチ式のセレクタでは芸が無い。そこでずーっと以前から構想を暖めていた多機能なセレクターを作ることに。
そこでネットでネタを漁り、はたまた買ったまま死蔵してあったキット類を掘り出し(爆)、果ては
PIC ライタまで作って ようやく完成にこぎつけた。
全体構成
全体構成図はこちら。
1.PIC を利用した4入力2出力のセレクタ(入力はワンタッチ切り替え式)。元ネタはこちら
2.ノイズリダクションユニットを1系統に仕込む
3.電子ボリュームでメインボリューム、バランス、トーン、バスを調整可能とする
4.サランドモジュールを仕込む
5.10連レベルメーターを仕込む
6.電源制御は PIC でソフト制御
7.秋月の SSR キットを使い、PIC で遅延連動制御されたサービスコンセントを2系統設ける(真空管アンプを繋げる)
電子ボリュームは以前製作したデジタルアンプに採用した
TA7630P のキット品が売られていたのでそれを採用。サラウンドモジュールやノイズリダクションユニットも死蔵してあった秋月のキット品。レベルメーターは最近製作したものを、PIC
による電源制御部はデジタルアンプのミュート回路を若干変更したものを使用。よって今回新規に設計するのは電源部のみといったところか。
回路設計
今回のコンセプトは、ピュアオーディオを目指しているわけではないが、しかしそれなりに音質は落とさないように配慮したものを目指す方向。なんといってもこのセレクターの後段には真空管アンプが待っているのだから(ソレホドスゴクモナイケド)。
そんなわけで、さすがにスイッチング電源は使いたくなかったので、古式ゆかしく電源トランスを採用。平滑には
3300μ 50V の電解コン(秋月で 4個 100円 ! の特売品)を使用してみた。
トランスは全部で 12V 500mA 程度が必要なのだが、この容量を出せるトランスは今回のケースには入らない。そこで電気食いの
LED レベルメーターだけは別トランスで供給することにした。LED 側は負荷変動が激しいので、別トランスにしておけば音声処理側に影響を与えない利点もある。そこで今回は
12V 0.3A と 6.3V 0.5A のトランスを採用。このクラスでギリギリケースに収まった。
メインの電源は 12V (電子ボリューム、サラウンド部、ノイズリダクション部)、5V
(セレクター部)。これを常時 5V 供給された PIC から FET を叩いてコントロールする。3つの出力ポートのうち、1つは本体の電源コントロールに、残りの2つは
SSR キットを叩いて、遅延連動するサービスコンセントを設けることとした。これなら後段の真空管アンプも一括して電源管理ができる。
ケース加工
ケースは奮発してリードの EX-3204 (W320 x D230 x H40) を投入。ガンメタ色のスリムケースで見栄えはすこぶる良い・・・・のだが、大容量の電源トランスが入らず、トランスを複数設置せざるを得なくなったのは先にも述べた(爆)
それにしても今回のケース加工は面倒くさくて泣けた(マジ)。ただでさえ
RCA ジャックやボリューム類で穴が多いのに、基板が多いわ、それなりに正確な位置出しが必要な角穴が数箇所に
^^; 。まっとうな工作機械が無いとホントに泣けます。まぁ、この程度でナキが入るようじゃぁ、真空管アンプのシャーシ加工なんかした日にゃぁ悶絶死確実だな・・・。
ちなみに今回は新兵器としてステップドリルを投入。あぁ、これ楽だぁ @o@。大口径の穴が楽に綺麗に開く。今までリーマーでチマチマと穴を広げていたのが嘘のよう。値段が高いのがナニだが、工作好きなら1つはあってもモトは取れるかも。次は面取りカッターでも買っておこう。
とはいえ、新兵器を投入してもこの穴の多さには泣ける。電動ドリルを使ってはいるが、ボール盤が無いので微妙に位置ずれしてそのリカバリに時間がかかったり、角穴はハンドニブラ+現品合わせをしつつヤスリがけを余儀なくされるので、結局前面パネル加工に半日、後面パネル加工に半日、ケース底面加工に半日とケース加工だけでのべ3日もかかってしまった
@o@
製作のポイント
管理人は、前面パネルにはネジを見せない主義である。したがって、今回苦心したのはレベルメーター
LED とタクトスイッチの固定方法であった。とにかく、作品の顔となる前面パネルの加工をしくじると気分が思い切り凹むので、極力慎重に加工しなければならない。
レベルメーターはドライブ基板と直角にハンダ付けするため、ドライブ基板を底面に固定すれば自ずとその位置が決まる。しかしこの方法では
LED の位置の微調整ができないので、表示窓の穴とドライブ基板のネジ穴の位置を、それなりに正確に位置出ししなければならない(これをしくじると、バランスを取るためにどんどん
LED 用の穴を広げざるをえなくなる^^; )。そこで何度も現物合わせをしながら、なんとかうまく穴を空けることができた。
一方タクトスイッチは、前面にネジを出せば丈夫で確実に固定できるのだが、ここはエポキシ系接着剤と底面からのネジ止め併用で、何とか前面パネルのネジを回避
^^;。現物合わせをしながら、ほぼ完璧に穴を空けることができた。
配線作業
いつもの如く、思いっきりスパゲッティ状態(逝)。もっと手持ちにいろんなケーブルがあれば(10芯のフラットケーブルとか、細いシールド線とか)多少はマシになったかも
・・・ あと電子ボリュームとサランウンドユニットの基板配置がいつの間にか入れ替わってしまい、余計な線の引き回しが増えたのも要因か
・・・(最初のレイアウトでは正しく配置していたのに ・・・ 何故入れ替わったのか謎だ
・・・)。とにかく電源やらボリュームへの配線やら LED への配線やらが入り乱れてかなりカオスな状態。一応、1点アースを心がけ、最低限音声信号線はシールドしてあるせいか、変なノイズは乗っていないようなので結果オーライではあるのだが
・・・ ^^;
動作検証
結局組みあがったのは深夜 1:30 頃であったが、眠さなど微塵も感じずに動作確認を開始。3端子レギュレータのアースを繋ぎ忘れてセレクター部が動かなかったり、VR
の配線が一部逆だったり(ありがち)、レベルメーターの一部にイモハンダ(逝)があったりと、お約束のショートコントをはさみつつ、3時前にようやく最終動作を確認。変なノイズも入ることなく、無事動作してくれた。中でもサラウンドユニットはなかなか楽しめるので、深夜にもかかわらずしばらく音楽に聴き入ってしまった。
その後の改良等
サービスコンセントの連動遅延時間は当初1秒にしていたのだが、組み合わせた真空管アンプでは電源を切断しても10秒程度は音が出続けることから、電子ボリュームの断末魔を聞かずに済むよう
10秒に変更して PIC に焼きなおした。
また LED レベルメーターは当初 3 端子レギュレーターで 5V に降圧していたのだが、LED
をバリバリ点灯させているとレギュレーターが結構熱くなってしまうので、結局平滑後の電源をそのまま与えるよう変更。
それからサラウンドモードの切り替えにロータリースイッチを使ったのだが、うっかりとショーティングタイプを使ってしまい、モード切替時には電源が一瞬短絡するという恐ろしい事態に
^^; (どおりで切り替え時にすごい音がすると思った・・・って、もっと早く気付けよ
-> 俺)。あわてて VCC からのラインに 100K の抵抗をかまして解決。
また CD プレーヤーを繋いだところ、セレクタのアナログ回りの電源が 5V ではダイナミックレンジが狭く、音割れを起こしてしまったので、4052
およびオペアンプの電源電圧を 9V に変更した。ただしこれに伴い、5V Vcc の
PIC から 9V Vcc の 4052 を制御することになるため、PIC からは NPN, PNP のトランジスタ各1個で構成したクッションを介して
4052 をコントロールするよう変更。もちろん PIC のソフトウエアを変更して対処することも可能だが、他人様の書いたプログラムを理解してデバッグを完了するまで時間がかかりそうだったのでハードウエアで対処し、音割れを解消した。
応用例など
今回は遅延連動サービスコンセントを 2つ用意したが、場合によっては1つをミュート制御回路に変更するのもアリかもしれない。
最後に
というわけで、構想実に15年 (?) の大作がようやく完成までこぎつけた。製作途中で
PIC の使い方を覚えたこともあり、当初の構想よりも使い勝手の良いものが出来上がった。さて、次はいよいよ真空管アンプ(キット)を作らねば・・・。あぁ、時間がいくらあっても足りない
^^;
2007/10/31 追記
サラウンドユニットは電源が 9V でもまだダイナミックレンジが不足するようで、ごく一部の
CD で音割が発生した。そこで電源を 12V に変更することに。平滑後の電圧を測ってみると、16V程度あったので、特に低ドロップタイプにする必要もないため、7809
を 7812 に交換して問題解決。