回路図
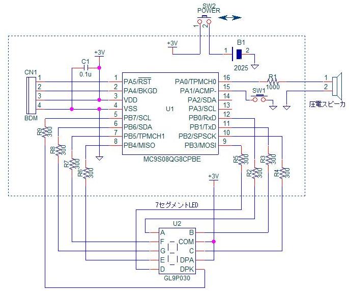
以下に回路図を示します。BDMコネクタはスペースが無いので1列4ピンのピンヘッダを使用します。そのままではケースに当たるので、カットします。
圧電スピーカには直列に1kΩの抵抗を入れます。
【7セグメントLED】
LEDの端子は2列で合計10本です。下図のようにA〜Gまで各LEDのカソードが端子として出ています。COMはアノードでA〜G LED共通です。DPAはドットLEDのアノード、DPKはドットのカソードです。直列抵抗は300ΩでLEDの順方向電圧を1.5Vとすると1.5V/300Ω=5mAとなります。LEDの明るさの調整はマイコンで点灯時間を制御して行います。

【圧電スピーカ】
圧電スピーカには二本のリード線が付いています。赤を1kΩ、黒はGNDに接続します。電圧をかけると板が変形するので音が出ます。
