ホーム > 家族のギャラリー > PIC電子工作 > amazonフラッシャ

2019.1.14

amazonフラッシャ

amazonロゴの矢印が流れるフラッシャを作ってみました。

動画をアップしたら意外と好評だったので回路・プログラムを公開します。

どんなものかまずは動画を見て頂いた方がよいかと思います。動作の様子は1分25秒位から


amazonフラッシャ

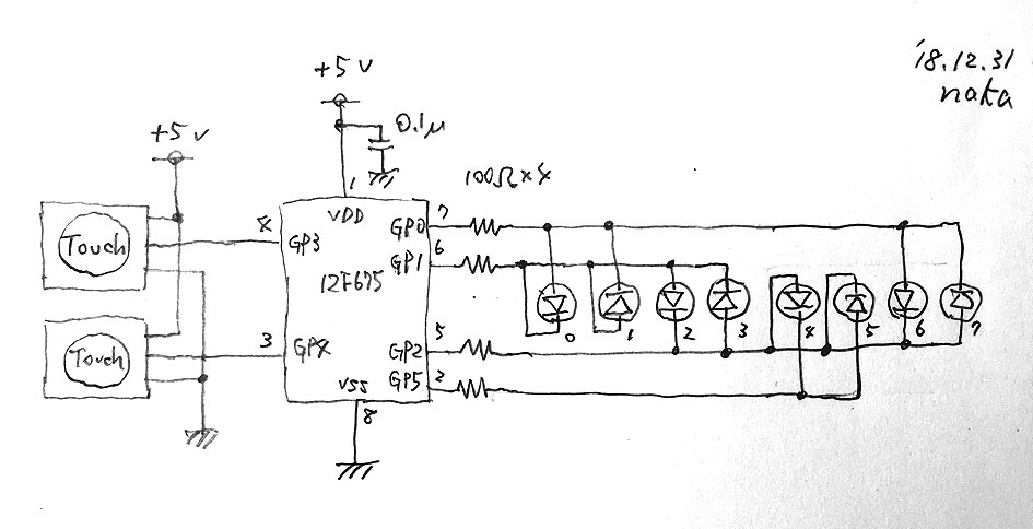
回路図

PICは手元にあった8ピンのPIC12F675、4ピンで8個のLEDをダイナミック点灯、2ピンをタッチセンサ−に繋ぐ。クロックはPICの内蔵発振4MHz(回路図拡大図)。

100Ω抵抗は、LEDの輝度に合わせて適宜選択。ダイナミック点灯のデューティ1/8(12.5%)なので、スタティック点灯時に多少明るいくらいがよい。

電源はUSB出力のモバイルバッテリを利用している。回路図にないが、LEDをダイナミック点灯するので念のために電源/GND間に電解コンデンサ200uF,10Vをつけた。

amazonフラッシャ

タッチセンサ

タッチセンサモジュールは静電容量式のTPP223というもの。10個繋がっているが、基板にVカット加工がされているので簡単に折れる。

今回、Aliexpressで10個 US$0.9という安いショップを見つけて購入した(でも送料が300円強かかる)。ショップによって値段がかなり違うので色々と探した方がよい。日本のアマゾンでも5個\360(送料無料)で売られていた。


amazonフラッシャ

タッチセンサ拡大

基板上のA,Bランドのオープン、ショートで動作モードを変えることができる。今回は、A,Bともにオープン(購入時)で使用する。

待機時の電流は10uA(電源5V時)、アクティブ時は2.5mA(モジュールに載っているLEDが殆ど消費していると思う)。

動作モードの備忘録。
  A:open,  B:open   モーメンタリ、Active High
  A:open,  B:close  モーメンタリ、Active Low
  A:close, B:open   オルタネート、Active High
  A:close, B:close  オルタネート、Active Low

amazonフラッシャ

デバッグ

PICはソケット実装とし、プログラマ(PICKIT2)で書き込んでから挿してデバッグ。

プログラム

LEDの光り方は以前作ったUSBバスパワーインジケータと同じ。

【LEDの光り方】
    3個のLEDが点灯していくが、先頭は明るく、順次半分の明るさになって流れる。
    ソフトウェアでPWM制御を行っている。

     LED 0 1 2 3 4 5 6 7
         ・▲●○○○○○
          →流れる方向

      ●明るい(デューティ1/8)
      ▲中間  (   〃     1/16)
      ・暗い  (   〃     1/32)

【流す方向・速度】
    2つのタッチセンサのどちらが先にオンになるかで流す方向を決める。
    また、2つのタッチセンサがオンになる時間差をみて、流す速度を決める。
    約330ミリ秒以上の差があった場合には流れない。

アセンブラソースコードHEXファイルです。バグがあるかもしれません、無保証です。著作権は留保しますが、改変などご自由にどうぞ。

amazonフラッシャ

ケース

アマゾンの空き箱から展開図を切り出して、矢印マークのところにLEDを出す8個の穴を開ける。

amazonフラッシャ

組み立て

LEDはホットボンド、基板やタッチセンサはマスキングテープで適当に留め、箱はのりしろ部分に両面テープを貼って組み立てる。

モバイルバッテリも中に入れる。

amazonフラッシャ

完成


以上


from Metal Woods(c) 2019