 ホーム >
DIYの記録 >
青色LEDデジタル時計
 ホーム >
DIYの記録 >
青色LEDデジタル時計
青色LEDデジタル時計 (2008.12〜2009.1)  (2009.1.18掲載)
(2009.1.18掲載)子供部屋に壁掛け時計をつけたいと思って探していたが、なかなかよいものが見つからない。そこでシンプルなデザインで、夜中に寝ぼけまなこでも読める大きな表示のものを自作することにした。
今どき、時計は自作するより買ってきた方が安上がりだし高精度な電波時計もあるので、作る楽しみのためのDIYだ。それでも月差数秒以内の高精度な時計を目指す。
頭の中で構想を練って、ペーパークラフト、木工工作、電子工作、プログラムで実現することにした。

ペーパークラフト
まずはペーパークラフトから着手。厚紙、カッティングマットなどを100円ショップで調達。

ルーバー
LED間の光を区切るためのルーバーを作る。厚紙を細長く切って、25ミリ間隔でスリットを入れる。この作業が一番大変。
7セグの表示は安っぽくてイマイチなので、一文字が3×5セルのフォントで表示する。数字1桁が75×125ミリと結構大きくなる。
実はルーバーのセル数を勘違いして1度目に作った物は失敗。写真は2度目のもの。途中、カッターを押さえる人差し指も痛くなり、この作業に2日かかった。

LED台紙
LEDを取り付けるための台紙。強度を出すために厚紙2枚を重ねて接着したが、まだ弱い感じ。
5ミリの木工用ドリルでLEDを差し込む穴を開ける。

ルーバーを組む
スリットを入れた厚紙を格子状に組み立て、ルーバーを作る。
写真はLEDを挿す台紙に載せてみたところ。

ルーバー塗装
強度をだすためと、光の反射をよくするために白ペイントをスプレーする。

台紙塗装
台紙も同様にスプレーする。

木工
ホームセンタでラワンの細長い板材・角材、3ミリ厚のベニア板を調達。ベニア板は半端品を50円でゲット。
写真はラワン材でフレームを作ったところ。

桟木取り付け
ルーバーの高さに合わせて、フレームに細い角材で桟木を取り付ける。

裏蓋
ベニア板で裏蓋を作る。
フレームへの取り付け用の穴、基板取り付け穴、完成後に壁に取り付けるための穴などを開けた。その後、木くずがでないようにクリアラッカーを軽くスプレーした。

フレームとルーバー
フレームの内側にLED台紙、ルーバーが収まる構造。
フレームの内側に取り付けた桟木の表側に台紙を取り付け、その上にルーバーを載せる。桟木の裏側には裏蓋を取り付ける。

フレーム塗装
白スプレーでフレームを塗装。ラワン材で導管が少し目立ったので、事前に白い砥の粉で目止めをした。
ひとまず、ペーパークラフトと木工作業は完了。ここまでの作業が結構かかった。
いよいよ電子工作とプログラミングに着手。

回路
回路を考えて部品を秋月で調達。制御はPIC16F873Aマイコン。時計の精度を左右する発振部は誤差が数ppm/年という京セラのモジュール(200円)を使った。
他の特徴として、部屋の明るさに応じてLEDの明るさを自動調整(5段階)する機能と、停電(瞬断)時のバックアップ機能を備えている。
バックアップ電源は1Fの電気二重層キャパシタで、停電時にはLEDの発光を止めて省電力動作。完成後にチェックしたら10〜15分程度は大丈夫そう。

青色発光ダイオード
LEDは数字一桁に3x5=15個、4桁で60個、さらにコロンマークに2個使うので、計62個の超高輝度青色発光ダイオード。100mAも流せて9,000mcdと明るい。広角60度タイプ。10個で一袋なので7袋購入(2,800円)。
写真は台紙に取り付けた後の配線のために足を折り曲げたところ。

台紙へ取り付け
台紙の裏からLEDを差し込んでいく。

マトリックス配線
LEDをマトリックス状に配線する。縦の配線はLEDのリードが丁度届く長さ。横方向は絶縁のためにコードで配線。
配線を終えて全てのLEDが問題なく発光することを確認後、LEDをセメダインCで接着した。

基板
大きなトランジスタ(13個)は、マトリックスLEDの各列をアクティブにするもの。1列で最大(5個点灯時) 250mA程度なので、こんなに大きなトランジスタは不要だったが秋月で安かったのでこれにした。
トランジスタの下の細長いソケットがPICが刺さるところ。右下の銀色に光っているのが発振モジュール。
まだ電気二重層キャパシタは取り付けていない。

マトリックスLED全景と基板
マトリックスLEDの台紙と基板間は20ピンのコネクタで接続。
LEDが縦横で5+13=18ピン、明るさセンス用のCDSに2ピンの計20ピン。

マトリックスLED表側
表側の様子。光ってないと味気ない。

プログラムを作る
PICのプログラムを書き、デバッグする。LEDを直接見ると眩しくて目を痛めるのでLEDの上にA4のプリンタ用紙を置いてある。
列毎にダイナミック点灯するが320usで割り込みが入る都合で、LED1列の最小発光幅が320us、最大が4倍の1.28ms。1.28ms/列 * 13列 = 60Hz で発光する。これ以上長くすると1面の発光時間が60Hz以下になり、チラチラしてしまう。
明るさは、1列の発光時間を320us、640us、960us、1,280usの4段階とすることで調整(するつもりだった)。

フレームに取り付け
マトリックスLED台紙をフレームに取り付けてデバッグ中。まだルーバーは入れずに、プリンタ用紙を載せてあるだけ。
部屋の明るさに応じてLEDの発光強度(発光パルス幅)を変えるテストを行ったら、当初考えていた4段階では就寝時に明るすぎた。そこで1回の割り込みの中で点灯・消灯を行う(20us)レベルを追加して5段階にしてみた。
明るさのセンスは2秒毎にPICのA/D変換でCDSの電圧を測定して明るさに変換。

基板完成
デバッグを完了し、電気二重層キャパシタ(右側の丸いもの)を取り付けて完成。停電し、電圧が下がってくるとPICより先に発振モジュールが止まる(10〜15分位)。PICはその後も30分位はレジスタ状態を覚えている。
PICの左側の8ピンソケットは、途中で設計を変更した都合で残ったもの。

ガンプラ・ランナー
ゴミ箱に落ちていた子供のガンプラのランナーから切り出した、タクトスイッチの延長ノブ。

タクトスイッチ延長
裏蓋のベニア板を突き抜けて、時刻設定の操作ができるようにエポキシ接着剤でスイッチノブを延長したところ。

ルーバー取り付け
各パーツが出来上がったので、いよいよ組み立てに入る。
ここまで長かった。年末年始の休みで終わらず(色々と用事もあったため)、成人の日の三連休でここまできた。

表示テスト
ルーバーを入れて初めての表示テスト。結構綺麗に表示されることを確認し、一安心。

光拡散のテスト
LEDの光を映すスクリーンを試してみたら、障子紙がいい感じだったのでこれを貼ることにした。日本古来の建築文化の力を再発見(おおげさ)。
写真は障子紙の上に、100円ショップで購入した白色半透明のポリプロピレン板を載せてみたところ。拡散は障子紙だけで大丈夫そうだったが、障子紙が破れないように貼ることにした。

障子貼り
というわけで、年末の障子貼りで使った糊と刷毛が再登場。

障子紙での拡散
障子紙を貼り終わって、表示のテストをしている様子。結構いい感じ。

ポリプロピレンシートを貼る
ポリプロピレン板をカットし、両面テープで貼り付けた。
表側の工作はこれで完了。

明るさセンサ
部屋の明るさを調べるCDSはコロンの下のセルにある。写真はそこを100円硬貨で覆ってみたところ。一番暗いモードで表示中。
デジカメの露出補正が働いてしまうので、明るく映っているが実際には結構暗い。それでも夜中にナツメ球だけの部屋でみるには十分な明るさ。

基板取り付け
裏蓋のベニア板にスペーサを使って基板を取り付ける。

完成、裏面全景
真ん中に壁への取り付け穴を開けた。電源コードは東急ハンズで見つけたチャイム用コードを使った。
電源は、携帯電話の充電器を再利用。LED一個あたり最大で50mAで、1列5個の250mA程度なので、携帯電話充電器の定格0.5A内に十分収まる。最大で0.25A×5V=1.25Wの消費電力。テレビやビデオの待機電力より少ない。

時刻設定スイッチ
タクトスイッチの延長ノブは、写真のように裏側にでる。
黄色が時刻設定モードスイッチで、これを押すことで各桁の設定ができる。
黒色(ダークグリーン)が各桁のインクリメント、兼00秒へのアジャストスイッチ。 時刻設定モードに入っているときはインクリメントし、通常はアジャストスイッチとして動作する。

デジタル時計完成
これで一応完成。時計の精度を確認するために、机の上で1週間ほど動かしてみた。 部屋の明るさの変化に過敏に反応するようだったので、明るさ測定のプログラムを見直した。
精度は1週間でほとんどずれなかったので、月差1秒以内だと思う。気温にもよるかもしれない

設置
部屋のドアの上に取り付けた様子。子供から非常口のサインのようだとの指摘。
電源コードはドアの枠に沿わせて配線したのでそれほど目立たない。

取り付けの様子
壁にコーススレッドをねじ込み(石膏ボードの裏に桟木があった)、時計の裏蓋に開けた穴に引っかけてドアの枠に載せるように取り付けて安定させている。

夜中の様子
夜、真っ暗な中での様子。
目が暗闇に慣れると常夜灯のナツメ球がなくても部屋の様子がわかる。子供からは、夜はコロンの点滅がないほうがよいとの意見。そのうち見直すかも。
青色LEDデジタル時計諸元 表示形式 24時間表示、HH:MM (コロン点滅) 精度 月差1秒以内 明るさ調整 5段階自動調整 バックアップ 10分〜15分程度(停電時LED消灯) 全体サイズ 幅475×高さ175×奥行き60ミリ 数字サイズ 一桁あたり幅75×高さ125ミリ 消費電力 最大1.25W (5V ACアダプタ) 諸元
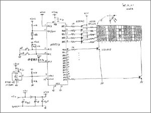
回路図と、プログラムソースです。いずれも無保証です。バグがあるかもしれません。
材料費は6〜7千円くらい。一番高かったのが高輝度青色LED(2,800円)。市販の時計でも青色LED時計は意外と高いので、材料費だけで比べると価格的に大差なくできた。

Copyright (C) from Metal Woods 2008