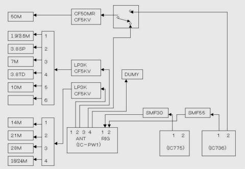
無線装置結線図

 無線機は2台で、IC775をHF用に、IC736を50Mhz用とした。
 アンテナは、従来から3系列としており、それぞれにローパスフィルター(LPF)
とコモンフィルターを入れ(CMF)無線機とリニアアンプの間にもLPFを入れた。