リターンロスブリッジ(リフレクションブリッジ、SWRブリッジ)の製作
(10.7.19〜 更新10.11.20) リターンロスブリッジ考追加(10.10.13)/(10.10.31追記)
新リターンロスブリッジ追加(10.1.9)/(11.1.9追記)
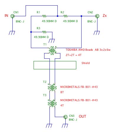
おじさん工房APB-1キットでインピーダンスを測定するため、リターンロスブリッジ(RLB、アドバンテストなどは「リフレクションブリッジ」、ほかVSWR(SWR/(電圧)定在波比)ブリッジと呼ぶ場合もある)を作成した。
”測定器大好きおじさん”氏の案で、トランスのコアを一部東芝アモビーズにした。アモビーズは低周波のインピーダンスが高い。高周波のカットの為に作られた製品の逆利用。鈴商で購入した、AB 3x2x6w。二個、バイファイラで2T、つまり4T相当。トランスにする。バラン(L)とはしない。これで低域のアイソレーションが確保できる。
高周波のアイソレーションのためのバランはアミドン(メーカー:MICROMETALS)のFB-801-#43のフェライトビーズを使った。ラジオデパート3F、斉藤電気商会で購入。散々いろいろやったあげく、二個使い、8T+4Tバイファイラ巻きとした。4Tの2個目のバランのコアに関して、#43材のトロイダルコアや入手難のTDK K7A材トロイダルコアを試してみたが、大差ない。また、8Tまで増やしても大差なかった。2個目バランを入れると数dBのアイソレーションの改善がある。
ネット上製作例には、バランで高周波アイソレーションを取ったあと、アモビーズトランスを付ける形(私の製作例と順番が逆)のものもあったが、実際にやってみると、どちらでも特性は大差ない。
このアモビーズトランスとLの間でシールド番を立てると、3dB程度アイソレーションが回復する。
コネクタ−基板間のホット側のケーブルは太めにする。私は手元にあった、1.5C-2Wの二重シールドを取り出して使用した。
1.5C-2Wとは75Ω系の同軸ケーブルで二重シールドのもの。最後に"W"がつくと、二重シールドで写真のようにシールドが2重になっていて、GNDのインピーダンスが低い特徴がある。3D-2Wだったら50Ω系二重シールド。
(二重同軸(トライアキシャル)とは別。二重同軸は二つのシールド間に絶縁物が入っている。)
抵抗は49.9Ω(E-96)1/8Wのチップが手持ちにあったので用いた。
以下に最終回路と特性を示す。
ブリッジ構成を他のと同じ49.9Ωの抵抗を測定したデータ。高域で若干値が大きめになっているが、まぁまぁか。
一部のサイトで報告のある、トリファイラ巻き強制バランを使用すると、確かにアイソレーションが取れるが、特性が暴れてしまう。
図2 不採用回路(強制バラン) グラフ3 強制バランタイプのアイソレーション特性
グラフ4 図1と図2(TRI)で同じニッセイ電機フィルムコンAPS0.1μFを測定した結果
強制バランで測定したフィルムコンデンサ(ニッセイ電機・倦回タイプ APS 0.1μF)。ピーク周波数が違うのは、足の長さが違うためL成分の違いにより、自己共振周波数が変化したため。ピークの違いではなくて、TRIの方の測定値が暴れている点を見てください。。
--(10.10.31追記)--
トリファイラ巻き強制バランについて、どうも私の回路(図2)の回路は間違えのようで、真ん中のコイルの巻始めと巻き終わりを逆にしなければ正解ではないようですので訂正します。がしかし、それでもネット上の作例の特性は抵抗を未調整では-70dB等は実現しないと思うので、やはりこの強制バランの使用は疑問が残ります。
----------------------------
BNCショートキャップは、POMONA 5085。秋葉原で買うと1個1000円以上するが、以前他の用途でデジキーで秋葉原よりかなり安い値段だ買って置いたもの。値段は忘れたが、ショートじゃないキャップと大差ない値段。
ケースはタカチのアルミダイキャスト、TD5-8-2N。コネクタはDDKのBNC-R。
そもそも、これはブリッジである。図1でいえば、R1,R3、およびR2と被測定インピーダンスZxにつないだ抵抗Rxとがバランスし、ノーマルモードでの出力が0になるようになる。コモンモードの信号はバイファイラ巻のコアで取り除く。
すると、R1=R3であることがまず重要。これがたとえば±1%の誤差の抵抗を使った場合、最大2%ずれるので、最大でレベルが34dB相当の誤差となるので、いくら50Ωのアイソレーションをとっても、Rxの50ΩとR2とが完全にバランスし一致していたとしても(誤差0%)、34dB以上は取れないことがあり得る。今回、Dランクの抵抗を使った。これは±0.5%。つまりたかだか前者の半分の最大±1%。つまり40dB以上は取れないことがあり得る。
今回のグラフ1は53dBくらいのアイソレーションが取れているが、じつはインサーションロスが10dBくらいあるので、その分考慮し43dB。しかもR1,R3の誤差だけでなく、Rxに使った49.9ΩとR2との誤差も含まれる。しかし、今回の抵抗がDランク、また抵抗の誤差は最大誤差となることはまれ、ということを考えるとこれだけでそこそこ良いアイソレーションが実現していると言える。
では、図2でも実験したが、強制バランを用いた製作例がネット上にあり、70dBものアイソレーションが実現しているが、これはいったい何??抵抗の微調整なくして70dBはとてもとても考えにくい。
RxとR2にきちんとペアのものを選び(70dBだと±0.015%以下のばらつきに収める)、R1,R3も同様にペアを選ぶか、または、こちらは、ボリュームでR1=R3に調整するという手がある。そうすれば70dBは実現するのだと思う。
------
それと、トランスについて。今回アモビーズでトランスによるアイソレーションを追加した。ネット上、あるいは「トロイダル・コア活用百科」(山村英穂著、CQ出版社)等のRLB回路をみると、バランコイルのあとに片側がGNDに落ちていて、そのGNDはブリッジ入力のGNDと繋がっている。つまり、もともとこの書籍の例だと、DCレベルではブリッジになっていない!。この例はあくまで高周波用回路例なのだ。(「改訂・高周波回路設計のノウハウ」(吉田武著・CQ出版社)のRLB回路では、入力信号のGNDと出力信号のGNDは接続されておらず、DCから使えるはずである。)
-- (10.10.24追記)--
グラフ1で抵抗の調整無しで低域で-70dBくらいのデータを示しているが、この要因はアモビーズトランスにより低域がノーマルモードで減衰してしまっていることによるものと考えられる。
---------------------------
アモビーズ以外試していないがDCレベルをアイソレーションするのにトランスを入れること自体は、低周波特性を上げる上で正解であろう。ひょっとするとアモビーズじゃなくても結構よいのではないか?いや、ここにカップリングコンデンサを入れては?等、いろいろアイディアが浮かんできた。
そう、低周波用のリターンロスブリッジは、半導体の力を借りて作ることも可能であろう・・・・
オーディオが趣味なのに、こんな事にだんだんはまってきてしまった・・・・(笑)。機会があったらいろいろと実験してみる。低周波特性が良くなれば、とても大きな容量のCも低周波までならAPB-1で測定できるであろう。。。。
-- (10.10.31追記)--
アモビーズトランスについて、DCレベルのアイソレーションに有効であるが、ノーマルモード(通常の取り出す信号ルート)伝達特性の低域特性がよろしくない。これだと、低周波では50kHz以下はダメだと思う。できたら数kHz以下からの特性を見たい。

グラフ5 アモビーズトランス(図1の回路参照)単体の伝達特性 入出力とも50Ω。
ついでに、ほかの伝達特性も測定してみた。

グラフ6 バイファイラ巻バランコイル FB-801-#43 5T 伝達特性
なかなか良好な特性。ただ、これはそのままリターンロスブリッジに使うと低周波のCMRR特性が悪くなる。

グラフ7 図2の間違ったトリファイラ巻き強制バラン(強制バラン部のみ) FB-801-#43 7T 伝達特性
インサーションロスが大きい。

グラフ8 図2のトリファイラ巻き強制バランを修正、真ん中のコイルを逆に接続したもの(強制バラン部のみ)
高域でのインサーションロスは減ったが,低域は相変わらず。

グラフ9 アモビーズトランス+トリファイラ強制バラン(修正)
おお、低域から高域まで比較的良い特性。ノーマルモード信号はなかなかよいのかな?

グラフ10 バイファイラ巻バランコイル FB-801-#43 5T + アモビーズトランス
ほとんどグラフ9と同じ。グラフ6よりは悪くなる。
これらのデータから、低周波(数kHz以下)からインサーションロス無くノーマルモードで伝送するにはやはりトランスでは限界がありそうだ。
こんなのどうでしょう?まだ回路は明かしませんが、50Ω抵抗を付けたときのVNAのグラフ。

抵抗を微調整することで低域は簡単に-60dBを切ることができる。

低周波数帯域特性も良い。実は1kHzくらいからきちんと測定できる。
上記から、またちょっと改造し、いろいろやって、こういうのに落ち着いた。二つあるのは、オープン(無負荷)特性と、50Ωを付けたときの特性である。回路は伏せておく。
30MHzまでの伝達特性、高域で若干CMRR(50Ω負荷時アイソレーション)悪くなってる。
しかし、低域〜1MHzでほぼ-80dBを切っている。調整で追い込んでいる。
100Hz以下を拡大すると、だいたい25〜30Hz以下は精度が悪い。この低域の盛り上がりはレゾリューションバンド幅(RBW)12Hzに起因するものであろう。これをもっと狭い帯域にしてやれば(たとえば1Hz)、もっと低い周波数まで測定可能と思われる。
50Ωをインピーダンスアナライザで測定してみた。10MHz以上では、高域のCMRRがわるいせいか、ちょっと荒れている。。。キャリブレーションのやりかた等にもよるかもしれないが、±1Ω以下なので、この程度の測定器としては十分に許容範囲の性能と判断する。