fujiwara氏 
ADC-PCM1804ボード利用 金田式ADC

with WordSyncPLL (AC電源仕様)

  (09.07.05〜 09.11.16更新)


 自作のAKM系のADCが既に2台稼働中だが、金田氏のADC発表に触発?され、かつfujiwara氏の基板を既に購入しており(ディジタル部分は金田氏の回路とほぼ同じ)、これを利用して金田氏の回路を組み込むこととした。

 今回の設計方針としては

1.WordSync入力をつけ、既にあるWordSync出力付きADCとつないで4CH同時録音を可能とする
2.アナログ部分は金田氏の回路を使うが、フィルタについては入れる
3.ディジタル基板はfujiwara氏のを流用、不要部分をカットする
4.サンプリング周波数は44.1k,96k,192kの三種
5.AC電源仕様、入力にはカップリグコン(ここらは私の知人が使用するための仕様)

 で、できるだけ小さく納めることを目標とする。ケースはタカチのUS-200H。

 

1.入力バッファの検討

 入力のバッファアンプは,基本は金田氏のものを使用する。以前に近況のページに書いたように、いくつか疑問点がある。まず、金田氏はあのフィルタを2次バタワースで計算でfoやQが求まることをご存じないご様子。適当な回路ではない。ネット上の報告でも、ADCの差動入力間にCを入れるとひずみが減るとか、ある。元々、ADC、PCM1804のデータシートにはここに0.1μFのコンデンサを入れるように書いてある。これは無視するわけにはいかない。

 もう一つの疑問点は、このような出力にエミッタフォロワなどが入っていない、出力インピーダンスが高い差動回路は実は±の帰還ループの抵抗値をそろえると、インピーダンスの側面からアンバランスになることが判っている。これも近況のページに書いたとおり。帰還ループのインピーダンスを±で一致させると、金田氏が追加しているバランス抵抗は不要となる。また、出力インピーダンスを下げると、これもバランス抵抗が不要となる。

 ただし、フィルタを入れるとなると、差動のフィルタなので絶対に帰還抵抗の値を一致させておかねばならないので、必然的に金田氏と同様のバランス抵抗を挿入するか、もしくは出力にエミッタフォロワを追加するか、になる。

 シミュレーションしてみたが、出力インピーダンスが高いので、なかなかQの高いフィルタを作ることができず、エミッタフォロワを入れたくなる。しかしケースのスペースがきついので、エミッタフォロワも入れたくない。

 シミュレーション結果から、Qが低くなで肩特性になるが、とりあえず金田氏の回路と全く同じ回路にフィルタを追加することとした。

 シミュレーションの様子は以下に示す。

 シミュレーションでは、帰還抵抗にパラに680pF、差動の±出力間に0.047μFという値となった。アンプの出力インピーダンスが高いので、アンプの出力にRを挿入することはあまり意味がなかった。

 その特性が↑だた、かなりなで肩、カットオフが約85kHzである。これ以下に下げると、可聴周波数上限の20kHzでのレベル低下が増大する。なで肩とはいえ、高域ではおおよそ-12.5dB/octと2次のフィルタの特性を示している。

 実際に作って測定してみた結果を以下に示す。LRともほぼ同等なのでLchのみ示す。0.6Vpp出力の時の特性である。倍(1.2Vpp)のレベルでは、150kHz辺りからスルーレートに引っかかってしまうのでこのレベルで測定した。スルーレートはさほど問題がないと思われる。

 

 差動の周波数特性である。前段の反転バッファ込み。実際のカットオフ周波数は、110〜120kHz辺りである。シミュレーション通りには行かない。20kHzまではフラットである。問題がないと思われる。この値で使用することとする。

 (しかし、MS-Excelは、バージョンが上がる毎にエンジニアにとって使いにくいソフトになっていく。グラフ機能がたへん使いにくい。なんとかしてほしい。)

 

 ■安定度
 以前から似たような差動アンプを作っていたが、対GNDの同相DCレベルの安定度が悪い。今回作って実験してみて、まぁまぁの同相DCレベルの安定度であった。見ていても数mVくらいが変動するのみである。この性能の要因は対GNDでのオープンループ・ゲインの低さにあった。電流出力の回路に対GNDで1kΩ程度付けている。オープンループ・ゲインが低ければ、そりゃ、安定する。したがってこの回路では安定化回路を別途取り付ける必要がなかった。


 

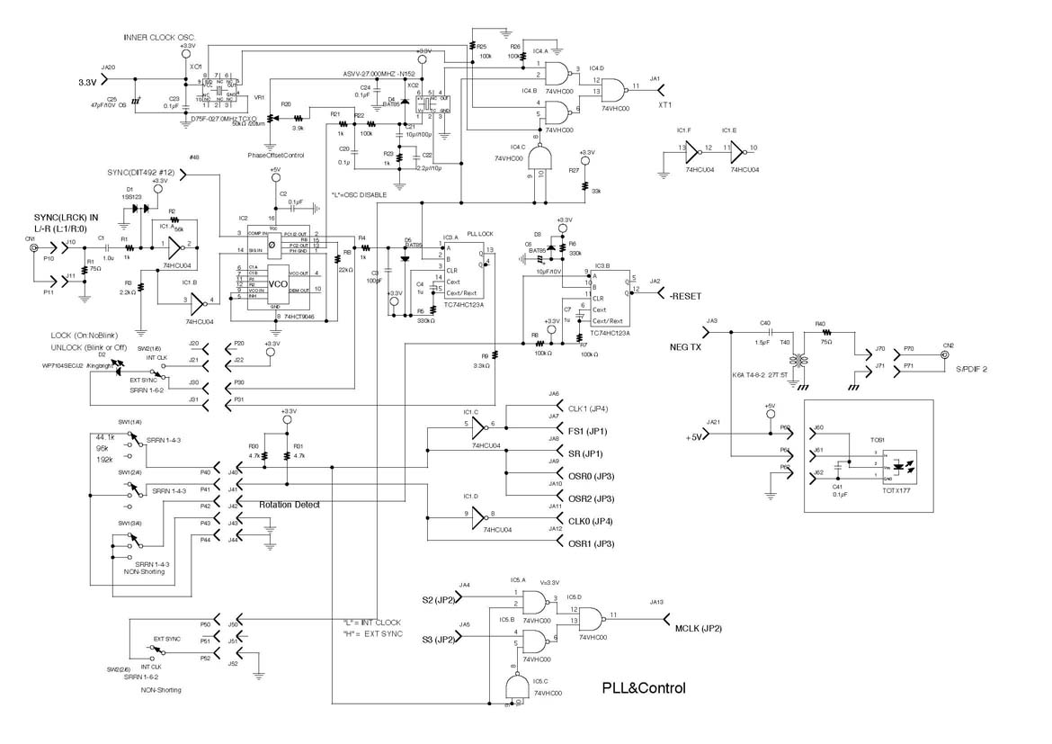
2.PLL回路

 これが今回の製作においてもっとも大きなキーポイントである。

 ADCのL/Rクロック(DITのSYNC)と、外部から入ってくるSYNC信号とをフェーズ・ディテクタで比較検出して、出力にループフィルタを入れて、27MHzのVCXOの周波数をコントロールする。その出力がPLL1707に入る。つまり、PLL1707のPLLと併せ、『二重PLL』となる。
 気をつけるのは、L/Rクロックは、データフォーマットによって、Lが"0"の場合とLが"1"の場合とがあるので合わせる必要がある。先に製作したADCのL/RクロックがL="1"なので、今回もそれに合わせておく。具体的にはデータフォーマットをLeftJustifiedにして、SYNCには入力から同相となるようにする。

 ■ループフィルタ
 これがひとつのポイントなのだが、ジッターメーターや位相ノイズ測定器を持ち合わせていない当方としては、歯がゆいばかりだが、できるだけ定数を大きめにしておく。100kΩ+10μF+(1kΩ//2.2μF)とした。もっと大きくても良いかもしれない、使ったのは積層セラミックである。フィルムではさすがに大きすぎる。
 ループフィルタの直前に高周波カットフィルタとDCを加算する回路を設ける。高周波カットフィルタは、ロジックのエッジを取り除く。できたらLCフィルタにしたいところ。DC加算回路は、位相オフセット調整である。加算するDCでこのポイントのDCオフセットレベルを調整し、基本となる外部同期のL/Rクロックと、内部のL/Rクロックとの位相差を最小限に調整する。20回転の多回転ボリュームがよい。

 ■ロック検出
 CD4046と74HC4046との大きな違いは、1番ピンがVCXO用の基準電源かPCP出力が付いているかである。HC4046のPCP出力とは、ここに出るパルスが位相差に比例しているということで、位相オフセットの調整はこのパルスが最小になるように調整すればよいのだが、このパルス幅が安定しているか否かでPLLがロックしたかどうかを知ることができる。具体的にはPCP出力に微分回路(1kΩ+100pF)を入れてある程度のパルス幅以下はカットし、それ以上のパルスが出たときにワンショットを叩いて、PLLロック検出LEDの表示を消してロックが外れたことを表示する。
 最近のLEDは1〜2mAで綺麗に光ってくれる。そこで、PCP出力端子を+電源としてロック検出LEDを光らせる。PCP出力はSIG IN入力に何もないときLになるので、外部入力がないときLEDが光らなくなる。

 

 

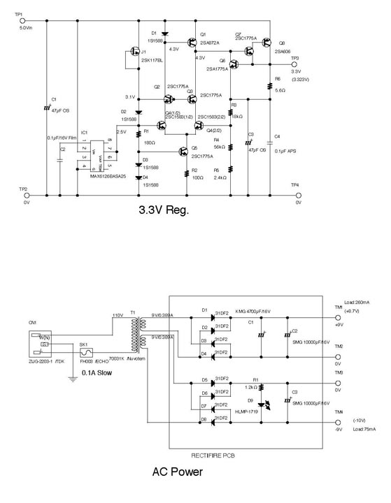
3. 3.3Vレギュレータ

 5.0Vレギュレータは金田氏の回路そのままである。3.3Vレギュレータは、できるだけローノイズにしたい。VCXOは電源電圧の変動が周波数変調に出やすい。以前使用したMAX6325シリーズは埋込ツェナでノイズが低いが、電源電圧が8V以上と、場合によってはぎりぎり、若干足りない可能性もあるのでこれは使用できない。そこでMAX6126シリーズを用いることにする。デジキーで(今のところ)購入可能。MAXIMからサンプルで2個ならもらうことができる。0.1Hzから10Hzのノイズはこちらの方が低いようだ。MAX6126は2.048Vと2.5V、5.0Vがあり、2.048Vではぎりぎり一部のTrのバイアス電圧が足りなくなる、5.0Vは電圧が高すぎ、ということで2.5Vを使用した。カスケードのTrのバイアス電圧が金田氏設計より若干低くなるが動作範囲である。
 MAX6126の出力は差動Trのベースに加える。この点〜定電流Trのベース間は金田氏のオリジナルではDiだが電圧が合わなくなるので抵抗にする。定電圧+定電流のラインなのでものすごい安定度である。

 

 

4.ほかの回路

 ■水晶モジュール
 27.000MHzはRSで購入したリバーエレテック社のFCXO-03L。入手性より選んだのみ。
 VCXOはデジキーで購入したABRACONのASVVでこちらも同様。
 じつは基準発振は折角のfujiwara氏キット付属の水晶振動子とVHCU04とを組み合わせて発振させるつもりでいたが、実際作ってみると、対GNDのCは7pFと小さい値である程度安定したが、ちょっとしたことで1倍発振や5倍トーン発振になってしまって安定度に疑問があった。また、発振を止めることができない。
 以前からの経験で、極めて近い二つの周波数が同じシステム内部にあると。ビートを起こして害を及ぼすことがあるのがわかっている。おそらくVCXOとの周波数差が100Hz程度以下であり、低周波のうねりが飛び込む可能性があるので、使用しない方の発振器は完全に止めてしまいたい。そこで水晶モジュールを使用することにした。イネーブル端子で完全に動作を止められる。
 回路図上、二つの水晶モジュールの出力をVHC00を用いたセレクタで選択しているが、この二つの水晶モジュールはディスエーブル状態では出力はハイインピーダンスになるのでこのようなセレクタは本来必要なく、直接出力端子同士をくっつけてしまえばよいのだが、これは水晶振動子を使っていたときの名残で、本来は不要である。
と同時に、ハイインピーダンス状態の処理のため、抵抗でプルダウン(プルアップ)しておく。

 

 ■リセット回路
 ワンショットが一個余っていたので、これを利用した。電源投入でのリセット(大きな時定数の後パルスが出るように)と、もう一つ追加したのが、サンプリング周波数を切り替える毎にリセットパルスを発生させることにした。これがないと、切替のタイミングでデジタルデータがずれてしまうようだ。LSBが上位ビットにずれたりなど、しっかりとWordクロックに同期していない区切りになってしまうようである。
 リセットパルス発生は、具体的にはロータリーSW、アルプスのSRRNのノンショートタイプ(ショーティングタイプと外観は区別が付かないので注意、ショーティングタイプは千石電商など一部で売られていたがつい先日生産中止となった、おそらくまだ市中には出回っている)を使用する。ノンショートだと、切替の瞬間、一瞬オフになる。このオフを捉えてワンショットを叩く。

 

 ■サンプリング周波数切替ロジック
 まぁ、これについてはfujiwara氏の取説の表から割り出してほしい。

 

 ■ディジタル出力
 S/PDIF、DITの差動のそれぞれを別のパルストランスを駆動することで、別途半導体無しに二個取り出せる。パラにTOSLINKも駆動可能。
 パルストランスは、一方はマイクロメタル(アミドン)のFT50-#77をつかったが、もう一方は小さくしたかったのでTDKのK6A材を用いた。これは現在入手できないが周波数特性は#77より良い。

 

 

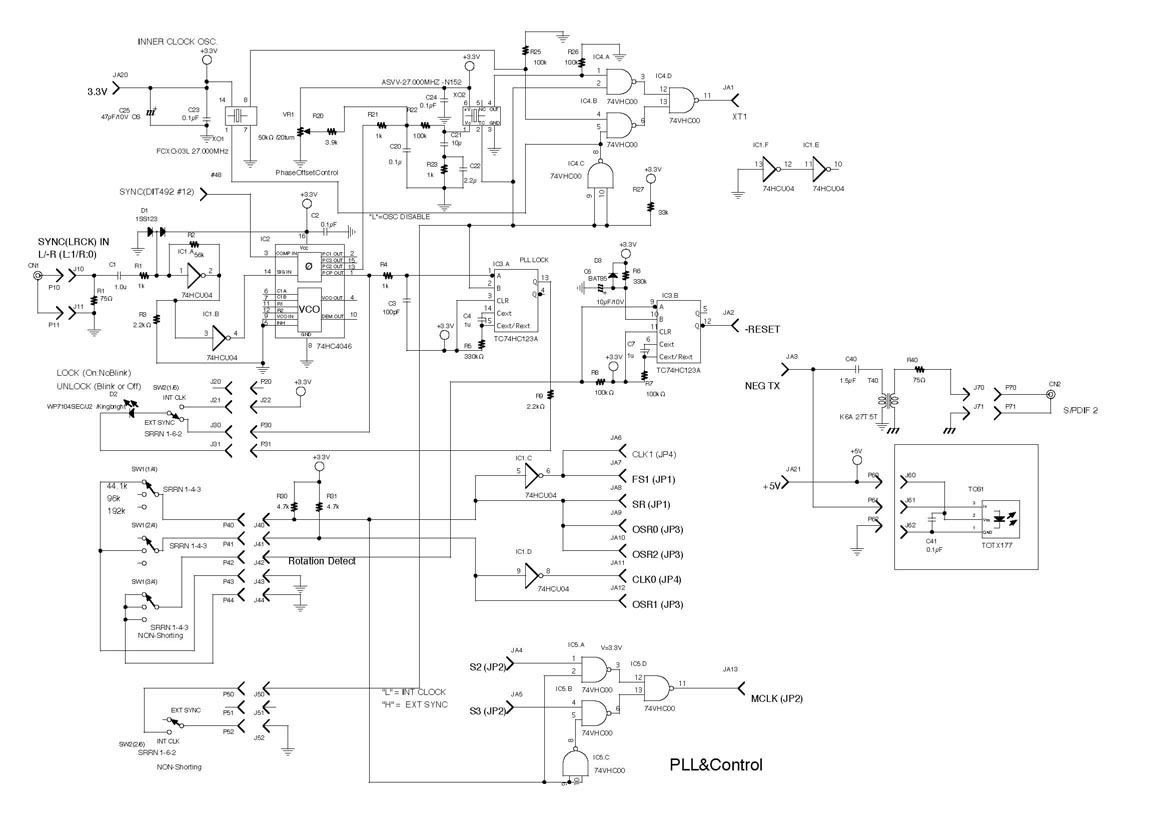
 ■AC電源
 パワースイッチは付けなかった。ラインフィルタは入れた。ノイズが怖い。トランスは、いつものようなRコアはこの大きさに入らなかったので、Nuvotemの製品をRSで購入。平滑コンデンサが大きいのは、ハム取りである。リップルは+V:120mVpp、-V:100mVpp。消費電流+V:250mV(S/PDIF一つのみ接続)、-V:75mA。

 ■ADCとバッファとの接続
 ADCバッファには入力に反転アンプが入っている。位相が反転する。他のページにも書いてあるが、位相反転は無指向性マイクを用いた場合に音場再生において問題となる場合がある。位相を併せるため、差動出力アンプの+出力をADCの-入力に、-出力は+入力に接続する。
 保護ダイオードはBAT85(フィリップス)を用いた。デジキーで(今のところ)購入可能。VfがIf=1mAで320mVと大変小さい。耐圧も電流も十分。シーラスロジックのADCの評価ボードにはこのダイオードが保護として使われている例がある。

 

 

 

5.回路図、写真など

fujiwara氏のADC-PCM1804回路図の改造点。fujiwara氏転載許可済み。青が追加、赤が削除・カット。「図面を表示」で大きくなる。

 

 

亀の子基板の回路。

 

 

←3.3Vレギュレータと電源部

 

 

←亀の子基板アップ。シングルラインICソケットをコネクタ代わりに。ユニバーサルは、秋月電子のものをカットして使用。fujiwara氏の親基板はMIL規格で部品配置がなされており、部品の足にピンを立てるとそのまま子基板の穴位置とぴったり合うので子基板を取り付けやすい。
 PIN-PINタイプと通常のシングルラインのICソケットを組み合わせて、親子の接続できる。

 

←fujiwara氏基板。不要部分をカット。支柱部分はベタGNDをショートさせ、シャーシと接続。これでノイズが激減。子基板のGNDも支柱を通じてしっかり接続。SYNC信号が取り出しにくい・・・

 

 

内部の様子。ぎちぎち。バッファはICピッチのユニバーサルに。入力には、人に貸し出すのでちゃんとコンデンサを入れた。東一のモードルマイカ0.1μF二個パラ。ちょっと低域不足になるかな?さらにフィルムをパラってもいい。トランスは立てて取付。アルプスのロータリーSWのシャフトは若干短くしている。5VレギュレータはパワーTrが熱くなるのでヒートシンクを付けた。基板、部品のケース内配置に3日費やした。

リアパネル。S/PDIFは同軸2(逆相)とTOSLINK。WordSync入力はBNC。下のスイッチはWordSyncの位相切替に使おうと思ったが、現在未使用。アナログ入力は二系統あるが並列になっている。別のレコーダに並列接続できる配慮。

09.07.26 更新 ---------->

 更新前までのデータは、私のMacMiniのディジタル入力がどうもおかしく、すこし間違っているデータの様であったので、別の入力デバイスを使って測定し直した。

 

 Lchノイズフロア。やはりAC電源、ハムが50、100,150Hzと少し出ているが、音を聞いてもほとんど確認できず。全体的に、極めてノイズが低い。ハムを除けば、130dBを全帯域で切る。

 

 

 1kHzの正弦波をNF回路設計ブロックのCR発振器、SY-118から入れた場合のデータ。
 (前回のデータと違い、入力した周波数と一致している)
 いろいろなサイトで報告されているが、このADCとWaveSpectraで、パワーアンプの歪程度であれば測定可能と思われる。

 

 

 同様に10kHzの正弦波のデータ。

 前回と同様に、周波数特性のフラットさはある程度このWaveSpectraで確認できた。

 

<---------------------------09.07.26 更新

 

 

 6.まとめ

 今回、fujiwara氏基板をうまく使用し、簡単にできると思いきや、ケース加工が5/5、全部の完成が7/5とまる二ヶ月かかってしまった。PLLや全体のロジックの部分的不具合でちょくちょくデジキーやRSのお世話になった。
 不満なのはやはりPLLのジッタの確認、追い込みができていないこと。これはジッタメータが無い限り難しい。自作の限界を感じる。
 あとは実際に録音してみて音を聞くというもっとも大事な作業が残っている。

 

 


 7.74HCT9046への変更

                                       (09.11.16)

 4046、HC4046等のシリーズ、HC7046のシリーズのフェーズ・ディテクタは、二つの入力の位相差Δφ≒0DEGにて、出力回路のプッシュとプルとの両方が動作しなくなり、出力に信号が出なくなる”不感帯”が存在する。つまりこれらのシリーズは位相差を0DEG付近で使用してはいけないということである。

 今回はその使用方法であった。これではジッタが多くなってしまう。そこで74HCT9046(フィリップス)を使用する。これは出力のプッシュプル回路にパラに電流源がついていて直線性が改善されているものである。

 これがHCTシリーズしかなく、入力は3.3V系ロジックがダイレクトに繋がる点はよいが、出力はなんらかの保護をしないと3.3V系の回路につなげられない。幸いにもアナログ的なフィルタや積分回路が繋がっているので、SBDで+3.3Vにクリップさせればよい。

 4046シリーズとHCT9046シリーズは使いかたが異なっている。外部から定電流源の電流値を設定する端子が加わっているためである。その点設計に注意する必要がある。

 また、WORD SYNCのかかっていない通常の水晶発振器をCONNOR WINDFILELD社のD75FといおうTCXO、温度補償型とした。三田電波のものが手に入ればそちらの方が良いし、ほかにももっといいものもあると思われる。参考までに、これを使ったと言うことである。

これで、オシロによる簡易的観測ではジッタが減った。これが本来の値であろう。位相オフセット調整ボリュームの再調整は必要である。