Chapter Nineteen

第19話



今回は新しいことはあまりない。第12話、第13話で作ったプロトタイプ同様のVIを作ればよい。(で、すんなりプログラムが動けばすばらしいが、、、)

前回紹介した素数発生VIをつかってプロトタイプの鍵発生器をつくった。
これはほとんど問題なく動いたのだが、動作速度は今では入門用にも負けてしまうPM7500/100では256ビットの暗号鍵生成が実用上の限界だと感じる。ただ、毎回作るものではないので、2時間ぐらいかけてCIAでも解読できない(?)1024ビットの鍵を作ってみるのも悪くはないかもしれない。

作成する鍵の長さを指定して実行すれば、N, e, d が計算される。
ダイアグラムはシーケンスで構成しているが、下に表示したシーケンス1以外は重要な機能はなく、表示の初期化と計算時間の表示だけを行っている。
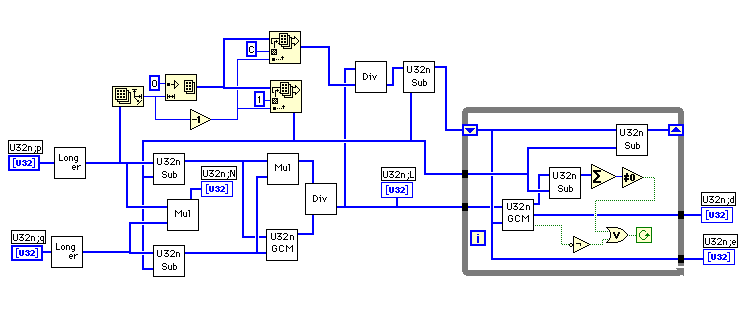
シーケンス1は素数p, q を計算するVIと鍵を生成するU32n_Key.viを使って、得られた結果を10進数にして表示させているだけだ。下のダイアグラムはU32n_Key.viだ。基本的にはプロトタイプで作ったviの標準の四則演算をU32nの四則演算に置き換えただけだ。

下のU32_Key.viのダイアグラムと比較すると分かるが、ごく単純な-1を行うためにも全て0のU32nの配列を作り、一番下位の要素を1に置き換えてU32nの引き算を行わないといけないなど、実に手間がかかる。

次回は暗号シリーズの最終回になるが、できあがったVIはLVUG-JのFTPサイトに登録してもらうつもりなので、利用できる人は使ってみてほしい。Info-LVならだれでも取り出せるけど特許とアメリカの国内法があるから無理だよね。

ところで、暗号技術が話題の電子マネーに深く関係していることを知っている? 日経文庫「電子マネー入門」(著者 岩村 充)はその辺の関係を面白く、読みやすく整理していると思う。関心のある人は一読にてみるといいと思う。

See you!


Nigel Yamaguchi

戻る