YAMAHA MODX-M AN-X Sound parameter


前置き
ここではAN-X Engine 特有のparameterをまず示し、後でAWM2、FMXと共通のparameterを以下に示します。このparameter表のPageを書くきっかけとして自分が所有する他メーカーのSynthのEDIT体系とMODX-MのEditにおけるNavigationがあまりにも違うので戸惑いました。また一般的なparameterでもAN-Xの独自性はあります。本体を購入してparameterの多さに驚きました。自分なりにMODX-Mを理解する為にまずはAN-Xに関するparameterの理解をまとめてみたPageです。

それぞれのSYNTH音源部分のparameterはほぼ理解できるのですがその挙動はManualにはしっかり書かれているとは言えないのも事実です。問題はperforamnceが一番上位の概念でありその下にPart(AWM2/FM-X/AN-X)があるわけですが始めにこのことばで混乱してしまいました。自分の所有しているSynthはprog / combi やprogram / Setup 等 2系統のMIDI Program changeに対応するModeを持っていたり、Multiでは両者の区別が無いSynthを所有だったため(*0)YAMAHAのようなModeの無いMIDI program Noと1:1で対応できているsynthには若干なじめませんでした。さらには非常に多くのparameterがあるためEdit画面もたくさんあるのは当然として画面間にいききがよくわからず。まだ本機を十分いじっていないからかもしれませんが....。

*0: MultiではほぼYAMAHAと同じ対応ですがprogramとSetupの形はあった。

AN-X Engine単体をとっても構造はシンプルですが膨大なparameter。極論というか理想を言えばYAMAHAが作ったMODX M(Montage M)のHardware EDITORの画面を模した物がMAPとしてあれば単にことばとして書かれているよりは感覚的にEditがスムーズにいくだろうということです。すなわちEDITの階層を意識することなくというか画面1Pageに各Moduleのparameterが全部表示できていればいいわけですが画面の制約や6っのedit Knobとの対応においての制約からかできていないし、切り分けの不自然なところがあるというか。上記のHardWare Editorを見ても膨大なParameterです。netでparameter nameまではっきりわかるHard Editorの画像を探して見るとかなりわかりやすいし1moduleで完結しています。Parameterの多さは各Moduleに固定で付いているEG/LFOが原因とも言えます。(7LFO/ 6EG)あとは比較的シンプル。

実際の所はHardWareEditorでもArpeggiater等の演奏系のparameter全parameterはKnob等に出していないのですがその部分は本体を使えばいいわけです。 2026/1にリリースされるESPのEDIT画面に期待したいところですがMONTAGE MのESPと同じでしょう。画面情報量は4倍くらいはありますが。 単純にManualの各moduleに該当するpageに上記Hard Editorの該当moduleの絵があるだけでも助かりますしそのような発想はメーカにないのが残念。

機能が膨大なせいかManualは440Page(それにくわえてさらに2冊)あります。それに対して上記のnavigationの移動について一応別ManualでのQuick GudeでEditPageの構成、移動方法は最低限かかれてはいるし、オペレーションマニュアルの各Pageにはその画面に入る手順はありますが。 そのparameterがどのpageにあるのか予想の付かない場所にあったりするわけで。使って画面の遷移はなれろという感じです

一番シンプルな状態のAN-XのInitのPerforamnce を選んでEditしていくわけですが結構parameterの理解、構造がよくわかっていないため現状ではかなりたいへん。

きっちり書かれているようで意外にわかりにくいマニュアルでもあります。またParameterが多いので一応の説明はありますがはしょりが多いと感じます。そもそも全PAGE画面をManualで表示しているわけでなく一部の画面しか示されていない。紙でなくPDFなわけだから全てを表示して解説してもいいくらいなのだが。

同じようなparameterでもEngineによって使い方が微妙に違ってもManulaではparameterその物の説明はあるが違いはユーザにわかるように明記されていない等。

各parameter機能等は難解ではないのだけれど、結局の所これだけ膨大な機能parameterを探すためにはManualに対するNavigation Guideが必要だということとManualがもっと体系化していないとMODX-M 初心者にとっては使い方を学習するのがかなりたいへんです。

基本はnavigationのHome(root)画面から各EDIT画面にいけばいいのですがManualにはAX-Nのルート画面の図すらありません。その図から各Pageのリンクがあって各parameterの説明をすればいいわけですが全pageの画面は必ずしも出ていないしリンクも無い。さらにAWM2と同じ共通項目は省略されています。 MODXを持っている人ならこれでもよいのですが始めにAN-Xから入ると理解で混乱します。 所有しているKurzweil PC4もparamererは膨大ですがMODX-Mほどとまどうことはないのですが...。MODX-Mは価格帯で油断していると隠れている?parameterが膨大ということです。

これは他メーカーでも言えることですが機能の多さにManualがもはや対処できていないというか。MODX-Mに限らず最近のsynthの機能は各社このクラスであっても80年代末からのDigital Synthの集大成的な多くのprarameterがありそれに対してManualは簡略化する傾向になっているかというか.....このミドルクラスのsynthといっても機能は最上位の機種と変わらないわけですが....ほぼFlagshipのMontage Mと同等だとか。まあ膨大なpatchがあるわけであまりEDITする人もいないのかも知りませんが。とにかく細かい解説がいまいちない感があり初心者には難解なManualだと思います。索引すらありません。

ここ10年以上前からSynthに限らず紙のManualが付かなくなりました。PDFが当たり前の時代なのでPDF Fileなら検索も容易でコストの面からも紙のmanulaは無い状況。紙で見たければprintすればいいとはいうものの400page越えでは両面プリントするのも大変です。有料でもいいから紙の製本manualがほしいと今回は感じました。

MODX、MODX+からMODX-MEのditのnavigationが大幅に変更されたようです。MODX Mの購入目的の主体がAN-Xなのでそこから入った為混乱があったのでしょう。 AWM2、FM-X、AN-XはFilter以降はほぼ同じ構造です。 OSC部分はAN-Xが一番複雑なので混乱したのでしょう。Sound Engineの構造的にはそれほど複雑ではないのですがとにかくParameterが多いし各sectionで作法が必ずしも統一されていない?。

音源としてのAN-X部分だけのparameterも膨大でありその他のPerformance Parameterや音源以外のMotion Seq、Arpeggiater等のparameterも膨大です。 synthとしてのC/Pはとても高いし、何よりコンパクトな筐体、Panelデザイン、TactSWの良さ等、満足度がかなり高いし個人的には新に搭載された6個のEdit用エンコーダの存在と8基のSliderがGood。

音源とともに古くからポータトーン(最上位はGenos)やエレクトーンを作っているYAMAHAのSOFT面のリソースがArpeggiater等のサポート機能の充実は他社を凌駕しているというか。1988年から始まるKORG M1の WorkStation Synth、PCMsynthの40年近くの歴史のおそらく集大成なのでしょう。まだまだそれらの要素のPageは詳しく見ていません。

要はLinux OS上で動くMusic Computer + 268Voiceの音源が2025年時点でこの価格で手に入るということであり1980年台初頭に構想されたCMS(Computer Music Systems) Synthの具象化の一つなのでしょう。1990年代のhardwareによるDAWはすでにPCの独占となった今またPCのSoft synthが主流の今であってもこのようなHard Synthが開発される余地がKeyboardとしてはあるのでしょう。

TV等の家電や携帯においてもLinux OSが入っている時代なわけでこれは2000年代初期からWork stationTypeのsynthではあたりまえになりましたがTV等の家電もSynthも上位機種と普及帯もベーシックな部分は共有する時代になり下位機種はparameterをどれだけ隠すかというような展開になっていますがMODX MはFlagshipとほぼ同じparameterを有しているのでこのクラスとしては大変複雑なお買い得なsynthだと思いました。


ちなみにhttps://yamahasynth.com/learn/modx-m/blakes-take-introducing-modx-m/というサイトにMODX Mの概要を解説したBlake Angelos氏のPageがありますがManulalよりはるかにわかりやすいイントロダクションとしての解説がありました。大枠をつかむのにはすぐれた内容でこのくらいのことはmanualのイントロで書いてもらいたいものです。

1990年代から2000年代の始めごろはちょっと複雑なSynthについてはKeyboard Magzineで解説付録がついていたものでした。Internet時代になったらNetを見ろということなのでしょうがメーカーのsiteにおいても宣伝文句ばかりで上記のようなsiteは中々ないしYAMAHAの日本語siteからのLinkも無いのは残念に思えます。

Manualよりhttps://manual.yamaha.com/mi/synth/montage_m/ja/om02screenparameters0160.htmlのHTML Manualの方が内容は同じですが各項目のIndexがあるため使い易いです。ちなみにMontage Mの解説manualですが。さらに言うと無印のMONTAGEのManualの方がよくできていて上記のHTMLと同様。MODX Mのmanualの方が右サイドのINDEXが無いので使いにくい。

MODX
リファレンスマニュアル 216Page、
取扱説明書        73page ..... Total 289Page
Data List               222page
Synthesizer Parameter Manual 84page

MODX +
リファレンスマニュアル 262Page、
取扱説明書        73page ..... Total 335Page
Data List               222Page

MODX-M
オペレーションマニュアル 440Page
クイックガイド       50Page ..... Total 490Page
Data List                 259Page

ちなみにAN1-XのManualは106 pageです。


MIDI Chとの関係
そもそもMIDI Program Changeに対応するかたまりも表現は各メーカーによってまちまちであり Program / Combi といったり Program / Set UPといったりする場合は modeによってそれぞれが MIDI Program Changeに対応するわけですがYAMAHAの場合はそれとは異なりPerformanceのみがProgram Changeに対応するのであってこれは他社のConbiやSetupに相当しますがこの部分が頭の切替ができず混乱しました。YAMAHAのSynthを熟知している人ならあたりまえなのかもしれませんが他社のsynthになれている人にとっては??となってしまいますしProgramという言葉自体出てきません。PerforamanceとPartの関係がManualには始めに明確に述べられていません。(クイックガイドには一応書いてありますが他社のsynthになれていると混乱)

YAMAHAのPerfoamnceとPartということばがなれないことばというか要は他のsynthで言うところのComb / SetupとProgramの関係であってどうも混同してしまいますがYAMAHAの方式の方が正しいと思います。

そもそもMODX Mにはmulti modeとかsingle(program)modeという区別が無いようでmulti動作にしたければperforamnce内の個々のpartのMIDI Chを設定すればいいということのようです。このような対応なので単独ChのProgramとMulti mode とか combi setup Modeなどの区別がないのでSystem Effectはどのような場合も独立した外部FXと同じで各Partからはsend levelだけ設定ということになりprogram単独とMulti combi setupでのFXの競合やOverrideの必要が無くなります。この部分が始めにAN-XのEditから入った為勘違いをしていました。

さらにはSuper Knobや他のControllerやmatix modulationがPerformance(全part)で共通なのかPartで独立なのかという基本概念がManualを見てもどこにも書いていないような気がします。結局の所Performance全体にも作用できるしPartごとに作用できるというかそれぞれ作用できるparameterとそうでないものがあるようなのですがその一覧ものっていないしまず概念的なことの説明が必要なのにManualには書かれていないのか簡単にみつけられないのか?。(MODX M Datalist PDFにも書いていない)ので少し深くEditしようとすると混乱します。

結局matrix modulation(contoller)などはその対応pageで管理しているわけですがその際 上方のTabのPart/Commonを選択すれば対応する作用が選択できるようです。

MODX-MのAWM2においては従来機種が1part 8Element構成から1part 128Elementが構成できる。これはVelocity Layerを多様する場合などで8ではたりないこともあるからでしょう。 これだけあれば単体の音色であれば1partですむわけです。 従来は8でたりない場合はPartを複数作ったPerforamanceになったそうです。FM-X、AN-XについてはElementに相当する要素は1のみです。Programを組み合わせるいわゆるConbi、SetUP的なpatchはAWM2単体Partでは持つ必要がなく他のAWM2音色、AN-X、FM-X、組み合わせやInsert FXを別々に使う場合等に複数Partが必要になるのでしょう。ちなみにKurzweilの新しい音源(Dual A.T.S.T.)は1programで最大127Elementだそうです。

最近のsynthではYAMAHAでいえば1program(perforamance)を構成するElementの数が8..20程度の物も多くどんな構成でprogramが成り立っているかを確認するだけでも大変になってきています。これは他社でも同じですが。ユーザーがこのような大規模なPatchをいちから構成できるかはわかりませんが。おそらくはPFをSamplingで構成する為のVelocity Layerが発端にあるのだとは思いますが。これに比べてAN-X音源の場合は通常1Elementというか単純構造でPatchを組めばいいので少しはらくでしようか。

MODX Mというか普通のSynthの構造の弱点としては異なるEngineを持つ音源を1Elmentの中で処理できない点です。MODX Mであれば複数partを消費します。Filter / AMP /FXが同じである場合も1個ですまないわけです。Voice数に余裕があれば問題なくともEDit時には面倒です。同じ要素はLinkしてEditできればいいのですが。膨大なperformance(program) が存在しますがその中に自分のほしいprogramがいくつあるかが問題というか。多Elementで成り立っているprogramはEDIT意欲を低下させます。

AN-Xのparameterを主体に書いてみましたが以下のように膨大になってしまいました。さらにはAWM2やFM-XのparameterやsequencerまわりのParameterがあるわけです。

AN-X音源構造と全体(performance)の構造



PerformanceとはMIDI Program NOで指定できる単位。

Partを複数組み合わせたもので1Performance最大16Part

LIVE Setに表示されるNameがすなわちPerformance
Categolyで示されるNameもPerformance
Performanceには最低1partで構成されCommonという要素が付く

 AWM2 音源のパートだけで構成されるパフォーマンス
 FM-X 音源のパートだけで構成されるパフォーマンス
 FM-Xのパートとスマートモーフ情報を持つパフォーマンス
 AN-X 音源を使ったパフォーマンス
 AN-Xのパートとスマートモーフ情報を持つパフォーマンス
 複数のEnginを組み合わせたパフォーマンス
 モーションコントロールをフィーチャーしたパフォーマンス
 Seamless Sound Switchingに対応したパフォーマンス

これらがある。
MODX Mにおいてmultimodeと通常program modeの区別はなく
multiは各PartのMIDI CHで対応。
Perforamnceが1partでも複数partでもsystem FXその他共有要素は一緒

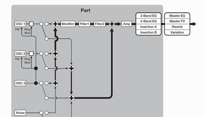
Part
----
1Partとは AWM2では最大128エレメントの使用が可能
1Partとは FMXでは 1エレメントのみの構成?
1Partとは ANXでは 1エレメントのみの構成?


* PCM音源はVelocity Layer等を使用する例が多くなっているので1partで複数の
エレメントが使えることが必須となっています。

Part FX
Insertion A (88 type? Variationと同じ?)
InserTion B (89 type? Variationと同じ?)
2Band EQ
3Band EQ

Insertion FXの同時使用 MAX12Part + A/D 1 = 13

* どのFX(DSP powerに関係なく)も区別なく選択できるようです。
* System FXに対して各Partはsend level(Var./Rev.)のみ設定

全体に共通のFX(1Performance共通)

System FX
--------------------
Var (Variation )
Rev (Reverb )
MFX (Master Effect ) .....1+1+1= Total 3
--------------------
Master EQ
Reverb LevelとVariation Levelは各パートのSend Levelによって制御され、
Master EffectとEQはGlobalに適用されます。

Reverb (13 types):
Variation Effects (88 types): 
Master Effects (26 types): 
Master EQ: 
----------------------------
XG音源以降の伝統的な配置?

計 13+ 3 =16個のFXが使用可能?

* synstem FXのVariationはinserと同じくどのFXも選択可能のようです。

ちなみにVCM Effectは以下の物を搭載
 VCM FLANGER *
 VCM PHASER STEREO *
 VCM COMPRESSOR 376 *
 VCM AUTO WAH *
 VCM TOUCH WAH *
 VCM PEDAL WAH *
 VCM EQ 501
 VCM MINI FILTER
 VCM MINI BOOSTER
 VCM ROTARY SPEAKER CLASSIC
 VCM ROTARY SPEAKER OVERDRIVE
 VCM ROTARY SPEAKER STUDIO

MODXは無しでMODX+ は * のついた物

Part Edit時System FXのアイコンが出ています。
この為System FXのparameterはPartのParameterとして
持っているものだと勘違いしましたがsend level等の最小限のparameter
のみ持てるようでPerforamnceはmultipartでもsingle partでも区別がない
のを忘れていました。Sysstem FXはPeformanceで一つ。
Menuから選択された音色programがPerformanceなわけでした。
どうも概念にまだなれていない...。


AN-XのEDIT Performance(Partの集合体)    Partの構成 ... Common /Part 1..16(Max)      複数Partを使えば他社で言えばLayer(combi等)となる。 1partのEditとしては 1: Category SWで選択画面を開く 2: presetのAN-X Perforamanceを選択かInitでNew Edit 3: 方法 a:ここでExitを押すとPerforamnce画面のHOME(root画面)  part VA ViewのどこかのparameterをTapするとAN-XのPart Edit画面となる * すなわちExitはPerforamnce画面のHOMEに戻ることを意味する。   * Perforamnce画面ではオシロによる波形が見える    方法 b:ここでnavi画面を押すとnavi画面になる  左下のAN-X settingをTapするとAN-XのPart Edit画面のルート画面となる AN-XのPart Edit画面でExitを押すとperformance画面になる。 再度 EDITしていたとこのPart Edit画面に戻るにはEDITを押す? Part Edit画面でEDITを押すとComparになる Navi SWを押せばふたたびNavi menuとなる。 基本的にはNavi画面からEditしたいsectionを選び他のPageのParameterを Editしたい時画面左のMenu Tabか上面のMenu Tabに目的のものがあればTap なければNavi画面を押してPageを選ぶ。 方法 c:Perforamnce画面のHOMEを呼び出す   画面上方のTabから Commnを選択 --> EDIT Key --> part common   画面上方のTabから Partを選択 --> EDIT Key ---> part 4: AN-XのPart Edit画面 画面上の各Page選択で PerformanceのPartNo,Part Commonの選択 またはOSC1/2/3/Noise/Common の選択ができる 画面左の各Page選択で目的のPageを選ぶ   Part EDIT ..... Part Common Part1..16 --> AN-X common / OSC1/2/3/Noise 5: Partの共通要素はPart common画面を使う   Navi画面で上のMenu Tab からPart commonを選ぶ 上のMenu から Partを選べば Part本体のNavi画面になる 6: 各EDIT画面でOverlap Windowが開いた場合はEXITを押すとその   Windowが閉じる * 通常EXITを押すとPerformanceのHome(root)画面に戻るが上記の他にも Windowが開いている場合はそのWindowが閉じる。 * いまだに直前にEditした画面に戻るSW等があるの無いのかかわかりません。 EXITを押すとPerforamnce画面に戻ってしまいますし...。 普通のsynthだと直前の画面に戻ったりするのですが。 ここがわからないと使いにくいです。 ちなみにオシロ画像については単純波形でも波形がうまくLockしないことが多い。 Octaveで2音おさえるだけでも非表示がだぶるので高いKeyを押してから低いKeyを 押すとよい。

YAMAHAのUSAのサイトにManualには無いAN-XのNaviの画像と簡単な解説がありました ので以下に示します。(この画面AN-Xはなぜかはしょられてmanualにはありません でした。AWM2用のはありましたが)

AN-Xの構成
-------------------------------------
Performance 
・Performance Common
・Performance Part
------------------------------------
Part 
・Common 
・OSC1/2/3
・NOISE
------------------------------------
  Part Common
    ・ANX setting
    ・Modifier
    ・Pre/Post MIxer
    ・2 Filter(soft Cliper)
    ・AMP(soft Cliper)
    ・7 LFO(固定対象)
    ・6 EG(固定対象)
    ・ControlAssign(matrix modulation)
    ・2 EQ
    ・2 Insert FX
  Part OSC1/2/3/Noise
    ・3OSC(4Wave/PWM/Sync/FM/Shaper/Ring)
    ・Noise 
-------------------------------------
Common (Perforamance  or Part ??)
・Pitch
・Part setting
・Zone
・ARP
・Motion Seq
・Controller(Matrix Modulation)
・Etc.....

Perforamance Common
・System FX
・Audition  etc
-------------------------------------

上図から
Part LFOは Insert FXのみに作用
OSC. EG / LFOは OSC.ごとに独立(Pitch用でなく波形変形用)
Pitch EG / LFOはOSC1/2/3で共通
AMPの上のLFOはAMP用(表記がおかしい)
AMPはAMP EGを含む
Filter LFO/EGが独立表記なのはFilter Parameterが多いから独立page

上記Navi画面では最上段のPart/CommonのTabは無効で(ここがイレギュラ)
ANX setingやPart Setingは左端のアイコンをTap 
最下段はみなPart Common Edit要素(PartCommonPageを介さずDirectJump)
その上はみなAN-X Commob Edit要素(ANX commonPageを介さずDirectJump)
該当pageから再度NaviKeyを押すとこの画面に戻る

* 但し最下段の
  Control and MOdulation Arpeggios
  Motion Sequence
  Control Distination
 に関してはPart Common / Perforamance Commonが対象の場合あり?

各pageにいくと上段のCommn/Part  Common/OSc1/2/3 Noise Tabは有効
各pageから抜けて他のpageをEDITする場合左端のメニューと上段メニュー
以外のpageのEditはできないのでその他のpageにいくにはNaviに戻るか
上段のTabから別pageを選択。

各pageのEdit時そのpageからワンアクションで移動できないpageに移行する
のには2から3のアクションが必要であり直前のPageにExit等で簡単に戻ること
ができないのが大変不便。(このEdit方法で最大の不便要素)

MODX-Mはタッチパネルに加えて6個のEdit用エンコーダーKnob(クリックタイプ)をそなえているのでかなりMainのエンコーダーの使用を低減できるのが特徴です。1Pageに対してParameterが膨大なので単純に6個のEdit用エンコーダーKnobが表示Parameterに1:1で対応しているわけではないですが1個のparameterをTapすると関連する要素が順次6個のKnobに割り当てられるのでEDITストレスが低減できます。

さらに多数のparameterがある場合は UP/DOUN Cursor KEYの操作で段(列)の移動が出来きその段ごとに6個のKnobの割り当てが自動で変化しますので、EDIT Pageは横に最大6個のParameterで構成されている感じです。この場合画面をTapしなくとも6っのKnobでEditできるわけです。 Parameterが少ないPageでは始めからKnobが割り当てられています。また左に配置された4個のPerformance Knob(クリック無し)もEdit時に使える場面もありその際にはクリック無しの利点がります。

parameterを2度tapするとダイレクトで数値入力できます。


AN-X音源構成

基本構成はかつてのCS PolyPhonicを継承している部分もみられる。すなわち直列VCFの2段構成でVCO等の出力をVCFに対して Pre/Postの選択ができる部分等。VCOはCS polyは1基でしたが今回は3基搭載でSync /FM / RingMod / ShaperができてVCFの前にWavefolderがあるが比較的シンプルな構成。VCFとVCAに対しては歪みを生み出すサチュレーションという機能を搭載。

上図にはありませんがModulatorとしては 7 LFO / 6 EG / ControlAssign (matrix modulation)とかなり膨大です。

* VCO/VCF/VCAという表現はメーカとしては使っていませんがあえてAnalog modelingなのでここでは使いました。

VCF(Filter)とResonanceと発振
ちなみにVCF(filter)発振はDigitalなので多少のinput signalが無い時は発振はできませんがOSC/Noiseレベルがある程度あればresonanceは強力なので入力レベルに応じて発振振幅が変化しますが自己発振のように増大してMAXレベル(もしくはリミッタレベル)まで達する動作にはなりませんし。入力信号がなければ発振できないのでFc位置における入力信号のfilter特性とFcでの発振信号の和となります。なのでFcを動かしてやると発振音の変化が聞こえます。

Resonanceを上げていっても通過帯域のGainは下がらないのですがResonanceがある値に達すると振幅が下がっていき本来の振幅の1/2程度になります。ここらへんがanalog VCFとかなり違う点です。すなわちanalog VCFではresonanceを上げていくとFc付近の周波数成分が増大してSIN波の減衰波形が生じさらにresonanceを上げると定常波形になってさらに上げると発散して自己発振するわけですがAN-Xの場合は発散寸前以上はいかないようになっているわけでこの時点で振幅は一定になるので発振はしているわけですがあるレベルで止まっていることになります。

この為波形としてはFc付近の倍音が固定振幅でのった形になり、Fcを動かして上げると発振音として識別できるわけです。Fc付近の固定発振音は入力波形のある倍音の発散しないかといって減衰しない波形なのでFilterでかなり複雑な波形が生成できることになります。

さらにはAWM2 Engine側のFilterとも動作が違いAWM2の方がResonanceの効果がきつい感じでしたし同じ24dBでも違います。AWM2の方はわりとかつてのKAWAIのK4的なresonanceの凶暴さを感じましたがこれはresonance Max時の感じでもっと小さい値の時はそうでもないです。改めてKurzweilのVASTのresonant Filterの優秀差を感じますがVASTの方はここまでResonanceを上げられないような。


Performance EDIT
PerformanceのParameterグループは膨大でありその中のPartとしてまた膨大なparamerterがあります。PartはPart Common要素と各EngineのParameterグループがあります。

Part Commn要素
Part Settings
  General/Pitch
  ARP/MS
  Controll
  Perform Set
  USB monitor
  Audio IN
  Audition
  Filter/AMPFc/Q/EG int.(Offset)
  Fx Insert FX (A/B)と3Band/2bandEQがあります。

 上記は他のEngineと同じparameter

  Filter EG (offset)
  Amp EG(offset)
  Part LFO

Zone Settingsは他の音源と基本は同じ
AN-X Settings要素Part 本体(各EngneのElement要素)



AN-X Settings要素

OSC波形 SIN/TRI/RECT/SAW1/SAW2 Shaper、PWM他で波形が変化。
OSCはFreeRunなのでPCMに比べてPolyで弾いたときや複数のVCO時、位相の差が顕著に出る。 OSCの設定によっては挙動がおかしくなるのは仕様かBugかよくわからず?これだけ高機能だとなんらかのBugはつきものなのでしょうしAN-X Engineあたりはそれが出やすい??

Modulation は海外SynthのようなMatrix Modulationが無く固定Mod.としてVCO/VCF/VCA/modifierに対して専用のEG/LFOが配置されているのと多くのparameterにVelocityがmod.としてかけられる。

* と思ったらControl AssignというPageがMatrix ModulationのPageに該当するpageでしたがManualにはこのDestinationの詳細は無しなので実機のLCDを見るしかない。さらにMod. SouceはMIDI CCによる再定義が可能です。

Voltage Drift Pitchの時間による不安定さの表現?

Ageing 上記のVoltage Driftに機材の経年変化を加味する?

Osc Reset 関係のparameterは豊富でこれにより複数のOSCのKey ON発音時の他OSCの干渉が表現できます。すなわちOSCはFreeRunで動いているのでPCMのように複数のOSCが同時位相では発音しないので必要に応じてResetができる

RING AM変調としてのRINGでOSC1/2に対してOSC3が作用します。スペクトルとしては基音に対して低/高 左右にSIDE BANDが生じます。FMのようにたくさんのSIDE ANDができるわけではありません。

FM はVCO3 outに対するキャリアとしてのVCO1/2のMod. Att.はManualのみでVCA的なものはついていず、VelocityだけはAtt.に反応しますがEGでMod.できないのが残念ではありますが別にFMエンジンがついているのでおまけ的な機能というか波形の変形のみはできます。Analog Linear FMをモデリングしているのでキャリアとモジュレータのpitchが整数倍にあれば基本Pitchは変化しないで波形をくずせます。

と思ったらVontroller(Matrix Modulation)でFMの深度をControllできますがEG Mod.はないので他のModulatorでは可能。

基本analog FMなので両OSC.のキャリアとモジュレータのPitchは同じ数値にしても完全に合っていないのでpitch parameterを調整してしっかり合わせないとうまく波形がlockされません。とはいえど基本Digital Synthではあるので合わせることは本物のAnalogよりは楽です。

このFM時の挙動を見ているとmodulation INDEXの影響がないようにも見えます。内部で補正しているのか単なるphase modulationなのか?

PWM は方形波だけでなくSAW波に対して可能でたとえばSAW波にかけると2OSCのDetune的波形になるのでPWMをLFO/EGでかけるとDetune Chorusが1OSCで可能になるというSuper SAW波形になります。 SIN波では波形の振幅のみ変化。TRI波では上下がつぶれます。

Shaper
SAW: UPSAW時波形の下がまるまってグリッジが発生し新に山が発生。
   最後は大小の山あるSAW波の傾斜を残した矩形波もどき。
TRI: 波形の上下がまるまって折り返す。最後はギザギザの矩形波
SIN: 波形の上下がまるまって折り返す。最後は細かいギザギザの矩形波
RECT: 変化無し(傾きが直角の波形は変化しない)

Wave Invert 位相を180度反転できるのでたとえばOSC1と2をSAW波にして片方にちょっとVibrateをかけると合成波形は矩形波のPWMになります。

Self Sync 始めはAnlog SynthのsyncのようにOSC3でOSC1/2をSyncするのかと思ったがそうではなくSelf Syncとなっていてanalog SynthのSyncのHard syncとはとかなり異なり Kurzweil VASTのWRAPと似たような効果である。Sync Pitchで開始周波数を決めるようです。

NOISE NoiseはNoise用Filter付き。

OSC波形の変形要素(倍音付加要素)
1: OSC FM
2: OSC RING
3: OSC shaper
4: OSC Sync
5 OSC PWM(全波形対応)
6: Modifier
7: Filter/AMP Soft Clipper

これらの機能はanalog synthというよりはDigitalのNon-linear Functionといった感じでKurzweil VASTのNon-linearFunction動作に近いのでじっくり波形をオシロで観測しないと動作がわかりません。わりと同傾向の効果かとは思います。これくらいManualで紹介してほしいものです。

別途波形変化を紹介します。 ----> 波形変化(準備中)
 

 

 


VCF(Filter)MIXER はALESIS IONのpre/post Mixerと同様の機能でOSC出力をFilterをjumpしてAMPにMIXできる機能ですがAN-XではOSC段階で波形をかなり変形できるのでより有効な機能です。

VCF(Filter)上記のようにVCFの前にPre/Post MIXERが付くのが特徴。FilterはAWM2と同様と思ったらちょっと違う。Filterが10種類だが2台の直列接続。Resonanceは発振可能だが自己発振はしない(*1)。

VCA(AMP) 必ずKEY ONしていないとOutPutに波形が出ない仕様であってAMPのinitial Levelはありません。 YAMAHAのかつてのMono synthにはついていましたがPoly Synthにはついていませんでしたのでそうなのでしょう。 systemの機能としてはKBD HoldというSWがあるのでこれをONにすればVCA Hold的な動作はできます。

Modfire はFilterの前段に配置されておりKurzeilVASTのNon-linear FunctionのShaperとほぼ同等の機能。振幅が閾値を超えるとそれ以後は反転して折り返すfunction。よってOSC. OUT Levelによっても挙動がかわります。わりと売りの機能なのにManualにも詳細がかかれていないのはどうしてか?。(SIN波の時の簡単な図はありますが)

Drive FilterとAMPにoverdriveがついておりMAXにすると全ての波形が矩形波になりますOSCが矩形波 意外の波形では完全にはClipsinaiyoudeは少し丸みを帯びています。



* modulator関係

EG/LFO/velocity Mod 等は他のAWM2音源と同様な機能でありVCF(filter)/VCA(Amp)もAWM2と同様だと思われrるのでVAと言ってもAWMとの違いはVCO(Osc)の機能のみだと思われる。... とおもったらFilterはちょっと挙動が違うようです。

EG/LFOはAWM2音源から一部簡略化されてEGはADSRのみ。LFOは自分で波形を作れるFree LFO機能はPartLFOのみ可能(FX用)でAN-X音源部では無し(FXのparameterに作用する?)。またEG/LFO自体にMOD.をかけることはできません。

さらにはMODX-Mにおいては3種のSound Engineに対してmatrixModulationこそないのではあるが多種のsequencer機能の付いたModulator(Super KnoB/Motion Seq/Knob)を持っています。

* MarixModulationがないと思っていたらControl Settings Pageがそれに該当するようです。

Controller Boxという概念がMODX Mにはあるようでこれは一種のMatrix Mod.だと思いますがController Box SourceとController Box Destinationが Data ListManualには明記されていますがManulalではDestination等がはしょられています。

Controller Box Source
----------------------
一般的なBend/Wheel/Breath Controller等から始まってKnob/Motion Seq/
Envelope Followerがsourceのようです。

Controller Box Destination -------------------------- Common Parameter AWM Parameter FM Parameter AN-X Parameter System Parameter Part Assignable Knob Non-TG Parameter AN-X Parameter 2 VCM Rotary Parameter AN-X Parameter 3 LFO Box Destination Common Parameter AWM Parameter Key Controller Box Destination * これらはControl Settings Edit画面で現れます。

Matrix Modulation
ControlAssign
という名のPageで設定できます。SourceとDistinationグループは上記のような物でDistinationグループ内のDestination Parameterは色々ですがこれもManualには明記されていません

実際Sourceは41個、
0  Pitch Bend 
1  Modulation Wheel 
2  After Touch 
3  Foot Controller 1/2 
5  Foot Switch 
6  Ribbon Controller 1
7  Breath Controller 
8  Assignable Knob 1/2/3/4/5/6/7/8
16 Super Knob
17 Assignable Switch 1 /2 
19 Motion Seq(MS Lane) 1 / 2 / 3 /4
23 Envelope Follower 1 .. 16
39 Envelope Follower A/D 
40 Envelope Follower Master

* 他社ではよくある KEY(Tracking)が無い。(固定Mod.としてついているModule
  もあるにはあるが)

* EG/LFOは固定で各Moduleに設置されているのでMod. Souceにはないのがなんとも。
 すなわちOSC/Noiseの出力を簡単にEGでcontrollできない。FMのmod Leveも同様。
 下記のようにDistinationには各OutPUTはある。ちょとした所にもdefaultでEG
 がかけられるのに。ということはMatrix Mod.に対する設計思想が普通と違うのか
 Power配分等の問題か?。

* SourceにMIDI CC等はないですがControl NumberPageでRibbon、Konb等を自由にMIDI CCに割り当てることができます。MIDI IN / OUT共に再設定SWにreMapされます。

外部MIDIを使う場合は自由にMIDI CCに割り当てられますが本体のみで使用する場合は当然上記の41個のSourceのみです。

Destinationは
For Part
InsA Parameter (24)
InsB Parameter (24)
AN-X Parameter (32)
AN-X2 Parameter (02)
AN-X3 Parameter (13)
VCM RotaryParameter (24)
PartAssign1 Parameter (10)
PartAssign2 Parameter (15)
* AWM2とFMXの独自のPrarameterは除く
* AN-X..X3のparameterでほとんどのAN-Xの主 parameterにAssign可能

For Common
Common Parameter(19)
InsA Parameter (24)
InsB Parameter (24)
A/D Parameter(03)
Reverb Parameter (24)
Variation Parameter (24)
Master FX Parameter (24)

さらにはDistinationのparameterとしてカーブとかいろいろなparameterを持っていてカーブ自体を自分でEditすることもできとても複雑で多機能なのですがこれは各Engine共通ということでAWM2のControl Assign Pageに書かれています。

当然のことながらMIDI EXclusiveの MIDI PARAMETER CHANGEを使えば全parameterはEDITできるわけですがとても膨大ですね。AN-X 1PartでProgram Dataはどのくらいでしょう?。

これらのMatrix ModulationはSuperKnob、Motion Sequencerに統合して使用されることを前提として感がられているのでしょうから単なるMatrix Mod.とは特にMod Souceが違うという感じがします。だからsourceにEGがないのでしょう。

ManualにはDistinationの parameterがどこにも書かれていないので実機の画面から読み取ったものを以下に示します。(total 47)

AN-X   Parameter(32)
PAN                Noise Tune
LFO SPEED          Noise Out
PEG Attack         Filter EG Attack
PEG Release        Filter EG Decay
OSC Wave           Filter EG Release
OSC Freq           Filter Cutoff EG
OSC Pitch LFO      Filter CutoffLFO
OSC Pitch EG       Filter Resonance
OSC PW             Filter Drive
OSC PW EG          AMP  AttacK
OSC PW LFO         AMP  Decy
OSC Sync PEG       AMP  Release
OSC Sync LFO       AMP  LFO
OSC Shaper
OSC Shaper LFO
OSC Shaper EG
OSC FM
OSC RING
OSC OUT

AN-X2   Parameter(02)
Unison Detue 
Unison Spread

AN-X3  Parameter(13)
LFO Speed Pitch
LFO Speed OSC
LFO Speed Modifire
LFO Speed Filter
LFO Speed AMP
Wavefolder
Folder EG
Forder LFO
Folder Texture
Folder Type
Modifire EG Attack
Modifire EG Decay
Modifire EG Release
基本的に各sectionの velocity Mod.とMIXER関係の要素とEGのSustainをを除いた殆どのParameter


Performancen要素 System全体(Peformance)としてはMaster FX/ Reverb / variation FX / Master EQを搭載しています。他社とことばの使い方が異なるので混同しがちで注意が必要。

VCO(OSC)
VCO *3 (SAW1/SAW2/RECT/TRI/SINE)
PWM (各波形に対して可能)
SYNC (SYNCはSelf SYNCなので3基ともSYNC可能)
Analog VCOの作法とは少し違うSyncでSyncのInitial Levelを設定できる。
RING 
Shaper 
FM AnalogLinearFM?
* 全てmanualではparameterのみ書かれており詳細はオシロで確かめないと
 わからない。

MIXER/Modifier
MIxerのPassをVCFかVCAの選択
Modifierは波形のGAINがあるところ以上になると反転して折り返す
Non-Linear FunctionでいくつかのCharactorが選択できる。
Kurzweil VASTのShaperとDouble shaperほぼ同じ感じ。
parameter
Wave folder:折り返す敷居値振幅の指定?
Texture:Keyの高さで振幅閾値をスケーリングしているようだ?
Folder Type; HardはDoubleShaper SoftはShaperか。
* これも詳細はオシロで確かめないと わからない。

VCF(Filter)
2段直列Filter
AWM2のFilterとresonanceの特性が違う。(10種のLP/HP/BP) 
resonanceは自己発振直前まで可能。(Fcでの倍音振幅一定まではいく)
負帰還VCFのようにresonanceを上げても通過帯域のやせはない。
特に有名なVCFをシミュレーションはしていない模様。Analog時代のYAMAHA
のVCF的?。 Soft Clipperがついている
Key CVはあり
defaultではFilter1がLPF、2がHPFに割り当てられいるので注意(順番に違和感!)。
FXとしては別個にVCM MINI FILTERというのがありますが当然全体でかかり、
1voiceごとにかかるわけではないのであくまでFX。VCM MINI BOOSTERという
のもありますがFXなのでAWM2/FM-X/AN-X共通のFX

VCA(Amp)
Analog SynthのようなInitial GainはないのでKEY ONしない限り音はでません。
KBD Hold SWをONにすればVCA Hold的な動作はできる。
Soft Clipperがついている
defaultでは[Utility]のKey Velocityが指定してあってもVelocityを受けない。
KeyVelocityに反応するためには---> (*)

Pitch EG Modifier EG Filter EG AMP EG ADSR方式 VCO:PW/shape/syncは1個でdepthのみ3個、EGは3OSCで独立 VCOのpitch EGは1個 depthのみ各Oscで独立 Modifier/VCF/VCA Velocity Mod.はあるがKey Mod.関係はないこれもCSを踏まえてのことか *ちなみにAWM2においてはKey Trackingはあり。 Part LFO Pitch LFO OSC LFO Modifier LFO Filter LFO AMP LFO AWM2のLFOと同様 Fdee IN Fade OUTあり KeyMod等のMod.はない * Key Trackingは無い。 VCOの Sync/PW/Shape用1っでDepthのみ3個、このLFOは3OSCで独立 VCOのpitchは partで1個 depthのみ各Oscで独立 Modifier/VCF/VCAは独立  すなわちAN-X partとしては  各VCO/VCF/VCA/Modifierで各1個とPitchLFO用が一個ある  さらにPartLFOがあるがAN-XではInsert FX用のようだ  AWM2のそれらと比べて簡略化 FX EffectはAWM2音源/FM-X音源と同様の構成でAN-X音源としてはInsert A/BとEQ。 FXはどのタイプのFXも選択できるのは国産Synthならのこと KurzweilのようにPAUで管理されていないので扱いやすい。

VelocityAN-XにおいてはVelociyMod.が非常に多い。 ではVeloctyカーブはどこで設定するのか?。 通常は[UTILITY]でタイプを 設定できる。これは鍵盤を弾く速さとMIDI Note Velocityの対応と見てよい?。 内部音源と外部MIDI OUTに対して共通かは書かれていないが...。 カーブはuserが自由にはつくれない。 Keyboard Velocity Curve Normal: Soft 1: Soft 2: Hard 1: Hard 2: Wide: Fixed:Fixed Velocityで設定した値がベロシティー値となる Velocityの影響というとまずはAMPの振幅。 AWM2Engineに置いてはAMP PageのLevel/Vel (Amplitude Level Velocity Sensitivity)で決める。これが0だとvelocityがかからずMAX振幅で出力。 数値を上げると上げた範囲のレベルに対して上記のDynamic rangeが作用 するので数値Maxであれば全範囲にわたってカーブのDymanic rangeが有効。 カーブがFixedでDynamic Rangeが無い場合はFixedの数値が有効、すなわち FixedはDynamic Range=0であるからVelocity Sens.を上げても変化無の固定値 Level/Key (Amplitude Level Key Follow)ピッチに追随してAmp Levelが変化 するがこれはLevel/Velと同様MAX値に対する逆算で効くのでintial値に対して Key上方が加算されるわけではない。 AWM2音源ではLevel/Velの感度に対してもさらにカーブを選択できるがこの場合 [UTILITY]で設定したNote Velocityに対してのAtt.としてのカーブだと思われる (たとえて言うならばVolumeに対するA/B/Cカーブの違い)がそこに対する説明 はない。一方AN-XにおいてはそのAtt.カーブの設定はないがどうしてないかの 説明もない。 要はKey velocityカーブ等を本体や外部MIDIに対して個々に設定できるのか そうではないのかEngineによる例外があるのか等がまとめて書かれていない ので各Pageの内容をかなりに理解しないとしくみがわからない。 これだけ超多機能なのだがら概念的な物を先に適格に書いてもらいたいものです。 AMP Block以外のVelocity Mod.も同様にたとえばFilterのFcであればFcの設定値 に対してVelo Modをかければ同様にInitialのFc値がMaxでMax値 - Velo Mod値分 のDynamic Range分がvelocityの対象になるようだ。 これらの基本概念のちょっとした説明がなく単にVelocity Mod.が可能ということ ばしかなく、音源の基本的な設計思想的な部分がManualでは明記されていない。 これは各社でparameterの考え方が違うとか方言部分があったりするとUserは混乱 します。

AWM2とANXのAMP Velocity Settingの違い AWM2は[Utility]でKey Velocity Curveを設定した後音源側の設定として A: PartCommnで TG Vel Limit (Velocity Limit) Velocity Offset (Velocity Sensitivity Offset) Velocity Depth (Velocity Sensitivity Depth) が設定できる。 B: さらに各Elementにおいて 1: Vel Cross Fade (Velocity Cross Fade) 2: Pitch / Filter の EG Mod.に対して Depth/Vel (Depth Velocity Sensitivity) Curve (Depth Velocity Sensitivity Curve) が指定できる。 3: AMP EGでは Level/Vel (Level Velocity Sensitivity)   Offset (Level Velocity Offset) Curve (Level Sensitivity Key Curve) が指定できる。 AN-Xでは音源側としては A:の要素は無く 1: Pitch / Filter / Modifire / AMP EG Mod.に対して Level(Depth) の指定のみできる。 * なおAN-XのEGはADSRのみでAW2のEGはもっとparameterが多く細かい  Scalingもできる。と言うようにAWM2/AN-Xで同じ名前のFilter / AMP でもparameter 機能等がちがうので注意が必要。

Part Commonにおける FilterEG/AMP EG XG、GM音源における相対指定と同じです。単純にはPanelの4っのKnobに対応 しているものと同じですがなぜかEdit parameterになっているということです。 同じPart Common parameterでもPart LFOは意味合いが違うのが統一性が とれていないというか。

最終出力GAIN等[UTILITY] → Settings → Audio I/O 最近のSynthは256Voice等多VoiceなのでOutputの音量設定は重要で単音色出力と Multi等で音量差がありすぎることを考慮して単音色ではLevelは小さめ。 単音色でのの場合の音量が少ないと出音の印象も変わってしまうしvelocityの設定 要素も多くある。 最近の機種には歪まないように等出力段にはCompressorが 入ってはいるが。 SystemのOUT PUT GAIN、USB関係やVelocty感度、Load/Save等の操作は UTILITY SWからPageを呼び出す。Part EDIT以前に理解する必要のあるPage。

Performance Home[PERFORMANCE]ボタン Part EDITに際してもPerformanceがProgramの最上位概念なので 最低限このPageは理解しないと始まらない。 かなりの画面数がある。ここに出てくるparameterの理解も必要。

Part CommonAWM2においてはElementが複数あるのでPart Commnは文字どおり Partに共通する項目を指すのだがAN-Xは1Element構成なのでOSC1/2/3/Noise 以外のfilter/AMP等をひっくるめてPart Commonとして扱うので全体としての 言葉の共通性が無くなりわかりづらい。

* 具体的なAN-X EDIT Page Parameter *


音色のParameterだけでも以下に示すようにとにかく多く混乱します。 下記ParameterでいくとIns Assign Pageまでが音色関係でArpeggio 以降が音色以外のparameter群です。(このこともあってmanualではEdit 階層/体系等についてもっと詳しくわかりやすく書いてほしいです。) 自分でまとめ直さないとわからないし全てのparameterを把握はできない のでどこをEditしたかもわからなくはなるでしょう。 すなわちデフォルトでいじらないParameterも多いでしょう。 比較的シンプルな構成であるVA synthなのですがparameterが膨大。 他のEngineと共通部分もあるのも増える要素ではありますがLFOや EGの数がやたらと多いこともその一つかとも思いますがHard Ware Editor と同様に一度つまみに置き換えて見ないと把握できない?。 PART PAGE   * AN-X navigation画面からEditしたいPageをTap      Page画面に入ってからは 左のメニューからさらに他のPageを選んだり   * Part COMMON要素は    Performance --> common ---> EDIT Key       * Part No 要素は     Part 1.. 16 (AWN2 / FM-X / AN-Xpage)    Performance --> Part ---> EDIT Key    AN-X PAGE     * COMMON ............ OSC1/2/3/Noise以外のEDIT Root Page     * OSC1 .. OSC3 ...... OSC1/2/3 EditのRoot Page     * NOISE ............. Noise Edit Page ====================================================== Part EDIT (AN-X) ====================================================== part1..16 Common からPart選択し A: COMMON ---->Commn/Osc1/2/3/Noiseから Common選択 1: General/Pitch Part Settings (他engineと共通l項目) Zone Settings (他engineと共通l項目) AN-X Settings Pitch Pitch EG Pitch LFO 2: ModiFier 3: Filter /Amp 4: Effect 5: ARP / MS 6:Mod /controll B: Oscillator 1/2/3 Edit--> Commn/Osc1/2/3/Noise から1/2/3選択 C: Noise Edit --->Common/Osc1/2/3/ Noiseから NOISEを選択 AN-X paratにおけるCommonとその他(OSC1/2/3/Noise)の区別というのが AWM2のPartにおけるCommon / Elementの関係と若干違うのでここも混乱 する要素です。AWM2においてはCommonはElementに共通する要素なのですが AN-Xにおいては基本1Element構成なのでOSC1/2/3/Noiseという音源要素以外 のAWM2のCommonに該当する要素とMixer/modifier/Filter/AMPの要素を まとめてcommon扱いにしており統一性が悪いので多少混乱します。 A: COMMON EDIT
上のTab: MODX-M M全体のPartとCommon / AN-Xにおける項目 AN-X: Common /Osc1/2/3 Noiseの選択Page。 左のTab:上図ではAN-Xのcommonの12個のPageに分かれている OSC/Noiseを選べば別のPage要素が表示される 1:General/Pitch(root PAGE) ================================== 1-1:Part Settings (他engineと共通l項目) 1-2:Zone Settings (他engineと共通l項目) 1-3:AN-X Settings -------------------------------- 01:Unison 設定値: Off、2、4 02:Unison Detune 設定値: 0 〜 15 03:Unison Spread 設定値: 0 〜 15 04:OSC Reset 05:Voltage Drift 06:Ageing Offset(panel Knob連動要素) 01:Filter Offset Cutoff (Filter Cutoff Frequency) 02:Filter Offset Resonance (Filter Offset Resonance/Width) 03:Filter Offset FEG Depth Filter Type Edit画面に移行 Filter EG Edit画面に移行 01:AEG Offset Attack (AEG Attack Time) 02:AEG Offset Decay (AEG Decay Time) 03:AEG Offset Sustain (AEG Sustain Level) 04:AEG Offset Release (AEG Release Time) Amp EG Edit画面に移行 1-4: Pitch PAGE Part Edit (AWM2) Part Common Edit画面のGeneral/Pitch → Pitch と同じとしてManualには省略されています。 01:Master Sw (Portamento Master Switch) 02:Note Shift 03:Detune Pitch Control Group 04:Mono/Poly 05:Pitch Bend↓ (Pitch Bend Range Lower) 06:Pitch Bend↑ (Pitch Bend Range Upper) Edit Control Assign 07:Portamento (Portamento Part Switch) 08:Mode (Portamento Mode) 09:Time (Portamento Time) 10:Time Mode (Portamento Time Mode) 11:Legato Slope (Portamento Legato Slope) 02:Micro Tuning Name 03:Root (Micro Tuning Root) 04:Edit User Tuning 1-5: Pitch EG PAGE 01:Attack (Pitch EG Attack Time) 02:Decay (Pitch EG Decay Time) 03:Sustain (Pitch EG Sustain Level) 04:Release (Pitch EG Release Time) 05:Time/Vel (Pitch EG Time Velocity Sensitivity) 06:PEG Depth - Osc 1 07:PEG Depth - Osc 2 08:PEG Depth - Osc 3 1-6: Pitch LFO PAGE 01:Wave (Pitch LFO Wave) 02:Key On Reset (Pitch LFO Key On Reset) 03:Speed (Pitch LFO Speed) 04:Delay (Pitch LFO Decay Time) 05:Fade In (Pitch LFO Fade In Time) 06:Phase (Pitch LFO Phase) 07:Pitch LFO Depth - Osc 1 08:Pitch LFO Depth - Osc 2 09:Pitch LFO Depth - Osc 3 2:Modifier PAGE (root PAGE) ===================================================== 01:Texture (Modifier Wave Folder Texture) 02:Folder Type (Modifier Wave Folder Type) 03:Folder/Vel (Modifier Wave Folder Velocity Sensitivity) Modifier EG PAGE 01:Attack (Modifier EG Attack Time) 02:Decay (Modifier EG Decay Time) 03:Sustain (Modifier EG Sustain Level) 04:Release (Modifier EG Release Time) 05:EG Depth (Modifier Wave Folder EG Depth) 06:Time/Vel (Modifier EG Velocity Sensitivity) Modifier LFO PAGE 01:Wave (Modifier LFO Wave) 02:Key On Reset (Modifier LFO Key On Reset) 03:Speed (Modifier LFO Speed) 04:Delay (Modifier LFO Decay Time) 05:Fade In (Modifier LFO Fade In Time) 06:Phase (Modifier LFO Phase) 07:LFO Depth (Modifier Wave Folder LFO Depth) 3:Filter/Amp PAGE (root PAGE) ==================================================== MixingPAGE 01:FM 3 → 1 (Oscillator 1 FM Level) 02:FM 3 → 2 (Oscillator 2 FM Level) Osc 1 (Oscillator 1) Osc 2 (Oscillator 2) Osc 3 (Oscillator 3) Noise 03:Ring 3 → 1 (Oscillator 1 Ring Level) 04:Ring 3 → 2 (Oscillator 2 Ring Level) 05:1 (Oscillator 1 Out Level) 06:2 (Oscillator 2 Out Level) 07:3 (Oscillator 3 Out Level) 08:Noise (Noise Out Level) 09:Connect 1 (Oscillator 1 Out Select) 10:Connect 2 (Oscillator 2 Out Select) 11:Connect 3 (Oscillator 3 Out Select) 12:Noise Connect (Noise Out Select) Modifier Edit画面に移行 Filter 1 Edit画面に移行 Filter 2 Edit画面に移行 Amplifier Edit画面に移行 Filter Type PAGE 01:Filter 1 Type 02:Filter 2 Type 03:Cutoff 1(Filter Cutoff) 04:Cutoff 2(Filter Cutoff) 05:Resonance 1(Filter Resonance) 06:Resonance 2(Filter Resonance) 07:Cutoff/Vel 1(Filter Cutoff Velocity Sensitivity) 08:Cutoff/Vel 2(Filter Cutoff Velocity Sensitivity) 09:Resonance/Vel 1(Filter Resonance Velocity Sensitivity) 10:Resonance/Vel 2(Filter Resonance Velocity Sensitivity) 11:Cutoff/Key1 (Filter Cutoff Key Follow) 12:Cutoff/Key2 (Filter Cutoff Key Follow) 13:Filter 1 Drive (Filter 1 Saturator Drive) 14:Filter 2 Drive (Filter 2 Saturator Drive) 15:Filter 1 Drive/Vel (Filter 1 Saturator Drive Velocity Sensitivity) 16:Filter 2 Drive/Vel (Filter 2 Saturator Drive Velocity Sensitivity) 17:F1 Out Level (Filter 1 Out Level) 18:F2 Out Level (Filter 2 Out Level) Filter EG PAGE 01:Attack (Filter Cutoff EG Attack Time) 02:Decay (Filter Cutoff EG Decay Time) 03:Sustain (Filter Cutoff EG Sustain Level) 04:Release (Filter Cutoff EG Release Time) 05:FEG Depth - Filter 1 06:FEG Depth - Filter 2 07:Time/Vel (Filter Cutoff EG Time Velocity Sensitivity) 08:FEG Depth/Vel - Filter 1 09:FEG Depth/Vel - Filter 2 Filter LFO PAGE 01:Wave (Filter Common Cutoff LFO Wave) 02:Key On Reset (Filter Common Cutoff LFO Key On Reset) 03:Speed (Filter Common Cutoff LFO Speed) 04:Delay (Filter Common Cutoff LFO Decay Time) 05:Fade In (Filter Common Cutoff LFO Fade In Time) 06:Phase (Modifier LFO Phase) Amp EG PAGE 01:Attack (Amplitude EG Attack Time) 02:Decay (Amplitude EG Decay Time) 03:Sustain (Amplitude EG Sustain Level) 04:Release (Amplitude EG Release Time) 05:Level (Amplitude Level) 06:Drive (Amplitude Saturator Drive) 07:Level/Vel (Amplitude Level Velocity Sensitivity) 08:Level/Key (Amplitude Level Key Follow) 09:Time/Vel (Amplitude EG Time Velocity Sensitivity) Amp LFO PAGE 01:Wave (Amplitude LFO Wave) 02:Speed (Amplitude LFO Speed) 03:Delay (Amplitude LFO Decay Time) 04:Fade In (Amplitude LFO Fade In Time) 05:Phase (Amplitude LFO Phase 06:Depth (Amplitude Level LFO Depth) 4: Effect (root PAGE) =================================== 他音源と同様のParameter Routing PAGE ------------ Ins A、Ins B PAGE ----------------- 3-band EQ PAGE ----------------- 2-band EQ PAGE ----------------- Ins Assign PAGE ----------------- 5: Arp/MS (root PAGE) ==================================== 他音源と同様のParameter Arp Common PAGE ---------------- Individual PAGE ---------------- Advanced PAGE ---------------- MS Common PAGE ---------------- Lane PAGE --------------- 6: Mod/Control (root PAGE) ======================================= 他音源と同様のParameter Control Assign PAGE ------------------- Filter Sw PAGE ------------------- After Touch PAGE ------------------- Tx/Rx Switch PAGE ------------------- Control Settings PAGE  上記のController Boxに該当するMatrixModulationです --------------------- Part LFO PAGE --------------------- B: Oscillator(1/2/3) EDIT

左のTab: OSCのmain EDIT画面でOsc/Tume、OSC EG 、OSC LFOのTab 上のTab: Osc1/2/3 Noiseの選択TabがありさらにPart、Commonの選択Tabがある。

Osc/Tune PAGE OSC1------------------------------------------------- 01:Wave (Oscillator1 Wave) 02:Invert (Oscillator1 Out Invert Enable) 03:Connect (Oscillator1 Out Select) 04:Octave (Oscillator1 Octave) 05:Pitch (Oscillator1 Pitch) 06:Out Level/Vel (Oscillator1 Out Level Velocity Sensitivity) FM (周波数変調) 07:FM Level (Oscillator1 FM Level) 08:FM Level/Vel (Oscillator1 FM Level Velocity Sensitivity) リングモジュレーション 09:Ring Level (Oscillator1 Ring Level) 10:Ring Level/Vel (Oscillator1 Ring Level Velocity Sensitivity) オシレーターシンク 11:Sync Pitch (Oscillator1 Self Sync Pitch) 12:Sync Pitch/Vel (Oscillator1 Self Sync Pitch Velocity Sensitivity) Pulse Width (パルス幅) 13:Pulse Width (Oscillator1 Pulse Width) 14:PulseWidth/Vel (Oscillator1 Pulse Width Velocity Sensitivity) 15:Wave (Oscillator1 Wave) 16:Invert (Oscillator1 Out Invert Enable) 17:Connect (Oscillator1 Out Select) 18:Octave (Oscillator1 Octave) 19:Pitch (Oscillator1 Pitch) 20:Out Level/Vel (Oscillator1 Out Level Velocity Sensitivity) FM (周波数変調) 21:FM Level (Oscillator1 FM Level) 22:FM Level/Vel (Oscillator1 FM Level Velocity Sensitivity) リングモジュレーション 23:Ring Level (Oscillator1 Ring Level) 24:Ring Level/Vel (Oscillator1 Ring Level Velocity Sensitivity) OSC2------------------------------------------------ 01:Wave (Oscillator2 Wave) 02:Invert (Oscillator2 Out Invert Enable) 03:Connect (Oscillator2 Out Select) 04:Octave (Oscillator2 Octave) 05:Pitch (Oscillator2 Pitch) 06:Out Level/Vel (Oscillator2 Out Level Velocity Sensitivity) FM (周波数変調) 07:FM Level (Oscillator2 FM Level) 08:FM Level/Vel (Oscillator1 FM Level Velocity Sensitivity) リングモジュレーション 09:Ring Level (Oscillator2 Ring Level) 10:Ring Level/Vel (Oscillator1 Ring Level Velocity Sensitivity) オシレーターシンク 11:Sync Pitch (Oscillator2 Self Sync Pitch) 12:Sync Pitch/Vel (Oscillator1 Self Sync Pitch Velocity Sensitivity) Pulse Width (パルス幅) 13:Pulse Width (Oscillator2 Pulse Width) 14:PulseWidth/Vel (Oscillator1 Pulse Width Velocity Sensitivity) 15:Wave (Oscillator1 Wave) 16:Invert (Oscillator2 Out Invert Enable) 17:Connect (Oscillator2 Out Select) 18:Octave (Oscillator2 Octave) 19:Pitch (Oscillator2 Pitch) 20:Out Level/Vel (Oscillator2 Out Level Velocity Sensitivity) FM (周波数変調) 21:FM Level (Oscillator2 FM Level) 22:FM Level/Vel (Oscillator2 FM Level Velocity Sensitivity) リングモジュレーション 23:Ring Level (Oscillator2 Ring Level) 24:Ring Level/Vel (Oscillator2 Ring Level Velocity Sensitivity) OSC3------------------------------------------------- 01:Wave (Oscillator3 Wave) 02:Invert (Oscillator3 Out Invert Enable) 03:Connect (Oscillator3 Out Select) 04:Octave (Oscillator3 Octave) 05:Pitch (Oscillator3 Pitch) 06:Out Level/Vel (Oscillator3 Out Level Velocity Sensitivity) オシレーターシンク 07:Sync Pitch (Oscillator3 Self Sync Pitch) 08:Sync Pitch/Vel (Oscillator1 Self Sync Pitch Velocity Sensitivity) Pulse Width (パルス幅) 09:Pulse Width (Oscillator3 Pulse Width) 10:PulseWidth/Vel (Oscillator3 Pulse Width Velocity Sensitivity) 11:Wave (Oscillator1 Wave) 12:Invert (Oscillator3 Out Invert Enable) 13:Connect (Oscillator3 Out Select) 14:Octave (Oscillator3 Octave) 15:Pitch (Oscillator3 Pitch) 16:Out Level/Vel (Oscillator3 Out Level Velocity Sensitivity) Wave Shaper 01:Shaper (Oscillator Wave Shaper) 01:Shaper/Vel (Oscillator Wave Shaper Velocity Sensitivity) 01:Pitch EG Settings 01:Pitch LFO Settings Osc EG PAGE 01:Attack (Oscillator EG Attack Time) 01:Decay (Oscillator EG Decay Time) 01:Sustain (Oscillator EG Sustain Level) 01:Release (Oscillator EG Release Time) 01:Osc EG Depth Sync (Oscillator Self Sync EG Depth) 01:Osc EG Depth Pulse Width (Oscillator Pulse Width EG Depth) 01:Osc EG Depth Shaper (Oscillator Wave Shaper EG Depth) Osc LFO PAGE 01:LFO Wave (Oscillator LFO Wave) 01:Key On Reset (Oscillator LFO Key On Reset) 01:Speed (Oscillator LFO Speed) 01:Delay (Oscillator LFO Delay Time) 01:Fade In (Oscillator LFO Fade In Time) 01:Oscillator LFO Phase 01:Osc LFO Depth Sync (Oscillator Self Sync LFO Depth) 01:Osc LFO Depth Pulse Width (Oscillator Pulse Width LFO Depth) 01:Osc LFO Depth Shaper (Oscillator Wave Shaper LFO Depth) C: Noise EDIT


左のTab: NOISE 上のTab: Osc1/2/3 Noiseの選択TabがありさらにPart、Commonの選択Tabがある 01:Noise Tone (Noise Generator Tone) 02:Out Level (Noise Generator Out Level) 03:Out Level/Vel (Noise Generator Out Level Velocity Sensitivity) 04:Connect (Noise Generator Out Select)


他engineと共通l項目

>
* MODX-Mの全体構造(音源以外の構造が膨大) 他engineと共通l項目を以下にしめしますが大変膨大なparameter群です。 Control & Modulation Arpeggios / Motion Sequence / Controllerを含む parameterなので膨大です。ここではどんなparameterがあるかのみを 列挙しました。詳細はManualを参照のこと 1: Part Settings   Performance --> common ---> EDIT Key 2: Zone Settings   Performance --> Part ---> EDIT Key --> Zone Setting Element Settings Pitch Filter/Amp Effect Ins A、Ins B 3-band EQ 2-band EQ Ins Assign Arpeggio Common Individual Advanced Motion Seq Common Lane Sync/Speedタブ Loop/Lengthタブ Mod/Control Control Assign After Touch Tx/Rx Switch Control Settings Part LFO 1: Part Settings ================================================================ Main Category (Part Main Category) Sub Category (Part Sub Category) Part Name Volume Pan Dry Level Var Send (Variation Send) Rev Send (Reverb Send) Part Output (Part Output Select) Mono/Poly Key Assign (Key Assign Mode) 設定値: Single、Multi Arp Play Only (Arpeggio Play Only) Element Pan (Element Pan Switch TG Note Limit (Note Limit) TG Vel Limit (Velocity Limit) Velocity Offset (Velocity Sensitivity Offset) Velocity Depth (Velocity Sensitivity Depth) 2: Zone Settings ================================================================== Keyboard Sw (Keyboard Control Switch) Zone Vel Limit (Zone Velocity Limit) Zone Note Limit Octave Shift Part Mode Tx/Rx Ch (Transmit/Receive Channel) Transmit Ch MIDI Settings MIDI Send Bank Select (Transmit Bank Select) MIDI Bank MSB MIDI Bank LSB Pgm Change (Transmit Program Change) MIDI Pgm Num (MIDI Program Number) Vol/Exp (Transmit Volume/Expression) MIDI Volume Pan (Transmit Pan) MIDI Pan Edit Tx/Rx Switch Element Settings ---------------- Ex Elem Sw (Extended Element Switch) Element Count Pitch ------ Master Sw (Portamento Master Switch) Note Shift Detune Pitch Control Group Mono/Poly Pitch Bend↓ (Pitch Bend Range Lower) Pitch Bend↑ (Pitch Bend Range Upper) Edit Control Assign Portamento (Portamento Part Switch) Mode (Portamento Mode) Time (Portamento Time) Time Mode (Portamento Time Mode) Legato Slope (Portamento Legato Slope) Micro Tuning Name Root (Micro Tuning Root) Edit User Tuning Filter/Amp ---------- Filter FEG Atk (FEG Attack Time) FEG Decay (FEG Decay Time) FEG Sus (FEG Sustain Level) FEG Rel (FEG Release Time) Cutoff (Filter Cutoff Frequency) Resonance (Filter Resonance) FEG Depth Amp EG AEG Attack (AEG Attack Time) AEG Decay (AEG Decay Time) AEG Sustain (AEG Sustain Level) AEG Release (AEG Release Time) Effect -------- Routing Element (Element Select) Connect (Element Connection Switch) 3-band EQ Expression (Expression Type) Exp. Curve (Expression Curve) Ins Connect (Insertion Connection Type) A (Insertion Effect A Switch) B (Insertion Effect B Switch) Type (Insertion Effect Type) Preset (Insertion Effect Preset) Side Chain (Insertion Side Chain Part) Modulator (Insertion Modulator Part) Dry Level Part Output (Part Output Select)にMainL&Rを選んだときだけ有効です。 2-band EQ Rev Send (Reverb Send) Var Send (Variation Send) Envelope Follower Part Output (Part Output Select) Ins A、Ins B ------------ Insertion FX Switch Category (Insertion Effect A Category) Category (Insertion Effect B Category) Type (Insertion Effect A Type) Type (Insertion Effect B Type) Preset (Insertion Effect A Preset) Preset (Insertion Effect B Preset) Side Chain (Insertion Effect A Side Chain Part) Side Chain (Insertion Effect B Side Chain Part) Modulator (Insertion Effect A Modulator Part) Modulator (Insertion Effect B Modulator Part) Effect Parameter 3-band EQ --------- EQ Low Gain (3band EQ Low Gain) EQ Low Freq (3band EQ Low Frequency) EQ Mid Gain (3band EQ Mid Gain) EQ Mid Freq (3band EQ Mid Frequency) EQ Mid Q (3band EQ Mid Q) EQ Hi Gain (3band EQ High Gain) EQ Hi Freq (3band EQ High Frequency) 2-band EQ ---------- EQ1 Type (2band EQ 1 Type) EQ2 Type (2band EQ 2 Type) EQ 1 Gain (2band EQ 1 Gain) EQ 2 Gain (2band EQ 2 Gain) EQ 1 Freq (2band EQ 1 Frequency) EQ 2 Freq (2band EQ 2 Frequency) EQ 1 Q (2band EQ 1 Q) EQ 2 Q (2band EQ 2 Q) Output Level (2band EQ Output Level) Ins Assign ---------- Active (Active Part) Part 9 〜 16


Arpeggio ======== Common ------ Arp Part (Part Arpeggio Switch) Arp Master (Arpeggio Master Switch) Sync Quantize (Arpeggio Sync Quantize Value) Arpeggio Group Indicator Hold (Arpeggio Hold) Change Timing (Arpeggio Change Timing) Key Mode (Arpeggio Key Mode) Loop (Arpeggio Loop) Arp Play Only (Arpeggio Play Only) Swing Unit (Arpeggio Unit Multiply) Quantize Value (Arpeggio Quantize Value) Qntz Strength (Arpeggio Quantize Strength) Gate Time Rate (Arpeggio Gate Time Rate) Velocity Rate (Arpeggio Velocity Rate) Arp Vel Limit (Arpeggio Velocity Limit) Arp Note Limit (Arpeggio Note Limit) Octave Shift (Arpeggio Output Octave Shift) Octave Range (Arpeggio Octave Range) Arp Select (Arpeggio Select) Individual ---------- Arp Part (Part Arpeggio Switch) Arp Master (Arpeggio Master Switch) Sync Quantize (Arpeggio Sync Quantize Value) Arpeggio Group Indicator Arp (Arpeggio Select) Category (Arpeggio Category) Sub (Arpeggio Sub Category) Name (Arpeggio Name) Velocity (Arpeggio Velocity Rate) Gate Time (Arpeggio Gate Time Rate) Advanced -------- Arp Part (Part Arpeggio Switch) Arp Master (Arpeggio Master Switch) Sync Quantize (Arpeggio Sync Quantize Value) Arpeggio Group Indicator Accent Vel Threshold (Arpeggio Accent Velocity Threshold) Accent Start Quantize (Arpeggio Accent Start Quantize) Random SFX (Arpeggio Random SFX) NOTE Random SFX Key On Ctrl (Arpeggio Random SFX Key On Control) Velocity Mode (Arpeggio Velocity Mode) Original: アルペジオタイプに設定されているベロシティーで Trigger Mode (Arpeggio Trigger Mode) Arp Select (Arpeggio Select) Motion Seq =========== Common ------- Common Swing (Common Swing Offset) Common Unit (Common Unit Multiply) Unit (Lane Unit Multiply)がCommonに設定されているレーンに効果します。 Common Amplitude (Common Motion Sequencer Amplitude Performance Offset) Common Shape (Common Motion Sequencer Pulse Shape Performance Offset) Common Smooth (Common Motion Sequencer Smoothness Performance Offset) Common Random (Common Motion Sequencer Randomness Performance Offset) Part Swing (Part Swing) Part Unit (Arpeggio Unit Multiply) Part Amplitude (Part Motion Sequencer Amplitude Part Shape (Part Motion Sequencer Pulse Shape) Part Smooth (Part Motion Sequencer Smoothness) Part Random (Part Motion Sequencer Randomness) View Lane Lane ---- Motion Seq Master Sw (Motion Sequencer Master Switch) Motion Seq Part Sw (Motion Sequencer Part Switch) Lane Select LaneSw (Lane Switch) MS FX (Lane FX Receive) Trigger (Lane Trigger Receive) Sequence Select (Motion Sequence Select) Target Sequence Edit Sequence Motion Seq Step Value Sync/Speedタブ --------------- Sync (Lane Sync) SyncがOffのとき ----------------- Speed (Lane Speed) Delay Time (Lane Key On Delay Time Length) Fade In Time (Lane Fade In Time Length) SyncがOff以外のとき ------------------- Unit (Lane Unit Multiply) Fade In Steps (Lane Fade In Step Length) Lane Vel Limit (Lane Velocity Limit) Loop/Lengthタブ ---------------- Key On Reset (Lane Key On Reset) Sync (Lane Sync)がOff、Tempo、Beat、Arpのときに有効なパラメーターです。 Loop Start (Motion Sequence Loop Start) Length (Motion Sequence Length) MS Grid (Motion Sequencer Grid) Mod/Control =========== Control Assign --------------- Auto Select Display Filter Edit Pitch Bend Edit Motion Sequencer Edit Envelope Follower Page Destination Source Element Sw (Element Switch) 1 〜 128 Curve Type Polarity (Curve Polarity) Ratio (Curve Ratio) Param 1 (Curve Parameter 1) Param 2 (Curve Parameter 2) Destination to Name Edit User Curve Edit Common Control Assign Delete After Touch ----------- Destination Source Element Sw (Element Switch) 1 〜 128 Curve Type Polarity (Curve Polarity) Ratio (Curve Ratio) Edit User Curve Delete Tx/Rx Switch ------------- Transmit Sw (Transmit Switch) Receive Sw (Receive Switch) Keyboard Sw (Keyboard Control Switch) Tx/Rx Ch (Transmit/Receive Channel) Transmit Ch. MIDI I/O Ch. (MIDI In-Out Channel) Zone Settings PC (Program Change) BankSelect (Bank Select) Pitch Bend CAT (Channel After Touch) PAT (Polyphonic After Touch) CC (Control Change) Vol/Exp (Volume/Expression) Pan MW (Modulation Wheel) Sustain FC1 (Foot Controller 1) FC2 (Foot Controller 2) FS (Foot Switch) A. Sw 1 (Assignable Function Switch 1) A. Sw 2 (Assignable Function Switch 2) MS Trigger (Motion Sequencer Trigger) RB (Ribbon Controller) BC (Breath Controller) Porta Sw (Portamento Switch) Porta Time (Portamento Time) A. Knob 1 〜 8 (Assignable Knob) Control Settings ----------------- Slider Direction Part LFO -------- LFO Wave Edit User LFO . Cycle . Slope . User LFO Step Value . Template Tempo Sync (LFO Tempo Sync) . Offのとき Speed (LFO Speed) Random Speed (Part LFO Random Speed Depth) . Onのとき Tempo Speed (LFO Tempo Speed) Delay (LFO Delay Time) Fade In (LFO Fade In Time) Hold (LFO Hold Time) Fade Out (LFO Fade Out time) Key On Reset (LFO Key On Reset) Loop (LFO Loop Switch) Phase (LFO Phase) Element Phase Offset (LFO Element Phrase Offset) Element (Display Element) Element Phase Offset (LFO Element Phase Offset) Element Depth Ratio (LFO Element Depth Ratio) Destination (LFO Destination) Depth (LFO Depth)



YAMAHA MODX-M6購入経緯

YAMAHAのVA synthは1997年に登場したAN-1Xが始めかと思われます。VA synthは1994年に発売されたNord Leadが始めだと思いますので早30年以上。WorkStation typeのKBDを発売しているメーカーでも1990年代後半にはROLAND JP8000、KORG Z1などのHard VA synthが登場しています。VAとは明記していませんが1991年に発売されたKurzweil2XXX シリーズはDSPによるVCOのシミュレーションBlockが搭載されていました。その他90年代にはAccess Virus、2000年代に入ってからはALESIS ION / Micron等、またROLAND、KORG他海外陣営からもいろいろ発売されてきました。 Kurzweilも2000年代に入ってVA1という試作機が発表されましたが製品化はされずそのかわりとしてPC3以降の機種ではVASTの機能としてVA1 Oscillator群とMOOG Type VCFの追加という形で残っています。さらにはMODX-Mのmodifier/ Drive / Saturator / RING /PWM /Sync /FM等に該当する機能も可能でしたがいかんせん本体のEDIT体系が前時代的です。MODX-Mを見習ってほしいものです(PC用EDITORはありますが)。

現状のKORG、ROLANDのFlagship機にはVA SynthとOrgan Mdeling音源が内蔵されていますがYAMAHAのsynthでは2年前(2023/10)にMONTAGE MにおいてVA synthとしてのAN-Xがようやく搭載されるにいたりました(がORGAN modelingは無し)。最近の主要synthメーカーの動向としてはFLagshp機と同等のSynth Engneを搭載して機能の一部を落とした形のプラ筐体の下位機種を登場させるというパターンが普通になってきていたのでMODX+もそのうちVAが搭載されるとふんでいたところ2025/4月ごろからnetでうわさが出ておりそれらしい画像も出てはいました。それがやっと2025/10月になってMODX-Mとして発売になりました。

当方HardのVA synthとしては古くはKORG Prophecy(すでに30年前)、2000年代に入ってALESIS ION(すでに20年前)、 Kurzweil PC4(5年前)を購入しています。 1997年のYAMAHA AN1-Xは当時から評判がよかったのですが買う機会を逃し、このAN-Xにもかなり期待をしてMODX-Mの購入にいたります。上記ANX-1(10Voice)の販売価格は148,000 円でした。このMODX-Mは170,500 円というとでAN-XはMODX Mの機能の一部だということを考えても破格の製品なんでしょう。MOD-Xというのは確かMOXシリーズの末柄です。

Touch Panelのsynthは1994年ごろのKORG OASIS試作機が始めで量産機としては1995年のKORG TRINTYから採用され30年後の現在、国産機を中心に今では普通です。このころはまだIpodなどはなかったですかPalm等のPDAはありTouch Panelは使われていました。当方Touch Panelのsynthはいまだに持っていなかったこともMODX-Mを買った理由でもありました。さらにはFM音源の導入とともにいち早くAnalog Synthの製造をやめたYAMAHAのVA音源でありかつ最新であるというのも興味の対象です。


とにかくこの価格としては超多機能なSynthであり上位の高級機種であるMONTAGE-Mをベースとしているだけのことはあり、前VersionのMODX+と比べてもかなりの機能UP。おそらくROLANDのFantom0シリーズの影響を受けてだろうとは思いますし、おまけのSoft類も充実。 PCの高性能化によってPC上のSoft SynthがMainの時代としてはHard synthとしては中級機(低価格)ともいえどこのクラスの性能が必要ということでしょうか。さらにはライバルメーカーのFantom 0シリーズとまったく同じ価格でぶつけてくるというよほど自信があるのでしょう。個人的にはYAMAHAの筐体/Panelデザインは好きですし特にTact SWのデザイン感触はBEST。

今日日、中級機とFragsip機の基本的な差がないような展開はWork Station TypeのKBDを販売しているYAMAHA / ROLAND / KORG / KURZWEIL 各社ともそうではありますがYAMAHA / ROLANDは 1/2以下の価格で実現していますが KORG / Kurzweilはそこまで価格差をはっきりさせた製品展開にはなっていません。たとえばKORGでいえばPC MotherBoradベースなのでプラ筐体の下位synthは作りにくいのでNAUTILUSなのでしょうし、Kurzweileに至っては大規模なLena Chipを使えば小型基板でプラ筐体の下位synthは簡単にできそうに思いますがいかんせん製品ラインナップの差別化がよくわからない構成をここ15年ぐらいやっていてSynth部門にあまり力を入れていない感じなので実現できないのではと想像。いわゆる母艦タイプのWorkStation synthにおいてはYAMAHA /ROLANDがかなりリードしている感はあります。

PCMは10.7Gbyte(+USER 1.9Gbyte)とPCM ROMはMODX +の約2倍、十分あるので波形数とProgram数は膨大。なので少なくともAWM2音色はなかなか自分で1からEDITすることは少ないと思いますがAN-X(やFM-X)の方は基本1Elementなので十分1からEDITする価値はあるかと思います。MODX-MユーザにはSample RobotなるSOFTも無料で使えるそうです。

思えば、個人的にはYAMAHAのKBD synthは過去にあまり購入したケースはないのでparameter等にかなり違和感があります。昔新品で買ったYAMAHA synthは1983年のDX-7と1991年?のSY22とXG音源とPSRとVL-1の廉価版のModuleのみ。XG音源系統は結構購入しましたが。 AWM2に関しては高品位とはいえ過去に買った上記の機器のYAMAHAのキャラクターの延長線上にある無難な音色ではあるなと思います。

はたしてAN-Xはどうなのかですが第一印象としてはVCOのキャラクターは単体では色気の無い音という感じですがdetume/Unizon等のparameterを少しかけるとかなりいい感じにはなります。Voltage Drift/Ageing等のparameterによるのかわかりませんがVCOの挙動が少しおかしくなる時がありました。やはりAnalog VCOとは異なり、高域成分の倍音不足のような一皮かぶったような音ではありますし低域での音色もAnalogとは異なります。いい意味ではAnalogのいやな部分はないのですがAnalogの強烈さもないという感じでしょうか。ただanalog独特のPitchのDetune効果は快適に表現されている感じ。VCFはかつてのYAMAHAのVCFの感に近いですがタイプも豊富なので12dB SVFだけでなく6/12/18/24dBまであります。実際に使ってみるとResonanceの挙動等AWM2のFilterとはだいぶ違うようです。resonanceの効きはとても良好です。まだまだanalog Mono/Polysynthの価値はありそうですが便利さではMODX-Mはすごいです。とにかくParameterが異常に多くて理解するのに時間がかかりそうではあります。

Anlog synthも80年代に入ると徐々につまみが無くなっていきます。おそらく Analog Synthの良さは適度な数のつまみがあるかどうかもUser I/Fとして大事だということです。ただAN-XをつまみにしたらYAMAHAが試しに作ったHard EDITERのようになってしまいますし単品のVAでないのでつまみいっぱいは無理。 ただMIDI Exclusuveで全てのParameterは呼び出しできるのでDIY的にはHard Programerをparameterを厳選して作ればいいのだとは思いますが。YAMAHAのHard Editorのようなデモンストレーションを目的としたものでなければある程度のparameterでいいわけであとは本体でEditすればいいわけですし。AN-Xの場合はAWM2のように多Elementでなくていいのが最大のメリットなので。そこらへんもEditの楽しみの一つでしょうか。

MODX-MにはORGAN ModelingはないのですがORGANのpatchはわりと充実しているように思いました。VCM Rotary Speakerもついているし。AWM2を8Elementくらい使って8個のsliderをドローバーのように使えるTone Wheel Patchが結構面白くベースのFeet部分はキャラクターを持ったSampling、その他のFeetは単純なSIN波でPercussion波形を別Sliderに配置レスリーのノイズを別Sliderに配置している面白いPatchがあり、またやFMのオペレータは8個あるので単純に8個でドローバーに割り当てるPatchもありました(9個ないのが残念)。

AWM2側にも1周期のPCM等analog Synth波形が豊富に入っておりよい波形も多いのですがこの波形を使うには当然AWM2音源側なので、AN-X音源に流用できないのが残念に感じます。こらへんがいかにも国産synth的。

MODX-Mでは1programを最大128Element使えるそうですので上記のように力技でドローバーを構成することもできるわけですが少々もったいない気もしますので Organ Moderingも小出しにしないで追加してほしいものです。ちなみにKBDの感触は基本プラスチック鍵盤そのものをばねにしたポータトーンのPSRにおもりをつけた感じですがこの機種独特というか粘っこい動作です。ストロークは若干浅めで支点から作用点はポーター系の鍵盤なので短い。打鍵時の音がうるさくないのが家で動かす分にはメリットです。Synth音色、Organ音色などでは違和感のない鍵盤。PF音色を有効に使うには外部のPF鍵盤かMODX-M8がよいのでしょう。


<2026/01/09 rev0.10>
<2025/12/28 rev0.0>