カーナビ&CCDカメラ用ビデオセレクタスーパーインポーズ機能付き |
最終更新日 : 2001.6.12
何時かはリニューアルしようかと思っていたビデオセレクタ2が完成しました。今度のは、カーナビ/前カメラ/後カメラ/外部入力の4チャンネル切り替え式で、切り替えた時に、どのチャンネルを選択したかスーパーインポーズでモードを表示する機能を持っています。丁度、テレビのチャンネル表示のような感じです。これをワンチップマイコン(PIC16F84A)だけでやっていますので、安価に作れるのがミソです。構想2年、製作3日でした(^^;)
切り替えスイッチは、別の装置に依存しなくて済むように上の写真のようなプッシュスイッチを使います。青は前カメラ、赤は後カメラで、それぞれ青/赤のLEDが点灯します。起動時には自動的にナビに切り替わり、前/後カメラを選択後、30秒〜1分ほどで自動的にナビに戻ります。ナビや外部入力時には、5〜10秒ほどでインポーズ文字が消えるので邪魔になりません。

製作した基板の様子

セレクト用プッシュスイッチ
更新 : 1999.8.20
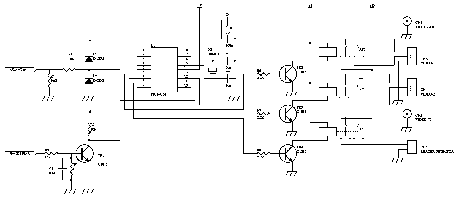
カーナビ用の液晶モニタに、後方確認用などのCCDカメラの映像を映し出せるようにビデオ・セレクタを作りました。構造的には、単純にリレーでパチパチと切り替えているだけで簡単なものですが、その制御方法に調歩同期式のシリアル通信(RS232C)を使っていることが特徴です。ビデオセレクタをシリアル制御で行わなくてはならない必要性は少ないでしょうけど、これを応用すれば、ビデオ・セレクタ以外のコントローラも作れるでしょうから紹介しておきましょう。
ハードもソフトも結構簡単です。機能的には、2台のCCDカメラとカーナビを切り替えるようになっています。CCDカメラに接続した時だけにカメラへ電源が供給できるようになっています。あと、時速30km/hになるとレーダー探知機がONになる回路も含まれていますが、この回路自体で速度計測するわけではなく、この先の操作部から信号を出していますので、ただのスイッチになっています。RS232Cの入力は、いきなりPICの入力を使っています。一応保護用にダイオードを使っています。RS232Cのボーレートは9600bpsで、操作部はナビトラモニタを使っています。
RS232C−INからシリアル信号を入力します。BACK−GEARでシリアル信号とは無関係にVIDEO−1へ切り替わりますが、車から信号を取り出すのが厄介ので、まだ試してはいません。3端子レギュレータは少々発熱するので、直列に抵抗(470Ωを並列に4本程)でも挟んでおいたほうがよいかもしれません。切り替え用のシリアル信号は以下の表の通りですが、このへんは各自で変更してください。
以下はナビトラモニタが切り替え用に発生するコードと、発生を可能にする追加回路です。ただし、これを使用するにはGPSレシーバ用のTXD1(CN4-6)を流用するので,GPSレシーバの初期化が行えません。また、ソースレベルでの変更を必要とするので、もし、試用してみたい方がいらっしゃったらメールにてご連絡ください。
| コード | 動作 |
| 0x12 | VIDEO-IN / カーナビ |
| 0x14 | VIDEO-1 / 後方 |
| 0x18 | VIDEO-2 / 前方 |
| 0x17 | レーダー探知機 ON / 30km/h以上 |
| 0x96 | レーダー探知機 OFF / 20km/h以下 |
ナビトラモニタが発生するコード
プログラムも滅法簡単です。調歩同期用の受信プログラムは、秋月のPICプログラマを買うとついてくる、サンプルソースの受信部分だけ使っています。
ソースプログラムのダウンロードはこちらです。