
| NPO法人 ラジオ少年 「AM/SW/FM ホームラジオキット KIT-600」 http://www.radioboy.org/kit/index.htm 中国 上海旭拓電子通信設備有限公司、学生用教材キットのようです。 http://www.shxutuo.com/ キット組み立ては、回路図、部品リスト(品名:簡体字)しかありません。 詳細組み立て図もありませんし、部品も、回路図、リストと違うことあります。 最低限、カラーコード 読め、ラジオ組み立て経験あり、 回路図理解出来ることが必要です。 難易度は高いです。 ケースサイズ 横20cm * 高さ12cm * 奥行き13cm 価格 :\3150 (税込み) ¥3,000 のセットで、価格からは、立派と思います。 セットも存在感ありますし、音量もOKです。 電源は、単1電池6本 もしくは外部電源です。(2012年5月27日 製作) |
ラジオ少年 AM/SW/FM Home Radio KIT KIT-600

| キット 到着しました。 外装部品、ウェルド等も気にならず、勘合(つまみ除き)も きっちりしています。相当レベル上がっていること実感しました。 プリント基板加工も良好です。基板分割はVカット 部品は、全て中国製と思われます。 |
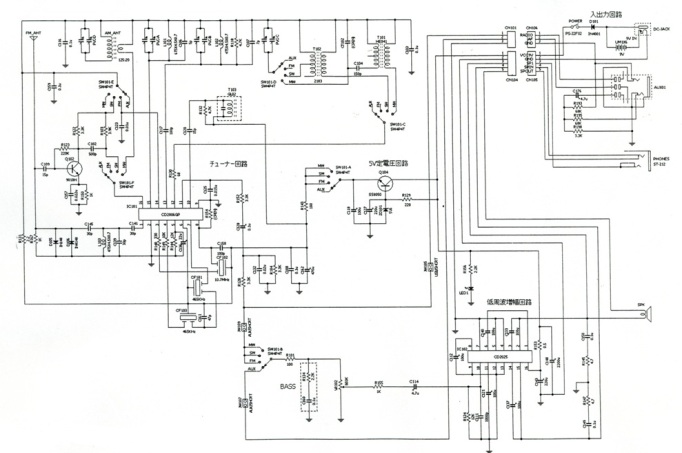
| 回路図です。 一部ですが、部品リスト、現物と違う場合あります。 大きくは、2個のIC構成です。 高周波IC, Power Amp ICです。 私の入手したのは、高周波:CD2003GP Power Amp (SAMSUNG KA2206B) でした。 |

基板組み立て

セット前面(Band 切替、Speaker)
Band切替 回転機構をスライドSWの動きに変換します。
Speaker 口径約70mm です。マグネットも大きいです。
セット内部

| 「私の入手したキットでの状況」 1)部品の欠品は特になしでした。 2)回路図、リストに数点違いがあり、その時は、リストを信じました。 通常はリストが最新かと思います。途中で仕様変更されているようです。 3)外装に部品当たりがある為、電解コンデンサー C162 型どり必要です。 4)抵抗偏差大きいものがあります。(規格外れ品) 確認しながら組み立てました。 5)外装は立派ですね。但しつまみ勘合甘いため、紙等で隙間修正しました。 6)組み立て説明書はなく、回路図、部品リスト(簡体字、英数字) および、Web IC仕様書から、接続確認致しました。 7)ポリバリコン、左右対称ですが、容量大きい方がAM用です。 近頃、テスターに簡単な容量計ついています。羽根を一杯入れたときの 容量比較で識別しました。高周波部、回路図+IC仕様書 と照合し 配線しました。(バリコン、コイル 配線) 8)コネクター、リード線、回路図と照合しながら組み立てました。 9)筐体部分は、前面パネル⇒上面パネル⇒底面 の順序で固定します。 ¥3,000 のセットで、価格からは、立派と思います。 セットも存在感ありますし、音量もOKです。 |