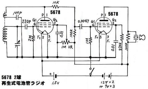
電池管 5678 2球 真空管ラジオ

電池管 5678 を用い2球ラジオ製作しました。再生方式のラジオです。   
再生方式のB電源用、12V乾電池2個、もしくは 006P 9V 電池 3個使用しています。
製作:2016年2月15日