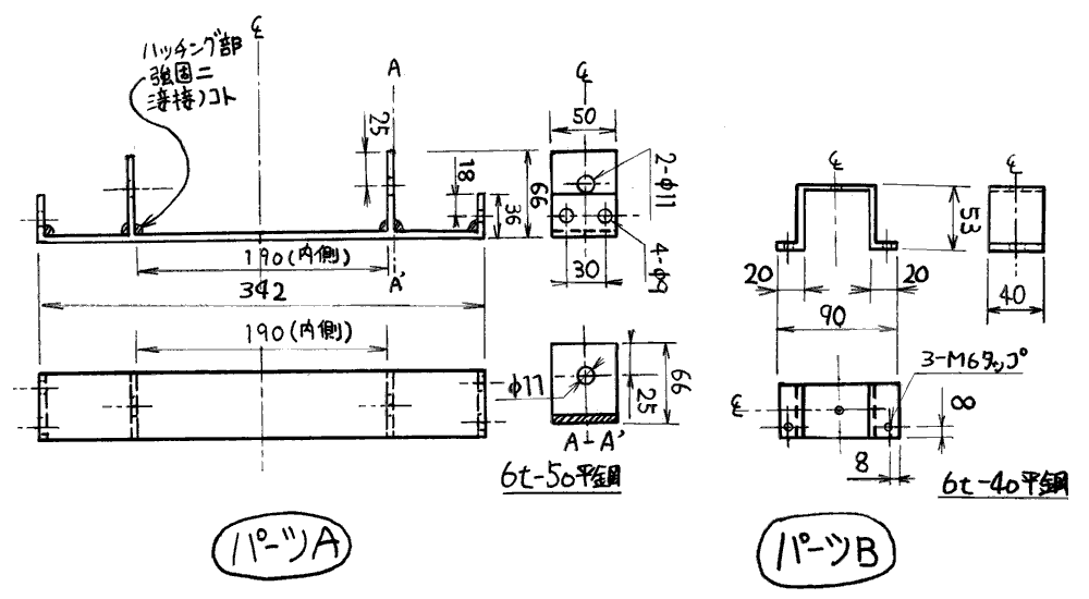
左右に渡された平板は端で90度曲げ、フレームごと穴を開けてボルトで固定しています。
この金物の図面は後で記載いたしますが、フレーム側への穴あけは現物あわせとなっています。
・・・いっそこれはフレームに直接溶接してもいいのかな?
あと、この金物の取り付けに際しては、エンジンをまっすぐ取り付けるために精度が要求されます。といっても計算などはないので、実際にエンジンを取り付け、センターを確認しながら慎重に位置決めが必要になります! |
 |
エンジンハンガー下側には、振動を吸収させるためのストッパラバーが取り付けられます。
ここでは、メットインBOXの下側のフレームの箱状の部分にゲタの役目をする金物を製作して取り付け、そこにストッパラバーとエンジンハンガーをボルト止めしています。
図面では6tとなっていますが、板厚が大きいため精度が出ない可能性が高いとのことです。その場合でも、この部分には精度は要求されないので長穴加工やワッシャなどで対処可能です。
また、ゲタの役目を長いボルトをスペーサーで代用させることも可能と思われます。その場合はストッパラバーをじゅうぶん抑えるだけの面積が必要ですね。 |
 |
上記のマウント方法により、写真のようにしっかりとオイルポンプとセルモーターが生かされています。
また、フレーム側も他の例ではセンタースタンドマウントを切り取ってしまわないとならなかったのですが、この例ではちゃんと残っているんですよ! |
 |
左右に平板を渡してある部分は本来、メットインBOXが乗っかる格好になる部分のため、このようにカットして逃がしてやる必要があります。
が、メットインBOX自体にはあまりでっぱらないため、フルフェイスでも問題なく収納可能ですよ。 |
 |
ちょっと見えにくいですが、横のボルトが僅かにカウルに接触してしまうため、このようになっています。
リードのエンブレムとロゴステッカーがついているのはご愛嬌(笑) |
 |
リヤショックには8cmの延長アダプターが取り付けられ高くなっています。ショックそのものはヘルパースプリング付のリード用ノーマルを使っています。
また、エアクリーナーはノーマルのものも取付可能とのことですが、現在はパワーフィルターが装着されています。 |
 |