TEISCO 100Fの VCFとVCA回路の製作

100Fを所有している方からTEISCO 100Fは音がよいという情報をもらったのがきっかけて
100FのVCOの回路動作を調べ、基板を作りその素性の良さを認識しました。 さらにVCF/VCA回路を作れば100Fの音のよさの一端を確かめられるのではと思い VCF/VCAもついでに作ってみました。
|
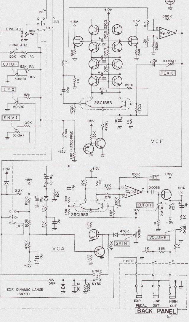
VCFは梯子型でMINI MOOGのVCFを踏襲しており定数等も似たような値ですが後段の差動回路は OP AMPを使った物になっています。 ladderの負荷に対してはFETのbufferが入っていてMINI MOOGの Capacitorによる直流分分離後に差動AMPという構成とは異なります。 ladderのベース電圧設定抵抗の値はMINI MOOGと同じ値。
MOOG のVCFでも1KΩ以下の抵抗使用はMINI MOOGとMOOG modularのみです。 各ladderのベースとベース間の電圧は約820mVとなりこの間に VbeとVbcが存在するためVbcは150mV程度となり逆BIASとしては小さめか? 150Ωと言う値は本来は hFEが小さいTr.を考慮しての定数のようにも思えますが。
その割には capacitorの値がMINI MOOGの3倍と言う値になっているので制御電流値も3倍でしょう。 ベース電流も増えるわけでそれを考慮した抵抗値ということなのであれば低抵抗値の抵抗との整合性が取れていると言うわけでしょうか。 このVCFの制御電流の最大値は10mAとかなり大きな値になります。
さらに不思議なことに cap.は電解コンデンサを使用しています。 これは単純に当時
0.2uFのマイラーは大きかったので0.2uFのケミコン使用ということが想像されますがそれ以上の意味があるのか?。
VCAはMINI MOOGと同じと言うわけではないですが差動回路を使った物と言う共通点とdual VCA機能です。 dual VCAはMINI MOOGのように同系列な VCAが2っあるわけではなく2nd VCAはVCAのCV入力の分圧比をtransistorの C-E間で制御してを工夫して(*1)2VCAのようにふるまっています。
さらにこのVCF、VCAは独立した存在でなく関連し合って存在しています。 すなわちVCA回路にはVCF出力の振幅の大きさを検出してVCF出力に応じて VCAのgainをコントロールするcompressor機能を有しています。 これはladder VCFの弱点のひとつであるresonaceを上げると振幅が低下して音やせする現象を改善する機能、さらにresonance発振時Fcによって発振振幅が変化してしまう現象(低域にいくに従って発振振幅が下がる現象)を軽減します。
さらにはこの2nd VCA機能を使ってExpression pedalでVCAの dynamicsをコントロールできるようになっていてこの部分がMINI MOOGと同じところです。 ただしこのcompressor機能により音源としてのVCO出力に制限がおきます。 このVCFの振幅検出回路は基本積分回路なのでSAW波とRECT波が同じ振幅であるとするとRECT波の方が数値が高くなってcompressionがかかりすぎてしまうという不都合が生じます。 またpulse幅に応じて積分値が変わってしまうこと、さらには VCFにaudio mixerがあればMIX具合でcompressorのききも変わってしまうので100FにおいてはVCFの VCO入力に対してMIXERはありませんし、 PWMもできない構成になっていいます。 100FではVCO出力はSAW波振幅8Vppに対してRECT波は5Vppにして上記の問題点を解決しています。
この部分はかなり特殊というか100Fが1VCOだからできる仕様であって2VCO仕様だとうまくいかないので後続の110Fは2連VRを使ってresonance時の音やせを改善するというシンプルな方法になっています。
|
|
*1:
始めは上記のように考えていましたが大間違いでした。 よく見てみるとこの VCA CV回路は VCFの PNP エミッタフォロワとNPNで構成される ARP型の antilog回路と同じ構成です。 PNPエミフォロのエミッタ抵抗から VCFは+10Vにいくところが VCAは VCA CV電圧につながっている構成なのがわかります。 すなわち VCA CVに電圧が印加されるとエミッタフォロワとして動作する。(*2) よってベースの抵抗はVCFと同じな1.8Kが正解なようでこの場合 VCA CV固定時、100K:1.8K時PNPのべース側の印加電圧が 1Vあがるごとに電流が倍にあがります。
PNPのベースに入れている電圧は約0.6Vを引いた値がNPNのベースに印加されるのです。
すなわちPNP側から入れた電圧に対してNPNのコレクタ電流はEXPOです。 VCA CV IN側
は OP AMP ANTILOGの Iref抵抗に与える電圧に相当するので VCA CV/470Kで Irefがきまり、VCOの antilogに対する リニアFMと同じ働きなのです。 なので compとEXpression Pedalに対してはAカーブ特性、 EG CVに対してはリニア特性という大変技のある回路でした。 TEISCO 100Fの回路は他のメーカsynthにはないユニークな発想がかくされておりカタログのうたい文句の "技術の結晶"という文面は納得できるものです。
Comp用の PNPのベース - GND間の抵抗は解像度の悪い回路図っでは18Kだと思ってうたがわなかったのですが 100Pの回路やwebに出回っている荒いGIF fileの versionではなく
他のきれいなほうの100F 回路図を見ると1.8Kでした。 1,8Kにすることにより (-)470K、 (+)280Kのオリジナルの値で manual CVも 0..10V間で正常動作しますしcomp LEVEも無調整で OKとなりました。
*2:
ちょっと動作がわかりにくいのでNPNの Tr.のエミッタフォロワで考えて見ます。

白: Vce
緑: Vbe
青: Vr
橙: Ve
V1.V2は固定電圧としてV3を0Vから-2Vまで可変。 すなわちエミッタフォロワ回路の抵抗Reのエミッタ側でない電源につながっている電位を可変して入力電圧は固定している形です。
エミッタフォロワの入力電圧を上昇させたことと本質的には同じなので抵抗の電圧降下はリニアに上昇し、VbeはIc(Ie)がリニアなのでLOG特性になります。 VceはVcが固定電位なので変化自体は Vbeと同じでVc分だけOFFSETがかかった形となります。
エミッタと GND間の電圧はVbeの変化と同様にLOGです。(ベースがGNDでV3がマイナスなのでVbeの反転変化にはなっていますが) ベース電圧が固定されているのでエミッタとGND間の電位は Vbeの変化が現れるということです。 同様に抵抗の電圧降下Vrはベース固定なのでV3の変化に対応した値になります。正確にはそこからVbeの変化分が引かれた値となります。
100FのVCA回路に戻ってNPN TrはPNP Tr.のVceと同じ変化になるためVCA CVのリニアな電圧印加に対して LOG変化なのでIcはリニアになります。 PNPエミッタフォロワのベースにリニアに電圧を印加した場合は当然NPNの Vbeの変化はリニアなのでNPNのIcはEXPO。
|
|
* VCF
audio信号
---------------
audio入力信号は約 1/125に分圧されていますので8Vpp SAW波が約60mVppで差動回路のベースに印加されます。 分圧比は MINI MOOGとほぼ同じですが入力信号が約倍なのでMINI MOOGの VCF inに対して2倍ぐらい大きい入力です。 しかしMINI MOOGは3VCO、100Fは1VCOという点を考えれば100Fの方がレベルが小さいのでしょう。
最上段のladder(差動の負荷部分)の電圧変化(GAIN)は分圧された信号の約1/4で(*1)最後のOP AMPの差動のGAiNは112倍となっています。 cutoff全開時 VCFに入力された信号に対して出力は (1/(125*4))*112=0.224なので1/4程度に減衰します。
resonance
---------------
resonance制御は100KのVRを差動ペア入力に対して直列に挿入するタイプなので resoance=0でもわずかに波形にresonance成分が付加されてしまいます。 これを気にするのならVR=0でベースに電圧が印加しないように470Ωと並列にVRを置くか100K VRの抵抗MAX側に固定抵抗を置くかするかありませんが実質はresonance=0時の成分付加はきにならないと思います。 差動OP AMPの増幅率は高めなのでFcが高ければresonance VRが1K以下になると発振するでしょう。
resonance時の負帰還による源波形の振幅低下は 1/2以下とdiode ladderに較べると少なくresonance発振での低域でのレベル低下も高域に対して1/2程度です。
*1: ladderに差動AMPをつながない状態時の値。
|
TEISCO VCFの遷移
Transistor Ladder 使用のVCFはTEISCO SX400までとなっておりDCOのSX2100からはSSM2044がWaveTableのKAWAI K3まで続きます。 Transistor Ladder VCFはTEISCOがMOOGの次にくるくらい多くの機種で使用していました。
S100F transistor Ladder(上記)
S100P
100Fからいくつかの改良点があります。 まずladderを構成するTransistorの各段が差動対に対してdual Tr.になっています。 これは選別の手間を軽減するためかと思われますが、各段のFcのずれよりも対になる差動の各段のFcがずれてしまう方が重大な問題ということなのでしょう。(差動で受けてoutputするメリットを壊しかねない) ladderの最終段の負荷Tr.がdual Tr.である(さらに差動対ともどもTr.Arrayであるケース)という例はMOOG本家では標準ですが。
Ladderの負荷からの取り出しが100Fと同様FETで受けていますがこのFET対に対してDC balance VRが付加されています。これは100FVCFを作っていて感じたことでもありました。
ResonanceがVC resonanceになっておりこれは100Pがpreset synthだからの対処。 しかしVCFの音量補正のComp回路は無しでVCAの補正もないもよう。
S110F/60F
100Pと同様のLadder Tr.のDual Tr.化が施されています。 VCFの音量補正はVCF Sig MIXとResonanceの2連VR化。Ladderから負荷の取り出しに簡易instrumentation AMP化でこれはMemory MOOGとかと同様の取り出し方。(Memory MOOGの方は標準的なinstrumentation AMP構成で最終段はCA3080)
SX400
S100Pと同様の回路
LadderVCFの負荷の取り出し方はかなりのバリエーションがありますがどれが有効なのでしょうか。 またTransistorLadde 自体もEMU ModularのPNP Tr. Ladderなどの変種があります。
|
* VCA
audio入力信号は 1/150に分圧されています。 VCF出力が最大で2Vppから2.5Vppですからベースに印加される最大電圧は14mから16mVpp程度となります。 CV=10V時制御電流は 400uA強となり 差動回路片側のgm= 200uA/26mVで7.8mSとなり 7.8m *10Kで gain=78倍なのでこのポイント(*1)ではaudio入力信号の1/2ですがさらに後段のOP AMPの差動増幅回路を経由すると3.3倍程度になります。(*2) よって VCO outレベルは VCFで減衰して VCA outでほぼ元に戻るような gain配分かと思われます。
*1:差動AMPをつながない状態時。
*2:compがかかるので少し変わる。
制御電流は CVの変化に対してリニアでこれはNPNのベースについている高抵抗によりVbeの変化が LOGになるためIcはリニアになっています。 NPNのベースについているPNPがNPNのベースに印加する電圧の分圧値を変えて
antilog ampのリニア入力側に VCA CV inがあるからです。 PNP Tr.はVCA CV電圧込みでエミッタフォロワを構成しており、 PNPのベースに入力され電圧に対しては NPN Tr.のIcはEXPO特性となりここでのベース電圧変化でも定電流源の電流が変化してこれが2nd VCAとして機能しています。 これによりvelocity対応なVCAも構成できるでしょう。 このPNP Tr.は NPNに対しての温度補償にもなっています。
PNPに対しての制御回路がわかりずらいですがベースにプラス電圧が印加されればPNPのVbeが低下してC-E間の抵抗が増大、マイナス電圧を印加すればVbeが上がりC-E間抵抗が低下するようになっています。 ですから始めは(+)数百mVに設定して積分値発生回路からのマイナス電圧で PNP Tr.のVbeを増加させVCA gainをコントロールしている形です。
本来初期値設定の直列抵抗群において(-)15Vの印加は必要ないようにも思えますがベース電位は1.8Kの抵抗で分圧している関係からこのような構成でベース端子に「(+)数百mVを印加するような形になっています。 この回路ではPNPに与えるベース電圧によって特性がかなり変わってしまいます。

* EXpresson Pedal OFF時の VCA CV入力回路(上図18Kは1.8Kの間違い)
必要な要素はまず CV=0から10Vの範囲で制御電流がリニアに追従することです。 上記回路では NPNのコレクタにつながっている22Kの抵抗により制御電流は MAX 400uA強程度に制限されます。

* VCA CVと制御電流の関係
上図は MANUAL CV入力に対する特性です。 EG CVとの優先を決めるdiodeがあるためこれとNPNのVbeが活性化するのに要する電圧約1V以下のCV印加では制御電流は発生しません。
EG CV使用時はその半分の0.5V分までは VCAは反応しませんのでATTACKを有効にするためにはmanual CVではじめにかさ上げしておく必要があります。
*: CV=8V以降は値頭打ちとなりますので EG CVは8V以下が適当でしょう。
さらに上記回路ではVCF の select SWによって Expression PedalがVCAに作用するように設定でき、0から10Vの範囲でPNPのベースに電圧がかかる形になっています。 すなわち回路図上での+10V電源を Expression Pedalによって0から10Vまで可変して180Kの抵抗でMAX=100mVの電圧をPNPのベースに加えて約6octaveで32倍程度の可変幅となります。 これが目的で(+15V)からの抵抗は 100Kと180Kに分割されtotalで280Kだったわけです。 やっとこの抵抗ネットワークの謎が解けました。
・余談:
差動回路ベースの VCF/VCAの意味するところ
VCF/VCA基板の製作

* VCF/VCA回路基板
ladderの Tr.とCap,は取り外し可能としました。 VCFに対してはオリジナルに追加して
ladderの DC balance回路をつけました。(Moog micro MoogとTeisco 100Pを参考)
回路図では本来差動ペアにはdual Tr.の 2SC1583が使用されていますが今回は個別のTr.を使用。 そのためもあってか VCAの DC balanceがかなり狂っており VCA出力波形が半分ちょんぎれた状態になってしまったので DC balance potを付加。
VCAについては PNPのベースバイアス回路の定数が回路図どおりではうまくはたらかず、
total 280K(100K+180K)の(+)電圧印加回路に対してさらに100Kを追加して結果 さらにPNPのベース電圧を下げる操作をしました。(*0) これにより CV=0から10Vで制御電流を0からMAXまで調整できるようになりました。 この定数変更に伴い comp回路の出力レベルが大きすぎるので VCF出力から conmp回路信号がに入る部分に分圧potを置いて調整するように変更。
|
上記文面は PNPのベース- GND間の抵抗の抵抗値を18Kと勘違いした結果。 1.8Kが正しい値でその値に変えたら正常動作しました。
|
resonance VRで問題になるのはVRの回転に対してちょうどいい具合にレベル調整ができるかどうかという点です。 始め、回路図と同様100K AのVRを使用したところ Aカーブということで発振寸前のレベル調整はいい感じでしたが VRの回転角が50%を超えないとresonanveがかかった感がなく始めの50%が無駄な感じがしました。 そこでカスタムなカーブを作るべくBカーブVRを使い擬似Aカーブ特性を得る回路(*1)をつかってみました。 100Kに対して本来は10Kぐらの固定抵抗を付加すると擬似Aカーブのようですがここではさらに抵抗値を下げ2.2Kに設定することでカーブをより急にすることによりVR回転角が小さいところからresonance効果が得られ発振寸前のふんばったポイントでの微調整も可能になったと思います。 それによりresonance発振寸前の減衰振動の振幅がより大きい状態に設定でき以下のような比較的めずらしいresonance波形が得られるようになりました。
VCFのManual Fc CV VRの antilog mixerに入れる抵抗を回路図と同様82Kにした時 Fc=40Hzから25KHzまでをカバーしています。 仕様的には20Hzくらいからを想定しているのだと思いますが Offset調整用の半固定potがないのでこの程度の誤差はでるでしょう。
compressor効果によりVCA出力としてはresonanceを上げた時の波形振幅の低下は少なくP-P値で見れば低下はほとんどないケースもあり最低でも源波形の70%程度の振幅は保持しています。 またresonance発振時の振幅変動も比較的少なく高域基準とするとそれより低い帯域ででやはり70%程度の変化に収まっていますので通常使う帯域ではほとんど変化なし。 このcomp回路の問題点は反応速度が遅いことです。 手動でVCF Fc CVをまわすくらいの速度でも結果が追従しない感じです。
|
*0: この抵抗値はかなりクリティカルで回路図と違うTr.使用時は半固定potで対応した 方がよさそうです。
*1: VRの 表面左から1,2,3端子で2,3端子の固定抵抗をつける。

* VR回転角と抵抗値の関係
* 回転角 MAXで抵抗値0、MINで100K (X軸:回転角 Y軸:抵抗値)
|
*resonace波形


* 一般的な resonance波形







* 発振寸前のクセの強い波形
発振寸前まで細かく調整できるようになったのでかなりくせのある波形が発生しています。
なかなか他のVCFでは出なそうな波形です。
現状ではVCF/VCAともにDC balanceを取っても CVの値変化で結構変動してしまいます。
安半固定potを使ったせいか dual Tr.を使わなかったことが原因か。
potを変えてみましたがさして変化無し。 VCAの方はそうでもないがVCFの方はオシロで見ていても気になります。 VCFの方は差動のOP AMPのGAINも高いことですし。 まだEGを入れて試してはいません。
その後 VCFの差動ペアを Dualの2SC1583に変えてもほとんど変わらず。 100Pを参考にしてFETの抵抗につけたpotはDC balanceではありますが差動ペアの開始点の調整とはちょっと違いCV変動によるDC分の変化を緩和する方向には働かないようです。 それではと言うことで普通の方法で差動ペアの左側のベースに DC balance potを付けて試してみてもあまり変わらず。 manual Freq. CV VRで7Vから10Vになる範囲での変動が大きいです。
上記のようにこの ladder VCFは制御電流が他のladder VCFに較べてかなり大きいのでCVが大きくなると影響が大なのかとも思われます。 MINI MOOGをまねたVCFということで
MINI MOOGの回路を見ると VCO等のaudio信号が印加される方の差動Tr.のベースの抵抗は
470Ωで同じですが他にaudio信号を分圧するための抵抗がないのに対して100Fの方ははじめに1Kで分圧しているのでAUDIO信号に対するベースの抵抗値は 1K//470で約320Ωとなるので右側の抵抗とはバランスしていません。
この抵抗は入力インピーダンスにもなりますが、入力0Vでの両Vbeに対するIcを揃えるための抵抗(*1)としてさらに無信号時のベース電位固定の機能しているためその用途では10uFの左にある1Kとは基本関係性が無いので理想的には両者が同じ値でいいはずですが実際には同じでは電流差が出るということなのでしょう。
ためしに1Kを取って見るとCV変化に対する変動幅は改善されました。 上記の関係ないと書いたことと異なってしまいます。 おそらくAUDIO AMP的な定電流源を急激に動かす用途でない場合は両抵抗間の調整だけでいいのでしょうが、定電流源を動かす用途では10uFを通して1K抵抗にも影響してしまうということなのではと思います。
*1: Tr.の Isatの違いを吸収するためのRによる電圧降下を利用したVbeの調整。
ということもあってDC balance調整は 右側のベース抵抗を調整するMINI MOOG方式を採用してみました。 MINI MOOGの場合 resonanceの戻りがベース直ではなくこの半固定potの片側に入力する方式です。 同じようにしてみたらあまりよくないのでresonanceも戻りはベース直のものにしておきました。 resonanceの信号が入る側のベース抵抗値が変化したので分圧無しで直ベースに出力電圧がかかり完全に発振した状態では問題はありませんが発振寸前でのこらえ具合が足りなくなってしまいました。 この対策としてはresonaceの100K VRに固定抵抗を付加して調整すればいいのではとは思います。
ちなみに左側の抵抗470Ωに対して右側350Ωの時がCV変化に対するDC変動が最少になりましたが....。 MINI MOOGの DC balance調整回路が 330Ω + 1K半固定 potという値は上記の結果からも妥当な値なのでしょう。 現状では計算上の根拠がよくわかりませんが......。
その後MINIMOOGの差動入力の右の抵抗330Ωを220ΩにしてからMINI MOOG 方式の DC balance & VCF OUTの差動ベースの戻り経路を採用したところ問題なくなりました。 変動幅はCV=0から10V間をぐりぐり回した時、オシロの入力がDC positionの時10mV以下, ACカップルにすると5mVくらいの変動幅なので気になるクリックノイズは出ないと思われます。 1K抵抗を削除したかわりに VCF sig inの 39K抵抗のsig in側と GNDに対して47Kの抵抗を追加した(MIX VRのMAX値時の値)ところ DC 変動が緩和されました。 手持ちの Tr. Ladder synthのMS404ではCVの変化に対して DC position時 6mVの変動がありました。
さらにOP AMPの差動回路についている 560Kの両抵抗は手持ちがなかったのでカーボン抵抗を始め使用しましたが気になるので手持ちの270Kの金皮を直列にした物と交換。 この際両抵抗が540Kジャストになるように抵抗を選別。 結果若干変動幅が小さくなりました。
一応ここでVCF/VCA基板をいじるのは終了し、音だしをすべく CV Vol等を完備してVCO
unitをも含めてinterface基板を作ろうと思います。

* 修正 version VCF/VCA回路基板
MS404や MOOG rogueでは出力の差動AMPのGAINは15倍程度になっているのに対してこの100Fは100倍以上でかつ制御電流も大きいです。 さらにrogueではladderからの電圧取り出しについては CでDC分を除去している等の違いがあります。 100F VCFの制御電流が大きいことは低域まで十分な振幅で発振できること、さらには発振以前の音色においても低域でもresonanceで強調できる部分の振幅が大きいことがあげられるのでしょう。
ladder 負荷の後に Cを入れて直流cutするのが単純で効果的な感じもします。
laddder VCFの ladde負荷から差動AMPで取り出すところはwave kitの SA13 VCFのところでも書きましたがノウハウが色々あるのでしょう。 本家の MOOGの VCFも機種ごとに取り出しかたが異なるのもそのことを示していると思われます。
色々基板をいじっていたり基板を落としてしまったことでだいぶ基板にダメージが出てきました。 はじめは基板を作らずブレッドボードで試すか、 VCF、 VCAを個別に作ったほうが後々楽だったかも知れませんが、前述のVCOとスタイルを合わせたかったのでしかたがありません。
|
気になった点
このVCA回路はDC balanceがありませんが少なくとも今回のように dula Tr.を使わなかった状況では Dc balance調整をしないと出力が電源電圧付近にはりついて波形が出ない場合がありますので DC balance調整は必須なような気もしますが製品には無いのですね。

白: DC balnce OK
赤,緑: DC balance だめな時
さらにVCAの回路図ではケミコンの特性がVCA IN側がプラスですが本来は in側はマイナスなような気がします。 100Pも同様な回路ですがin側がマイナスになっています。
こちらの基板は回路図にあわせましたが問題なく動いてはいます。 ためしに逆転させたらVCAから信号が出なくなりました(*1)がDC balanceを調整したら出ました。 現状では精神衛生上? VCA IN側をマイナスにして100K側をプラスにしました。
*1: ケミコンの極性によるこのような差の発生が不思議。
あと気になった点は ladder VCFのおいては resonance発振時、Fcの周波数が高くなるほど発振振幅が大きくなります。 これは発振以前の減衰振動波形時も同様です。 このためresonanceを上げて EGで SWEEPさせた場合など Fcが高くなるに従ってresonanceが強くなりこれは場合によっては気になります。 このVCFでは発振周波数は 20KHz以上楽に出ますのでせめて10KHz以降はresonanceの GAINが下がってくれた方がよいように思えます。
よく他の方式のVCFの中にはresonance発振において高域でも一定振幅を保つために棚型HPFを入れる例がありますがこの場合は逆ですね。
|
VCO/VCF/VCA

この一連の基板には Modulator系は一切搭載されていないので、外部から供給すべく
jack等の interfaceをまた VCO基板とVCF/A基板の信号のやりとりとしての基板を増設。
現状では手持ちのROLANDの SH-1の Key CV出力と EG出力を用いてなんとか最低限の音だしができる状態になりました。 手持ちの100Mを使えばもっと豊富にLFO等も使えますが現状ではセッティングが煩雑になるので SH1の LFO、 AR EG等の出力を取り出す改造を SH-1に施して対応したいと思います。 あとは 100Fの特徴でもある Linera portamento 回路を別基板につける予定です。
VCOとVCF/A基板の接続に際して矩形波の出力回路のインピーダンスが高かったため
VCFにつないだら信号がかなり減衰したので Tr.による bufferを付け対応しました。
回路動作的にはPWMでpulse幅を小さくしていくとcomp.の積分値が下がるため逆に振幅が大きくなりpluse幅50%との差が結構オシロで見るとあるのですが、耳で聞くかぎりではpulse幅がせまい方がエネルギーがないのでそこが増える傾向になりバランスしているように感じるので問題はないでしょう。
この comp.の本来の目的 であるresonance発振時の低域から高域に対しての振幅のそろえとresonanceを上げた時の音痩せの改善はうまくいっているという印象です。
<2021/01/03 rev0.11>
<2019/05/04 rev0.10>
<2017/12/30 rev0.9>
<2017/12/17 rev0.8>
|