更新:98/06/14 06:00

Neko-1の回路図


CPU、ROM&RAM

Neko−1回路図CPUのGIF画像

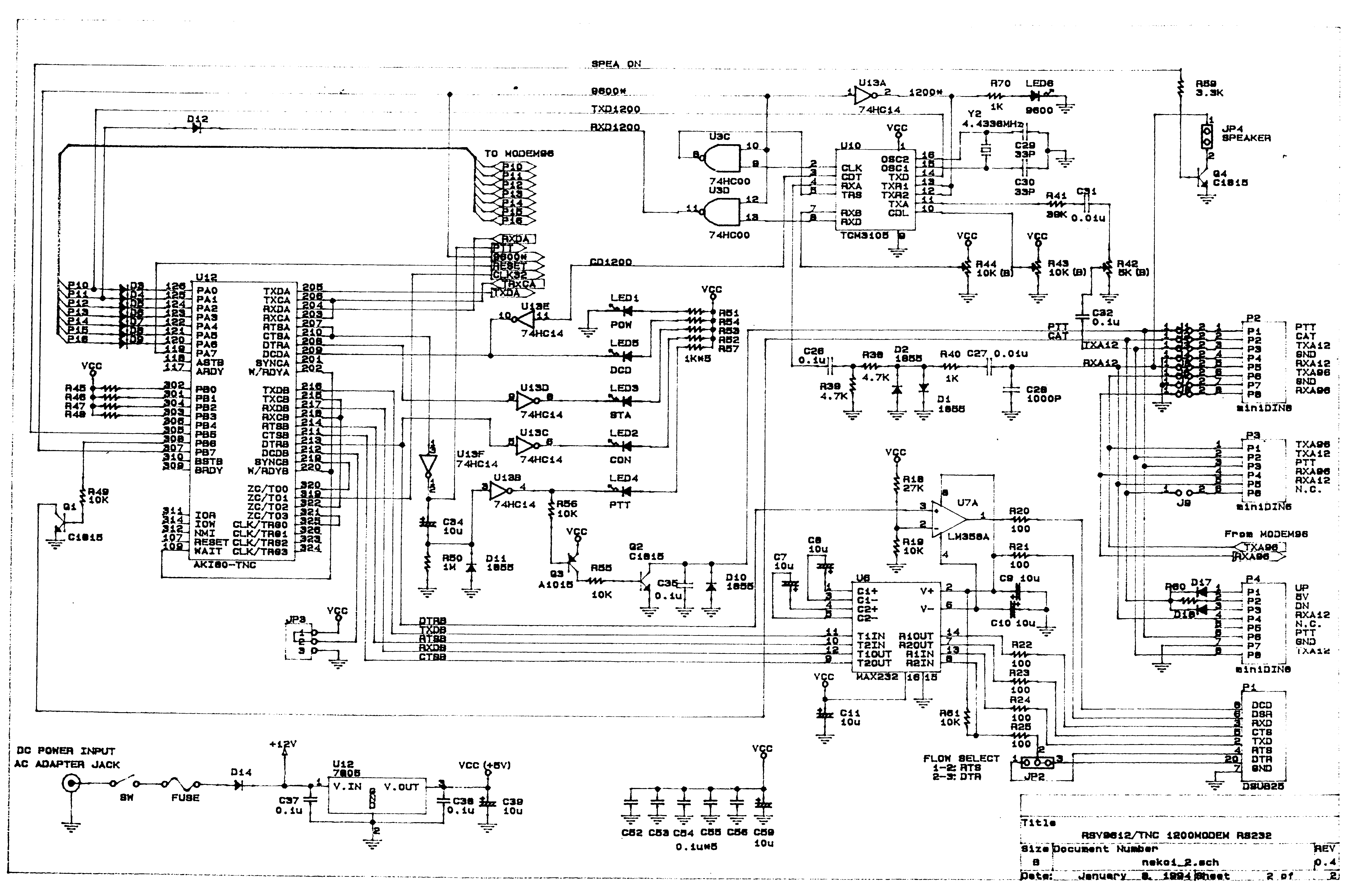
1200bpsモデム&RS232C

Neko−1回路図1200bpsMODEMのGIF画像

9600bpsモデム(RSV96)&アナログ回路

Neko−1回路図9600bpsMODEMのGIF画像
Neko-1へ戻る!
HomePageへ戻る!