(Last update:2020/07/25)
⇒ 電子工作 Page 1 へ
| 外観等 | 製作日 | カテゴリ | 能書き |
![]() ![]() |
2012年8月 | PIC (16F1938) |
多機能電力計 (または時間帯別電力ロガー) 家全体の使用電力を時間帯毎に測定して比を計算し、料金プランの損益を把握し易いようにした電力計。 消費電力をリアルタイムでバー表示する機能、アラーム機能、RS-232C へのデータ送出機能もあり。 HEX ファイルあり。 詳細はこちら。 |
![]() ![]() |
2012年1月 | PIC (16F1938) |
長期定点観測用ガイガーカウンター(GM管 J306β) 大型 GM 管を搭載したセシウム花粉(汗)検出用の秘密兵器。 バッテリーバックアップとロガー内蔵で停電してもデータ欠損を防げる長期観測仕様。 RS-232C有線接続、RS-232C 無線接続、GPS、7 セグ LED 外部表示装置も内蔵し、あらゆる場面に適応するオールラウンダー。 風向、風速、降雨量、降雪量、花粉量データと放射線量との相関を監視中。はたしてセシウム花粉は検出できるか? 詳細はこちら。 |
![]() ![]() |
2011年9月 | PIC (16F1938) |
GPS + micro SD カードロギング機能付きガイガーカウンター
(GM管 LND-712) GPS と ロギング機能を搭載しつつ胸ポケットに入るサイズに納めた究極版。 汚染マップ作成がさらにお手軽に ^^v 詳細はこちら。 |
![]() ![]() |
2011年8月 | PIC (16F1938) |
GPS + micro SD カードロギング機能付きガイガーカウンター
(GM管 SBM20) GPS の位置情報とカウント数を micro SD カードに記録していく汚染マップ作りの最終兵器仕様。 Google Maps と組み合わせて身近な場所の汚染マップを作ろう! 詳細はこちら。 |
![]() |
2011年7月 | PIC (16F1938) |
ガイガーカウンター用外部 LED 表示器 + ガイガーカウンター
(GM管 CI-1G) ガイガーカウンターの RS-232C 出力からデータを抜き出して 7 セグ LED に表示する外部表示装置。ガイガーカウンターの一部機能もこの装置からコントロールできる。 実装例は CI-1G 版ガイガーカウンターと一体化した車載バージョン。 外部 LED 表示装置はソース、HEX ファイルあり。 詳細はこちら。 |
![]() |
データ | 番外編: GM 管比較 管理人が入手した GM 管についての備忘録。 詳細はこちら。 | |
![]() ![]() |
2011年7月 | PIC (16F1938) |
ガイガーカウンター (GM 管 SI-3BG) 高線量地域向けに割り切って小型化した実装例。 SI-3BG 用に初期設定した HEX ファイルあり。 詳細はこちら。 |
![]() ![]() |
2011年6月 | PIC (16F1938) |
ガイガーカウンター (GM 管 SBM20) 下記ソフトウエアを使用しつつ、一般人への貸し出し用に使い易さを重視した作品。 GM 管を SBM20 に、LCD を 16文字 x 2行 LCD に変更した実装例。 詳細はこちら。 |
![]() ![]() |
ノウハウ | ガイガーカウンター・測定編 管理人が身の回りの放射線を測定してみた結果や、下記ファームウエア活用 Tips 等 詳細はこちら。 | |
| 2011年6月 | PIC (16F1938) |
ガイガーカウンター・ハードウエア編 (GM 管 Philips
18504) 下記ソフトウエアをもっともベーシックな構成で実装したもの。 8 x 2 LCD と小型マイカ板 GM 管でポケッタブルに仕上げた作品。 詳細はこちら。 | |
| 2011年6月 | PIC (16F1938) |
ガイガーカウンター・ソフトウエア編 フィールドテストを重ねて実際の測定に便利な機能を盛り込んだ作品。ガイガーカウンターの本来の使い方(CPM ベースでの運用)追求している点で安価な市販品とは設計思想が大きく異なる。 GM 管や LCD を選ばず、ハンディ仕様から長期観測仕様までオールマイティに対応。特に GPS やシリアルデータロガー「OpenLog」に対応しており、汚染マップ作成の最終兵器にもなる。 豊富な表示データ、ユーザー設定項目、RS-232C データ出力、一般的な定時間測定に加え、一定カウント数による測定(定確度測定)もサポート。 GPS ログデータ → Google Maps kml 変換プログラム(perl スクリプト)のおまけ付き。 HEX ファイルあり。 詳細はこちら。 | |
![]() ![]() |
2011年3月 | PIC (16F873A) |
緊急企画: 旧版・秋月電波時計・手動時刻合わせ可能化改造 標準時刻電波(福島局)の停波と計画停電により、首都圏では秋月電波時計キットの時刻合わせが難しい状態となってしまった。 そこで旧版・電波時計用に手動で時刻を合わせられるようファームウエアを改変。 詳細はこちら。 |
![]() ![]() |
2011年2月 | PIC (16F886) |
Head Up Display (HUD) 電波時計 市販の電波時計から復調モジュールを抜き出し、PIC で時刻をデコードして HUD 投影する電波時計。 時刻表示に限定することで高速デコードを実現。停車時は常時受信〜校正しているので市販品よりも時刻がズレにくいのもウリ。 ソース、HEX ファイルあり。 製作記はこちら。 |
![]() ![]() |
2011年1月 | PIC (16F887) |
Head Up Display (HUD) スピードメーター Ver. 7 前作を踏襲しつつ、輝度をさらに上げて偏光サングラス越しの視認性を改善。 ソース、HEX ファイルあり。 製作記はこちら。 |
![]() ![]() |
2011年1月 | PIC (16F887) |
秋月電波時計用外付けカレンダー 秋月の電波時計キットから RS-232C 経由で日付・曜日を取得して LED 表示する外付けユニット。 ソース、HEX ファイルあり。 製作記はこちら。 |
![]() ![]() |
2010年12月 | PIC (16F690) |
レーザーポインタ付きプレゼンテーションタイマー in フリスクケース 前作をベースにしつつ、フリスクケース二段重ねの反則技 ^^; で実装。 残り時間は通常の数値表示に加え、円が欠けていく「タイムショック方式」の表示を追加.。 ソース、HEX ファイルあり。 製作記はこちら。 |
![]() ![]() |
2010年12月 | PIC (16F690) |
レーザーポインター付きプレゼンテーションタイマー 赤色レーザーポインターとカウントダウンタイマーが合体したプレゼンター用アイテム。手のひらにすっぽりと収まる小型ケースに実装。 電源はリチウムイオン電池で USB 充電。 おまけ機能として、ソフトウエアである程度の時間誤差補正が可能。 ソース、HEX ファイルあり。 製作記はこちら。 |
![]() ![]() |
2010年11月 | PIC (16F690) |
スピードメーター & 電圧計 in フリスクケース フリスクケース用基板購入記念 ^^; 速度表示は 10〜140Km/h、電圧表示は 10〜15V。表示はスイッチを押すことでトグル切り替え。 スピードメーターと電圧計のどちらで起動するかはジャンパピンで変更可能なので、スピードメーター機能を使わずに普通の電圧計として使うこともできる。 ソース、HEX ファイルあり。 製作記はこちら。 |
![]() ![]() |
2010年10月 | PIC (16F887) |
Head Up Display (HUD) スピードメーター Ver. 5 実装サイズ、実用性に重点を置いた HUD スピードメーター。ソースの微修正で通常表示や車速パルス設定を容易に変更可能。 ソース、HEX ファイルあり。 製作記はこちら。 さらに輝度を改良した最終版はこちら。 |
![]() ![]() |
2010年9月 | PIC (16F690) |
スタティック点灯版 スピードメーター 前作の失敗を改良したスタティック点灯バージョン。原理上チラつきがないのでドライブレコーダーにもちゃんと映る。 車速パルスは 2,4,8,16 対応、速度補正可能、速度警告出力可能。 一部空中配線やチップ部品の投入で小型に仕上げてある。 ソース、HEX ファイルあり。 製作記はこちら。 |
![]() ![]() |
2010年9月 | PIC (16F887) |
スピードメーター & 電圧計 バー表示の車速度計 & 電圧計。今回は実装していないが、オプションで 7 セグ LED による数値表示も可能。 本来はドライブレコーダー録画用に企画したのだがその目的では失敗(爆)。もちろん通常のスピードメーター・電圧計としての使用はまったく問題無い。 ソース、HEX ファイルあり。 製作記はこちら。 |
![]() ![]() |
2010年8月 | PIC (16F690) |
Head Up Display (HUD) 式スピードメーター改 昼間でも視認可能な高輝度青 7 セグ LED を投入するとともに、速度測定方法を変更して精度と応答性を高め、前作の問題点を克服。以降製作した一連の速度計の中で最高輝度を誇る作品。 おまけとして、運転時間表示機能と、無休憩で一定時間運転し続けると警告表示を出す機能あり ^^; ソース、HEX ファイルあり。 製作記はこちら。 |
![]() ![]() |
2010年8月 | PIC (16F690) |
3色表示 Head Up Display (HUD) 式スピードメーター 車の速度をフロントガラスに反射させて表示する HUD (Head Up Display) 方式のスピードメーター。 7セグ表示、バー表示とも3色表示で、7セグ表示は高速で一定時間走行すると表示色の閾値が自動的に変更される小技あり ^^; 7セグ表示と バー表示にそれぞ 1 つづつ 16F690 を使った豪華版(?) ちなみにバー表示は「いかにも」な配置ながら回転計ではアリマセン(汗) ソース、HEX ファイルあり。 製作記はこちら |
![]() |
2010年7月 | PIC (16F687) |
3色表示電圧計 0〜20V 対応の汎用 3色表示電圧計。 色の変わり目は VR で指定可能。色の表示順も電池監視に向く車載モード(赤→橙→緑→赤)と汎用の通常モード(緑→橙→赤)の2種類をサポート。 セグメント単位のダイナミック点灯(完全ダイナミック点灯)で部品点数を極力削減。 ソース、HEX ファイルあり。 製作記はこちら。 |
![]() |
2010年6月 | アナログ | 車載 LED 式バッテリーモニター LM3914N を使って 10.0V〜14.5V を10段階バー表示する電圧計。 製作記はこちら。 |
![]() |
2010年6月 | PIC (16F785) |
車載電圧計&ソーラー充電コントローラー 電圧計とソーラー充電コントローラーの複合品。電圧と充電電流を数値とバーグラフもしくは推移グラフで表示する。 また 2色 LED による簡易電圧表示機能(過放電検出機能)、電圧最大値、最小値表示機能、過充電防止機能あり。 ソース、HEX ファイルあり。 製作記はこちら。 |
![]() |
2010年6月 | PIC (16F688) |
車載汎用 ON/OFF デュアル遅延タイマー ON, OFF の両方でディレイが入る3系統の汎用タイマー。 過放電保護機能を有し、接続機器によるバッテリ上がりの心配は無用。 製作記はこちら。 |
![]() |
2010年5月 | キット製作 | FM-VICS ブースター こちらで紹介されている 10MHz〜2.5GHz 対応の広帯域 RF アンプ(完成品)をケーシング。 FM-VICS で一定の効果を確認。 製作記はこちら。 |
![]() ![]() |
2009年11月 | キット製作、 PIC (12F683) |
超リアル LED キャンドル FMC-01 の試作 こちらで発売予定のファイヤーモーションコントローラ FMC-01 の試作版を入手する機会に恵まれた。 複数の LED を使って炎の揺らめきを再現し、しかも「周期」が無いため超リアル。 製作記はこちら。 |
![]() ![]() |
2009年10月 | PIC (16F785) |
温度・湿度・不快指数計 単色表示版 セグメント単位のダイナミック点灯(完全ダイナミック点灯)で部品点数を大幅削減。 ソース、HEX ファイルあり。 製作記はこちら。 |
![]() ![]() |
2009年10月 | PIC (16F687) |
3色表示温度・湿度・不快指数計 温度、湿度の3色表示はもとより、不快指数も自動計算して3色で表示。 セグメント単位のダイナミック点灯(完全ダイナミック点灯)で部品点数を大幅削減。 ソース、HEX ファイルあり。 製作記はこちら。 |
![]() ![]() |
2009年9月 | キット改造 | お散歩 LED ライト Ver 2 前回 (Ver 1) の反省から効率重視で再製作。おまけとしてソーラー充電機能付き(爆) 製作記はこちら。 Ver 1 の製作記はこちら。 |
![]() ![]() |
2009年9月 | PIC (16F88) |
LED チェッカー 電流自動増加、極性自動判定、Vf(順方向電圧)自動測定機能を持つ LED チェッカー。 特に LED の Vf を揃えたい時に便利。 ソース、HEX ファイルあり。 製作記はこちら。 |
![]() ![]() |
2009年9月 | キット改造 | お散歩 LED ライト(秋月 1.5V 投光キット改)の製作 仔犬のお散歩用に、秋月のキットを改造。LED を 5灯化して定電流制御化。 製作記はこちら。 |
![]() ![]() |
2009年8月 | PIC (12F683) |
プラズマクラスターイオン発生器 SHARP IG-B20 車載改造 (本格改造版) PIC12F683 を使い、 ・DC/DC コンバーター内蔵 ・電源遅延 ・電源自動スタート ・過放電自動停止 ・タイマー停止 ・フィルタクリーニング通知 機能を追加。 タイマー機能と過放電自動停止機能で常時電源に接続しても安心。 ソース、HEX ファイルあり。 製作記はこちら。 よりお手軽な改造はこちら。 注意:改造はあくまで自己責任で! |
![]() ![]() |
2009年8月 | PIC (16F88) |
3色表示半田ごてタイマー 残り時間を 3色で表示するカウントダウンタイマー。安全対策もばっちり(謎) 記念すべき鉛フリーハンダ移行第1号作品。 ソース、HEX ファイルあり。 製作記はこちら。 |
![]() ![]() |
2009年8月 | PIC (12F629) |
プラズマクラスターイオン発生器 SHARP IG-B20 車載改造 (お手軽改造版) PIC12F629 を使い、IG-B20 の電源を自動的にスタートさせる追加回路を製作。 ソース、HEX ファイルあり。 製作記はこちら。 なお、より本格的な改造はこちら。 注意:改造はあくまで自己責任で! |
![]() ![]() |
2009年6月 | PIC (12F675) |
車載遅延電源 カーナビ、ドライブレコーダー、プラズマクラスターイオン発生器の電源をまとめて小型化。 さらに車の電源が ON になった後、時間をおいて電源を供給する「遅延機能」で、サイドミラーや窓の閉め忘れのためのごく短時間の通電時はカーナビやドライブレコーダーを殺しておくことができる。 またバッテリー電圧簡易モニタ機能&過放電検出〜電源供給停止機能も装備。 ソース、HEX ファイルあり。 製作記はこちら。 |
![]() |
2009年4月 | PIC (16F88) |
MPPT 充放電コントローラー 電流センサーと LCD を投入し、鉛電池電圧と充電電流を表示可能に。 また MPPT を使わず、通常の充電制御コントローラーとしても使用可。 ソース、HEX ファイルあり 製作記はこちら。 |
![]() ![]() |
2009年2月 | PIC (16F88) |
3色表示温度計 温度帯によって緑、橙、赤で温度を表示する実用的な温度計。 CQ出版社・エレキジャック誌 No.14 (2009/8/25 号) 掲載作品。 ソース、HEX ファイルあり 製作記はこちら。 |
![]() ![]() |
2009年1月 | アナログ | LED キャンドルライト 笠間焼のキャンドルスタンド用に製作。 キャンドルライト IC 利用で部品点数は少なめ。明暗を自動検出して点灯制御。 製作記はこちら。 |
![]() |
2009年1月 | PIC (16F88) |
簡易電流・電圧計 MPPT充電制御時の充電電流監視用に製作。リアルタイムで電流量を、一定時間毎に電圧を表示する。設計のポイントは微小電圧の検出。 ソース、HEX ファイル有り。 製作記はこちら。 |
![]() ![]() |
2008年11月 | PIC (12F675) |
簡易電圧計 下記携帯電話ソーラー充電機の MPPT 動作確認用に製作。 電圧を4段階の LED でリアルタイムに表示。 ソース、HEX ファイル有り。 製作記はこちら。 |
![]() ![]() |
2008年11月 | PIC (12F683) |
携帯電話ソーラー充電器(兼USB電源) 以前製作した MPPT 充放電コントローラーを 6V 鉛電池用に改造し、トラ技付録の DC/DC コンバーターで 5V を出力。 製作記はこちら。 |
![]() ![]() |
2008年11月 | アナログ | ソーラー充電 LED フラッシャー 昔懐かしい LM3909N を使った LED フラッシャー。大容量スーパーキャパシタで一晩余裕で動作し続ける。現在、車載防犯装置もどきとして活用中。 製作記はこちら。 |
![]() ![]() |
2008年7月 | キット製作 | MP3 プレーヤー プレーヤー自体はキットというよりほぼ完成品だが、派手な LED ディスプレイに惹かれて購入。、ミニアンプを追加してケースに入れてみた。 製作記はこちら。 |
![]() |
2008年5月 | 修理 | |
![]() ![]() |
2008年3月 | PIC (12F509) |
PIC ライター Writer509 (USB仕様) 前回(2007/8)製作したものがイマイチ見栄えが悪かったので、ケース加工も含めてマジメに作ってみた。 また 20Pin PIC (PIC16F677) が秋月に出回り始めたため、ZIF ソケットを 18pin から 20pin に変更しつつ、デジタルトランジスタを使って部品点数を削減。 製作記はこちら |
![]() ![]() |
2008年2月 | PIC (12F675) |
LED 岩塩ランプ 「LEDで遊ぼう! 電子工作とマイコン入門」に載っている PIC16F628 版を改変したもの。 点灯モードを 7セグ LED で表示し、プッシュスイッチでリアルタイムに点灯モードを変更可能。 製作記はこちら |
![]() |
2008年1月 | PIC (12F675) |
充電専用コントローラー(過充電防止装置) 12V 鉛電池用の充電専用コントローラー(過充電防止装置)。 太陽電池から電源を取るため、繋ぎっぱなしでも過放電にならない点がウリ。 ソース、HEX ファイル有り。 製作記はこちら |
![]() ![]() ![]() |
2007年12月 | PIC (12F675) |
電子サイコロ 元ネタはこちら(設計者様に感謝)。 オリジナルは PIC12F629 だが、手持ちの関係上 PIC12F675 用に若干プログラムを修正。 同じ回路が2つで構成されているが、スイッチは1個で済むよう若干ハードウエアを追加してある。 |
![]() ![]() |
2007年11月 | PIC (12F683) |
MPPT 充電専用コントローラー PIC12F683 を使用した充電専用コントローラー。1セルまたは2セルの NiMH を充電可能。 満充電チェックがいい加減で安全性に問題アリのためプログラムは非公開(爆)。 製作記はこちら |
![]() ![]() |
2007年11月 | PIC (12F683) |
MPPT (Maximum Power Point Tracker) 充放電コントローラー PIC12F683 を使用し、常に太陽電池出力が最大となるよう制御する充電コントローラー。満充電/過放電の検出〜負荷切り離しなどの機能も持つ。PIC のハードウエア PWM の勉強のために製作。 ソース、HEX ファイル有り。 製作記はこちら |
![]() ![]() ![]() |
2007年9月 | PIC (16F873A) |
PIC版 2色時計 PIC16F873A を使用した時計。元ネタはこちら(設計者様に感謝)。 もともと単色 LED 用のものをハードウエアで無理矢理 2色 LED 対応に ^^; 製作記はこちら |
![]() ![]() |
2007年9月 | PIC (12F675) |
12V鉛電池・充放電コントローラ PIC12F675 の A/D 変換機能の勉強を兼ねて製作。 ソース、HEX ファイル有り。 製作記はこちら |
![]() ![]() |
2007年8月 | PIC (12F509) |
Writer509 前回製作した Dual PIC ライターは電源が別途必要だったため、FT232RL チップを使った秋月の USB→シリアル変換基板を使って 8/18 pin 用 Writer509 を製作。 12V 昇圧はお手軽な MAX662A を利用したので、全体としてかなりすっきりとした仕上がり。ジャンパ線を飛ばしまくればもっと小型にできるのだが・・・ なお、2008/3 には改良品を製作。 |
![]() ![]() |
2007年8月 | キット製作 | 6BQ5 シングル真空管アンプ 三栄無線のキット。古式ゆかしいラグ配線で 製作記はこちら |
![]() ![]() |
2007年8月 | PIC (12F629)、 キット製作 |
多機能オーディオセレクター 下記の PIC オーディオセレクター、電子ボリューム、ノイズリダクション、サラウンド、レベルメーター、連動遅延サービスコンセント機能を持った多機能な (?) セレクター。 上記 6BQ5 シングルな真空管アンプと組み合わせ、アンプ電源とボリュームをこちらで一括管理。 製作記はこちら |
![]() ![]() |
2007年8月 | PIC (12F629) |
PIC を利用したミュート回路 以前製作したデジタルアンプの電源 OFF 時のポップ音を消すため、PIC の勉強をかねて製作。 ソース、HEX ファイル有り。 製作記はこちら |
![]() ![]() |
2007年7月 | アナログ | 実験用 LM386 ミニアンプ 下記の一連のオーディオ関連製作物の動作確認のために製作した LM386 x 2 ステレオアンプ。 |
![]() ![]() |
2007年7月 | PIC (16F88) |
PIC オーディオセレクター PIC16F88 を使用したワンタッチ式 4入力 2出力オーディオセレクタ。元ネタはこちら。構成は制御用 PIC16F88、マルチプレクサ 4052、オペアンプ 4580DD x 2 。 現在、多機能オーディオセレクタとして活躍中。 なお、この PIC を焼くため下記 PIC ライタを製作。 |
![]() ![]() |
2007年7月 | PIC (16F648A) |
Dual PIC ライター エレキジャック誌第2号付録の基板を使って作成。 Writer509 互換、RCD ライター互換、RS-CS 書き込み可、と 3方式対応がミソで、Writer509 自身が使用するファームウエアもこれで書けるので、まったくのゼロから PIC をいじるには最適。USB → シリアル変換ケーブルにも対応しており、PIC 初心者にイチオシのライター。作者さんのページはこちら。 上記 PIC オーディオセレクターを製作するにあたり、PIC を焼く必要にかられて製作。40pin ZIF ソケットで 8/14/16/28/40 ピン PIC 対応、Vpp 12V/13V切り替え対応、16F57対応。 製作記はこちら |
![]() ![]() |
2007年7月 | キット製作 | 電子ボリュームキット 以前製作したデジタルアンプでも使用した、東芝 TA7630P を使った電子ボリュームの市販キット。 前回、ユニバーサル基板で組んだ際には極限まで小さい基板に詰め込んだのだが、さすがに再度ユニバーサル基板で作るのに嫌気がさしてこのキットを購入 ^^; 上記多機能オーディオセレクターに組み込まれて活躍中。 |
![]() ![]() |
2007年7月 | キット製作 | ノイズリダクションキット ずーっと昔(10年以上前?)に購入したまま放置していた秋月のキット。キット付属の基板は使わず、別途ユニバーサル基板で製作。 DNR に LM1894 を使用したもので、FM放送やカセット再生に対して効果的(ただし高音領域がカットされてしまうのでピュアオーディオには不向き)。 部品点数も少なく製作は容易だが、最大の問題はこれに適した音楽ソースが今となっては皆無という点 ^^; 使用予定は特にないのだが、そのまま腐らせてしまうのももったいないので上記多機能オーディオセレクターに仕込んでおいた。 |
![]() ![]() |
2007年7月 | キット製作 | サラウンドキット 千石電商で購入したキット品。 ホール、シアター、ライブ、の3つのモードがあり、なかなか楽しめる。 使用 IC は東芝の TA4021F で、最初から基板に半田付け済み。 なお、キットの説明書ではモード切替にロータリースイッチを使用するよう書かれているが、ショーティングタイプのものを使うなら Vcc からロータリースイッチのコモン端子までの間に 100K 程度の抵抗をかまさないと切り替え時に電源が短絡して危険 ^^; 現在、上記多機能オーディオセレクターに組み込まれて活躍中。 |
![]() ![]() |
2007年7月 | アナログ | 10連 LED オーディオレベルメーター オペアンプ(LM385)+ LM3915N を使用した標準的な回路構成。上記多機能オーディオセレクターに組み込まれて活躍中。 製作記はこちら。 |
(初代) (改良型) (最終型) |
2007年7月 | アナログ | オペアンプ版・鉛電池・過充電防止回路各種 鉛電池用の過充電防止装置。オペアンプ LM358 を使った定番回路だが、最終型では電源を太陽電池から取るエコ設計に(!?) 製作記はこちら |
![]() |
2006年10月 | アナログ | ドライブレコーダー用電源 上記バッテリボックスからの 12V をドライブレコーダーが使用する 5V に降圧するコンバーター部。 製作記準備中。 |
![]() ![]() |
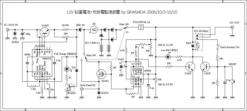
2006年10月 | アナログ | 大容量バッテリーボックス ドライブレコーダー用に製作したもの。商用電源、ソーラーパネルからの充電を想定。 製作記準備中。 回路図 |
![]() ![]() |
2006年8月 | キット製作 | 半田ごて温度コントローラー トライアックを使った秋月の定番キット(40A バージョン)。 |
![]() |
2006年8月 | デジタル | 車載用デジタルコンパス 秋月のデジタルコンパスモジュールを使って 8方位を 5色の LED で表示するもの。車のダッシュボードに置くことを想定して太陽電池で充電し、昇圧コンバータを使って動作させる。 製作記はこちら。 |
![]() |
2006年7月 | キット製作 | 実験用可変電源電圧 Ver 2 0V まで絞れる可変電圧が欲しくなり、秋月の旧版・精密実験用電源キットを若干改造して製作。18.5V 2A のスイッチング電源を使っており、0〜16V が出力可能。 放熱に若干苦労し、温度センサを使った FAN 制御回路を装備してある。 製作記はこちら。 |
![]() ![]() |
2006年6月 | アナログ | ソーラー庭園灯 白色 LED 13 個を点灯させるソーラー庭園灯。市販品をベースに、昇圧コンバーター IC を使ったり、秋月のキットを使ったりと、かなり勉強になった一作。 製作記はこちら。 |
![]() ![]() |
2006年6月 | キット製作 | 秋月の昇圧型 DC-DC コンバーターキット ソーラー庭園灯を設置した際、日当たりの関係で本体から 15m 程度太陽電池を離して設置したら電圧降下して充電できなかった(爆)ため製作。 このキットは出力電圧可変で、ある程度の出力電流も確保できるため非常に便利。 |
![]() ![]() |
2006年6月 | アナログ | 実験用可変電圧電源 Ver 1 電子工作をするなら必ず誰でも用意する実験用電源。多出力スイッチング電源が安く手に入ったので製作。 製作記はこちら。 |
![]() ![]() |
2006年6月 | キット製作 | TA2020 デジタルアンプ トライパス社 TA2020 を使ったカマデンの D級アンプキットに12連レベルメーターと電子ボリュームを組み合わせたもの。現在インターネットラジオ端末と組み合わせてメインアンプとして使用中。その後ミュート回路も装備。 それにしても構成が8年前に作ったレベルメーターキットと大して変わっとらんな・・・(汗 製作記はこちら |
![]() |
2005年8月 | キット製作 | 太陽電池バッテリボックス Ver 2 再び太陽電池を用いたバッテリボックス。小型で持ち運びに便利で、過放電、過充電対策を施したもの。 製作記はこちら。充放電コントローラー交換の製作記はこちら。 |
![]() ![]() |
2004年8月 | キット製作 | 秋月の「2色自動切換え表示デジタル時計」キット 午前と午後で表示色が変わるのがミソの時計。時計用 LSI には SANYO LM8365 を使用。 ニッカド電池でバックアップができるように多少改造して組み上げたのだが、何故かどんどん時刻がズレる(爆)。その後いろいろといじってみたのだが、どうも IC が不良のような雰囲気。もはやこの IC はディスコンで入手不可能のため、一度はそのままお蔵入りに・・・・ しかし 3年後、 PIC を使って復活されることに ^^; PIC 版の製作記はこちら |
![]() |
2004年8月 | アナログ | 太陽電池・AC 両充電式バッテリボックス Ver 1 AC からは秋月の鉛電池充電キットを関して充電する。太陽電池の勉強作品。 製作記はこちら。 |
![]() |
2004年? | キット製作 | 秋月の電波時計キット Ver 1 うちは茨城・木造家屋なので標準電波が良く入る ^^; 2011年、外付けカレンダーと合体してパワーアップ。詳細はこちら。 |
![]() |
2003年8月 | キット製作、アナログ | 24時間温度・湿度自動測定システム 新築した我が家の性能を調べるべく、トライステート社の「PICNIC」を使用して 24時間自動で室内 5ヶ所の温度と湿度を測定するシステムを製作。 製作記はこちら |
| 写真準備中 | 1999〜2003年 | 準備中 | |
![]() ![]() ![]() ![]() |
1998年 8月 | キット製作 | 嘉穂無線レベルメーターキット+α 嘉穂無線のレベルメーターキットに秋月のヘッドフォンアンプを組み合わせたもの。 LED レベルメーター付き汎用小型アンプでスピーカー内蔵。うちではパソコン用液晶ディスプレイにテレビ画面を映したりしているので、その際の音声再生用。 写真1:外観 写真2:パネルを外す。中はすっからかんでレベルメーター基板とスピーカーぐらいしかない。気が向いたら電源を内蔵することにしよう(^^;。 写真3:レベルメーターキットの上にアンプ基板を寄生させている。 写真4:三菱のマルチメディアステーション(アップスキャンコンバータ)、液晶ディスプレイとともに組み合わせて使用している様子。現在もベッドサイドマシン用アンプとして活躍中。 |
![]() ![]() |
1995年 | キット製作 | 秋月の -ΔV 超急速充電キットと自動停止放電キット 秋月の -ΔV 超急速充電キットと自動停止放電キットを組み合わせ、電池ボックスを本体組込みにしたもの。 単3×6用。やや大型だが充電電流・時間を切り替えられるようにしてある。ThinkPad 220、デジカメ、MD ウォークマン用に大活躍した。 |
![]() |
1993年 | キット製作 | 秋月の -ΔV 超急速充電キットと簡易放電器 秋月の -ΔV 超急速充電キットと簡易放電器を組み合わせたもの。単三×6で ThinkPad 220 用の電池充電を目的として作成したもの。 小型、薄型を念頭に置いたので、結構小型に仕上がっている。 |
![]() ![]() |
1992年? | アナログ | パチンコ液晶ビデオモニタ 第2号機 部品配置を再考し、よりスマートに基板を作成。(この時点でもまだ秋月の NTSC → RGB 変換キットは未発売) こちらにも秋月のヘッドフォンアンプを組み込み、ビデオにつないで「枕元テレビ」として活躍した。 |
![]() ![]() |
1991年? | アナログ | パチンコ液晶ビデオモニタ 第1号機 いわゆる「パチンコ液晶カラーモニタ化」の初期作品。いわゆる「NANAO液晶」と話題になった 4インチ STN 液晶に V7021 チップを使った NTSC → RGB 変換基板という構成。 この頃はまだ秋月の NTSC → RGB 変換キットが出る前で、ニフティの会議室で情報を集めながら変換基板を各自工夫して作った。 ちなみに秋月のヘッドフォンアンプキットを入れてあり、初代枕元テレビとして重宝した。 |
![]() ![]() |
1979年? | デジタル | 電子ルーレット 「初歩のラジオ」に載っていたもの。 個人的には本格的に IC を使った作品。 |
| 秋月電子通商 | 自作派にはお馴染み。格安な電子部品はもとより、オリジナルキットが豊富。通販不可品があるのが痛いが、キットの豊富さ、パーツの安さは圧倒的。2007年には秋葉店がやや拡張され、八潮にも店舗ができた。 |
| 千石電商 | とりあえずここだけでひと通りのものが揃うので、秋月とペアで必ず立ち寄る ^^; |
| 若松通商(電子デバイス) | オーディオ用コンデンサ等豊富。 |
| 鈴商 | レベルメータ用 LED の調達はここが便利 |
| 共立電子 | 「東の秋月、西の共立」とも言われる西日本自作派のメッカ。部品、キットとも豊富。 |
| エレキット | キットの老舗。真空管アンプキットをはじめ、幅広いジャンルのキットがある。 |
| 水魚堂さんのページ | とても便利でかつフリーの回路図エディタ BSch の開発元。作者様に感謝! |
| ETSoft さん「ラジオ工作」のページ | Bsch の補助プログラム「パーツドロッパー」の配布元。作者様に感謝! |
| PasSのページ | フリーの基板エディタ「PasS」のページ。作者様に感謝! ユニバーサル基板での配線には Eagle や PCBE よりもこちらがお勧め。 実体配線図の作成が簡単にでき、最後は PCBE へのデータ出力も可能。右クリックメニューがマルチディスプレイに対応していないのが残念 |