(Last update:2016/03/19)
![]() |
![]() |
| まずはブレッドボードで基礎検討 | 基板表 |
![]() |
![]() |
| 基板裏 | 仮組みして動作確認 |
![]() |
![]() |
| 最終実装状態 | 照射面 |
![]() |
![]() |
| 裏面 | 側面 |
![]() |
![]() |
| パーフェクトなケース加工 ^^ | 充電時の様子 |
![]() |
![]() |
| 使用例その1 上から照射 |
使用例その2 下から照射 |
![]() |
![]() |
| フィールドでの使用例その1 | フィールドでの使用例その2 |
![]() | |
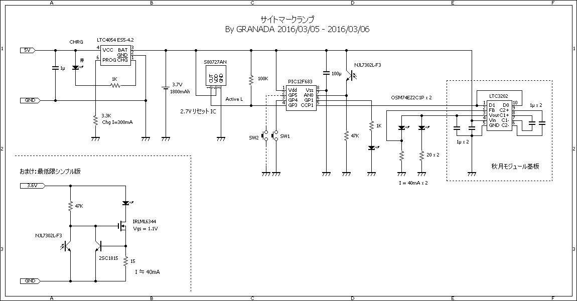
| 回路図 | |
【きっかけ】
最近のキャンプ場はなかなかオシャレ。サイトに表札や独自の目印(サイトマーク)を掲げるのも珍しくない。
ウチはグラナダ焼きのザクロ柄のタイルをサイトマークにしているのだが、夜でも見えるようにと専用のライトを設置することに
^^;
【設計方針】
これが屋内なら 100均ライト(爆)でも用は足りるが、屋外だと一晩放置すれば雨や夜露にさらされるので、いずれダメになるのは目に見えている
^^;
そこで以下の仕様で専用ライトを製作する。
・防滴構造(最重要)
・サイトマーク(15cm x 15cm のタイル)全体を照らせる
・充電式で最低 2晩(20時間)稼動可能
・過放電防止機能付き
・明るさ検出機能付き(暗くなると自動点灯、明るくなると自動消灯)
・サイトマークの上下どちらからでも照らせる ・そこそこ小型
これに加え今回は
・在庫整理をかねてストック部品だけで作る
ことも目指す ^^;
【ソフトウエア】
既に作成済みで実績のあるこちらの汎用
PWM モジュールの「常点灯モード」を使用する。
【キー操作仕様】
こちらの汎用 PWM モジュールのページ参照。
【ハードウエア】
1つ目の問題は電源。
実運用上は乾電池(単三)が一番便利だが、電池交換できるケースは限られるし、何より隙間が生じて防水上宜しくない。
ならば充電池、ということになるのだが、ニッケル水素系は体積を食う割に容量が小さくてイマイチ。
で、結局はリチュウムイオン電池になるわけだが、汎用品には丁度いいサイズ・容量のものが無い。
そこで今回はリスクを承知でデジカメ用(1800mAh)のものを流用し、金メッキ電極部分にリード線をハンダ付け(爆) もちろん、この作業はごく短時間に一発でハンダ付けをしてリスクを最小限に抑えマス
^^;
お蔭様で充電・放電とも正常ですが、良い子は決してマネをしてはイケマセン
^^;;;
で、次の問題は LED ドライブ部。
定電流制御には部品箱で眠っていた LTC3202(を使った秋月のモジュール)を使用することに。
LTC3202 は電源電圧 2.7V 〜 4.5V、最大 125mA の出力が可能で 100Hz 〜 500Hz
の PWM 信号でマイコン制御も可能。
もともと汎用 PWM モジュールは LTC3202 と連携できるよう PWM 周波数を 250Hz
にしてあったので、すぐに PIC と連携できるのも決め手となった ^^v
ただ LTC3202 はスイッチドキャパシタ型の昇圧コンバーターなので降圧機能は無く、電源電圧が高いうちはあまり旨みは無いのだが、電源電圧が
LED の順方向電圧を下回っても輝度が低下しないというご利益はある。
LED はタイル全面を照らせるよう 2個使用し、各 40mA x 2 = 80mA 流す。多くの砲弾型
LED は Max 30mA 程度とオーバースペックになるため、LED には 1つのパッケージ内で
LED が 3 パラレルになった OSM74EZ2C1P を使用した。
【実装】
ケースはテイシンの TB-55( W 80mm x D 50mm x H 20mm)を採用。
LED は上下どちらからでも綺麗にサイトマークが照らせるよう、隅の部分に設置(工夫その1)。
ケース裏側には吊り下げ用のフックをネジ止め。このフックは下から照射する際に脚の役割を果たす(工夫その2)。
側面には充電用の USB マイクロコネクタ、充電インジケーター、明るさセンサー、タクトスイッチを配置。
写真の通り、ケース加工は完璧で実に綺麗に仕上がった ^^
なお、今回はスイッチ操作インジケーター LED は実装していない(防水を考えて余計な穴を開けたくなかったため)。
【防水(防滴)について】
自作の電子工作品で一番難しいのが防水(防滴)。いかに開口部を最小限にして隙間を無くすかがポイントとなる。
特にスイッチ類、コネクタ類は鬼門だが、タクトスイッチは防水品を amazon
検索 (!) で入手できたので LED ともどもケースに取り付け、裏側からホットボンドで周りを固めて防水性を確保。
一方、USB マイクロコネクタはキャップを被せて防滴する。
【使用感】
写真の通り、上下どちらから照射しても視認性は良好。早速一軍入りが決定
^^
防滴であることはもちろん、明るさによる自動 ON/OFF や過放電防止機能もあるので、一度設置したら撤収時まで安心して放置できるのもイイ
^^
またフィールドでは 40mA (PWM DUTY 50%) も流せば十分にサイトマークが視認できたので、稼働時間もおよそ
45時間と満足のいくレベル ^^
あ、ちなみに今回は当初の目標どおり、ケースやコネクタ類まで含めてストック部品で賄えマシタ
^^v
【プログラム】
こちらのものと同一。
【おまけ】
明るさ固定で過放電防止機能が不要なら、非常にシンプルな回路で同等の機能が実現できる。
具体的な回路(動作確認済み)をおまけとして回路図に載せておいたのでご参考まで。