松本船舶・マリンランプの改造

(Last update:2016/01/05)


オリジナルのマリンランプ
松本船舶「2号テサゲ」
電球型 USB ライトを
内蔵する方向で改造
第一次改造後の状態
DC/DC コンバーターを内蔵
しただけのお手軽改造
一応完成。
1シーズンこの状態で運用するほど
実用性は高かった ^^
第二次改造基板 表
銀色の円柱が水銀スイッチ
第二次改造基板 裏
フォトトランジスタやモード確認用
LED はモールドに穴を開けて設置
CL6808 基本回路 まずは動作最低電圧と PWM
周波数の基本特性を確認
最終改造基板 表 最終改造基板 裏
CL6808 の実装具合に注目 ^^
フォトトランジスターとモード確認用
LED は電球モールドに穴を開けて実装
フィルム上のヒートシンク
クールスタッフ」で CL6808 を
冷却してみた
フィールドでの使用例その1
下方向を照らすには最適 ^^
フィールドでの使用例その2
自立も可能なのがこのランプのいいところ
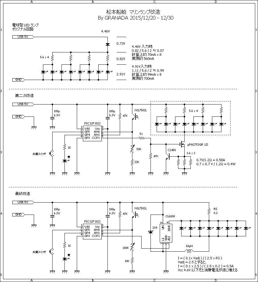
回路図


 さて、真鍮の LED ランプ(ランタン)を作ろうシリーズ第三弾は、マリンランプの改造。

 結果的に三段階を経て最終形に到達したので、その記録を残しておきます。


【実装】

 外装に使用したのは松本船舶のマリンランプ「2号テサゲ」。

 リチュウムイオン電池を内蔵しようと思っていたのだが、実物が届いたら案外径が小さくて十分な容量の電池が内蔵できないことが発覚(爆)。

 そこで電源は外付けのモバイルバッテリーにすることにして、市販の電球型 LED ランプ(USB 給電タイプ)を内蔵することに。


【ハードウエア】

 (1) 改造第一段階 (2015/6)

 市販の昇降圧 DC/DC コンバーターで電圧を 3.4V 程度まで落として LED をドライブするお手軽改造を実施。

 電流を抑えたことでやや輝度は低下したものの、高効率 DC/DC コンバーターのおかげで消費電流は 560mA → 300mA と大幅に減少。おかげで 3泊ぐらいまでなら 13000mAH のモバイルバッテリー 1個で十分賄えて実用性は極めて高い仕上がりに ^^

 おかげで1シーズン、この状態でメインランタンとして使用。


 (2) 改造第二段階 (2015/12)

 しばらく上記の状態で使っていたものの、明るさ切り替えができないのが唯一不満だったので更なる改造に着手。

 既に作成済みのファームウエア(コレと同一)を使用した PWM 制御にすることに。

 ただ LED ドライブ部分は普通の定電流回路にしたためエネルギー効率が悪く、消費電流が 560mA に逆戻り。

 実際にフィールドで使ってみると、結構電池の持ちが意外と悪化したため、さらに改造を施すことに。


 (3) 改造第三段階

 秋月の Web サイトを覗いていたら、面白そうな LED ドライブ IC CL6808 を発見。

 こいつを使えば PWM 制御と降圧コンバーターを一気に両立できてエネルギーロスを低減できるはず、ということで早速採用。

 結果、消費電流も 380mA と十分納得のいくセンに落ち着いたのでこれを最終形とする。

 以下、この最終形について解説する。


【ソフトウエア】

 以前から使っているこちらのファームウエアをそのまま使用。

 機能、キー操作等はそちらを参照されたし。


【回路設計のポイント】

 最大のポイントは LED ドライブ IC CL6808 を使用したこと。

 CL6808 は外部から PWM 制御可能な降圧コンバーターで、最低動作電圧 5V、外部 PWM 制御周波数は DUTY 10% 以下を制御するには 500Hz 以下が望ましい模様。

 ただ実際に試してみると 4.6V 程度からエネルギー効率改善が見られ、外部 PWM 信号も 1KHz で問題なく DUTY 10% 以下を制御できた。(ただし個体差やロット差があるかもしれない)

 ドライブ電流は抵抗 RS で設定するのだが、PWM 出力≒ 5V で Vadj = 2.5 として計算できるため、I = 0.1 / RS となる。すなわち、0.1Ωで 1A となるので、0.2Ωにして 500mA に設定。

 LED はもともとの LED 基板を利用するが、実装されていた抵抗 (5.6Ω) をショートさせて素の LED x 8 パラレル状態にしてドライブすることに。

 今回の制作上の難点は CL6808 のパッケージが SOT89-5 であること。

 ユニバーサル基板とは相性がイマイチだが、うまくランドに合わせればユニバーサル基板にも実装可能(写真参照)

 また防水上問題となるスイッチには前回改造同様、水銀スイッチ(傾斜スイッチ)を採用。

 ランタンをひっくり返すことでスイッチ操作が可能となるため、スイッチ用の穴が不要となり、防水性を損なわずに済んだ。

 なお、CL6808 はソコソコ発熱する。ざっと計算すると ( 5V x 0.38A ) - ( 3V x 0.5A ) ≒ 0.4W が熱損失となる。放熱処理無しで連続点灯したところ、チップの温度上昇に伴い消費電流が 420mA まで上昇したため、ヒートシンクを付けることに。

 もっとも、手持ちの金属ヒートシンクはサイズ的に入らなかったので、秋月で売っているシート状のヒートシンク「クールスタッフ」で放熱することにした。

 この処理により、消費電流は点灯直後 0.36A → しばらく放置して 0.38A で安定した。おそらく十分な放熱ができるなら 0.36A で安定してさらにエネルギー効率が上がる可能性が高い ^^;


【使用感】

 実際に動作させてみると消費電流は 5V 380mA。変換効率は 3 x 5 / 5 x 0.38 ≒ 0.79、すなわち 79% とまずまず。

 ただ電池の持ちは確実に改善し、実用性はかなり高くなった ^^


【プログラム】

 プログラムはこちらと同一のものを使用。


 [電子工作のページへ]