Coleman CPX6 LED Classic Lamp 再改造

(Last update:2016/3/1)


これまでの制御基板
右下の 4.7Ω x 4(パラレル接続) が
問題の電流センス抵抗
新制御回路・基板表
基板裏
電流センス抵抗や DC/DC コンバーター
制御用の 2つの FET はこちら側に実装
最終調整中 ^^
実装の様子
固定はホットボンド ^^;
完成 ^^
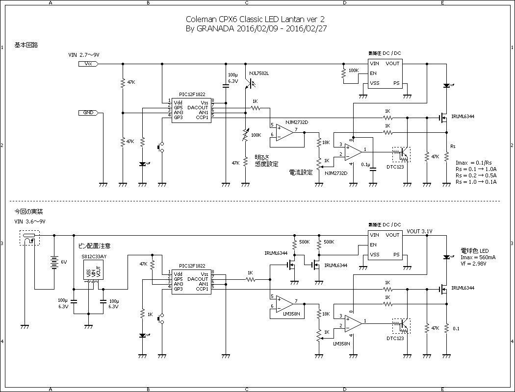
回路図

【きっかけ】

 1年半ほど前、格安で手に入れた Coleman CPX6 LED Classic Lamp。

 分解してみたらあまりにもエネルギー効率が悪いので速攻で改造し、以来愛用してきたわけだが、さらなるエネルギー効率の改善を目指して再改造することに。


【前回改造の問題点】

 前回の改造内容は

 ・PIC12F683 で PWM 制御
 ・昇降圧 DC/DC コンバーターを投入してエネルギー効率を改善
 ・動作電圧を 3.6V 〜 9V に拡大
 ・外部電源入力を装備

 といったもので、なかなか満足のいく仕上がりだったが、一点だけ心残りが ^^;

 それは定電流制御を簡単なフィードバック型(電流センス抵抗に生じる電圧をフィードバックトランジスタのベースに入れる)としたこと。この回路では電流センス抵抗両端に 0.7V 程度発生しないとフィードバックがかからない。

 これはすなわち LED を 0.5A ドライブすると 0.7V x 0.5A = 0.35W が熱損失になることを意味しており、ちょいとモッタイナイ気が ^^;


【改造コンセプト】

 電流センス抵抗での熱損失を減らして DC/DC コンバーターの出力をさらに下げ、エネルギー効率の改善を目指す。

 そのためには電流センス抵抗を 0.1Ωとし、LED ドライブ 0.5A 時の熱損失を 0.025W に低減する。

 この時電流センス抵抗両端の電圧は 0.05V (50mV) なのでオペアンプを使った定電流回路を採用する。


【ハードウエア】

 PIC を 12F683 から 12F1822 に変更。

 ・明るさ検出機能を使わない場合:RA1 (AN1) ピンを GND へ落とす
 ・低電圧停止機能を使わない場合:RA4 (AN3) ピンを VCC へプルアップ

 ことで実装部品点数を減らすことが可能。


【ソフトウエア】

 こちらのファームウエアを基に、以下の改変を行ったものを投入。

 ・クロックを 4MHz → 16MHz へ変更
 ・明るさ非検出モードを廃止し、蛍点滅、Low (DUTY 10%)、Mid (DUTY 50%)、High (DUTY 100%) の4モードとする。
   (明るさ検出が不要ならフォトトランジスタ等を実装しなければよい)
 ・定電流回路用に基準電圧(約 2.0V)を RA0 ピンに供給

 なお、基準電圧は PWM 動作が必要な場合のみ供給し、それ以外は L レベルにするようプログラムしてあり、DC/DC コンバーターの制御信号に流用可能(下記参照)。


【スイッチ操作仕様】

 こちらのファームウエアと同じ。


【回路設計のポイント】

・基準電圧まわり

 基準電圧については注意点が2つある。

 1つめの注意点は基準電圧のドリフト。

 12F1822 の RA0 ピンには PIC の内部基準電圧〜DAC を経由して約 2.0V の基準電圧を供給するよう設定してあるが、実際に測定してみると PIC の電源電圧によって基準電圧が案外ドリフトすることが判明(爆)

 具体的には 3mV/0.1V 程度ドリフトするのだが、これはすなわち電流センス抵抗 0.1Ωとした場合、PIC の電源電圧が 1V 上がると 300mA ぶん設定値が変動することを意味している(汗)

 これを避けるには三端子レギュレーター等で PIC の電源電圧を一定にするか、別途 TL431 で基準電圧を供給する必要がある。今回は対応電源電圧を広げる目的もあり、三端子レギュレーターを使用した。

 次に 2つ目の注意点は、PIC のデータシートに記載がある通り、DAC 出力のインピーダンスは高いのであまり電流が取り出せない点。そこで今回はボルテージフォロワーを通して出力を増強してある。


・定電流回路

 基準電圧源を使って 0〜0.1V を VR で設定できるようにして、その電圧をオペアンプに入れてやれば定電流回路のできあがりなワケだが、今回は PIC の PWM 出力にチョッカイを入れる回路構成のため注意が必要。

 スイッチング素子に Nch FET or NPN Tr を使用する通常の定電流回路では設定電圧をオペアンプの + に入れ、電流センス抵抗両端電圧をオペアンプの - に入れて設定電圧に達するまでオペアンプの出力が H になるようにするが、今回はオペアンプの入力を逆にして出力を逆転させて PWM 信号をインタラプトしている。

 オペアンプは単一電源でボルテージフォロワー使用 OK なものならたぶん何でも良い。

 今回は電源電圧 3.6V 以上を想定しているため LM358 を使用したが、LM358 の最小動作電圧は 3V なので、それ以下で稼動させたいなら NJM2732D (最小動作電圧 2V、実際にこの回路で動作確認済み)を投入する必要あり。


・DC/DC コンバーター制御まわり

 PIC からの DAC 出力を流用して DC/DC コンバーターの Disable/Enable 制御をしている。注意点は、

 (1) 2V でスイッチさせなければならない
 (2) PIC の基準電圧出力はインピーダンスが高く、トランジスタの直接制御は不可

 となっていることから Vgs = 1.1V の FET IRML6344(秋月で購入)を使っている。

 また前作で使ったような FET の使い方(電圧レベル変換しながら一発で DC/DC コンバーターを制御)ができないので、止む無く出力を反転させて DC/DC コンバーターを制御している。


・LED ドライブ

 スイッチング素子にも Vgs = 1.1V の IRLML6344 を使用。低電圧でも Rds が小さい(37mΩ @Vgs = 2.5V)ためエネルギーロスを抑えられるハズ。Ciss は 650pF と大きめだが PWM 周波数は 1KHz と低いので問題ナシ。

 唯一の難点は SOT23 パッケージのためユニバーサル基板との相性がイマイチで、変換基板を使って実装した ^^;

 IRLML6344 が手に入らなくても Vgs が 2.5V 以下で Id max 1A 以上の FET なら大抵のものが使えるハズ。


【最終調整】

 DC/DC コンバーター電圧を 4V 程度にしておき、Rs 両端電圧を測定しながら VR でドライブ電流を設定する。(Rs = 0.1Ωなら 50mV で 500mA、100mV で 1A)。

 その後はそのまま Rs 両端電圧が下がらないところまで DC/DC コンバーターの電圧を下げていけば OK。


【改造によるエネルギー効率改善効果】

改造前 改造後
LED ドライブ電流 380mA 500mA
DC/DC コンバーター出力電圧 3.53V 3.10V
LED 順方向電圧 2.98V 2.98V
FET ドレイン・ソース間電圧 44mV 58mV
消費電流 (5V) 320mA 340mA


 電流センス抵抗部分の無駄を無くしたことで DC/DC コンバーターの出力を 3.1V まで下げることができた ^^

 おかげで消費電力がほぼ同じなのにドライブ電流が増えて輝度が向上 ^^

 効果が体感できて改造は大成功と言えよう ^^v


【使用感】

 近々出撃して実戦配備予定。


【プログラム】

商用利用厳禁
プログラム (HEX ファイル)

2016/02/29 ver 1.0
LED_Lantern_12F1822_v1.0.zip


 [電子工作のページへ]