サーキット・ラップタイム・カウンタ用 磁気センサの研究

現在使用中のセンサ(試作基板その1
センサはジャンクの磁気コイル、
仕様不明ですが、マイクロカセットか何かの
ピックアップコイルのようです。
高精度アンプを使用して高感度だけど、
実際上は、そこまでの感度は必要がなさそう

2002.12.12

磁気センサに関してのお問い合わせが多いので、ちょっとまとめておきました。基本的には、テープレコーダーの磁気ヘッドと同じようなものでセンスできます。というか、卓上試験では、ウオークマンそのものでも検出可能なようでした。TC2000のホームストレート上では、最低でも100km/hはでているので、路面とセンサの間が20cmくらい離れていても、かなりの感度でセンス可能なようです。磁石の上を徐行しているような状況ではうまくセンスできないかもしれません。


ウオークマンでやってみる


壊れた古いウオークマン

中の基板を取り出す

古いウオークマンを使った実験です。メカ部を取り外し再生磁気ヘッドとアンプ基板だけを使います。信号の取り外しはイヤフォン端子からできます。磁気ヘッドの向きはテープが走る方向と車は走る方向を同じにして設置します。イヤフォン端子には、とりあえずオシロスコープをつけて卓上試験をやってみました。

感度は少し低めです。でも、イヤフォンのインピーダンスが低めですから、トランスで上げてやれば電圧だけは取れるでしょう。ただ、ボリューム最大にするとノイズが多いです。ドルビーを掛けたりすると少しマシになりますが、今度はハム音が気になります。

卓上試験のみですが、信号の取り込みさえ工夫すればできそうでした。形状が大きく、なんだかノイジーなので、これ以上の実験はしていません。


試作基板 その2

現在、安価な部品だけで試作中です。あくまでもセンサ部分だけで、これでラップタイムの測定はできません。磁気の下を通るたびにスイッチが入る回路で、市販のストップウオッチ(2000円くらいだそうです)につなげば、とりあえずラップタイムは測定できそうです。スイッチを押すたびにラップタイムを測定してくれるストップウオッチがあるそうで、それを使うと毎周のラップを測定可能になるようですが、実際にテストしたわけではないので、動作の程は保証できません(^^;) そのうちにテストする予定ですが、なかなかサーキットに行けずテストもできません。センサ基板のみの部品配布も考えていますが、カウンター部はストップウオッチを流用した方が安上がりのようなので、現在予定はありません。

2003.5.5

実は、未だに自分でテストしていないのですが、SARDのアタックメータに取り付け、FISCOでの動作したレポートを頂きました。アタックメータに付ける場合は、スイッチの論理が反対で、一部回路を変更する必要があるようです。

2003.6.19

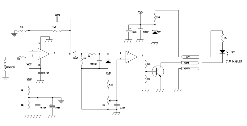
動作保証は一切できませんが、回路図を公開します。ICは汎用OPアンプで良いでしょう、トランジスタも汎用小型品が使えます。部品代は800円以下(買い方で大きく変わるが)でしょう。動作実績はあるので、あとは、組み方と使い方だけかな? 市販品のように完全無調整とはいきません、多少の苦労はありそうです(^^;)