ホーム > 家族のギャラリー > PIC電子工作 > フリスク・プレゼンタイマ

2014.2.22

フリスク・プレゼンタイマ

フリスク・プレゼンタイマ

薄暗い壇上でのプレゼンテーションでも時間がわかり易い、7セグLED表示のタイマを作ってみた。

■特徴■
・相変わらずのフリスクケース
・薄暗い壇上でも見やすいLED表示
・電池切れの心配がないUSB給電
・時間切れが聴衆に分からない無音アラーム
・超過時間をマイナス表示
・カウントダウン/カウントアップ両モード
・左右どちらのUSBポートにも挿せるリバーシブル


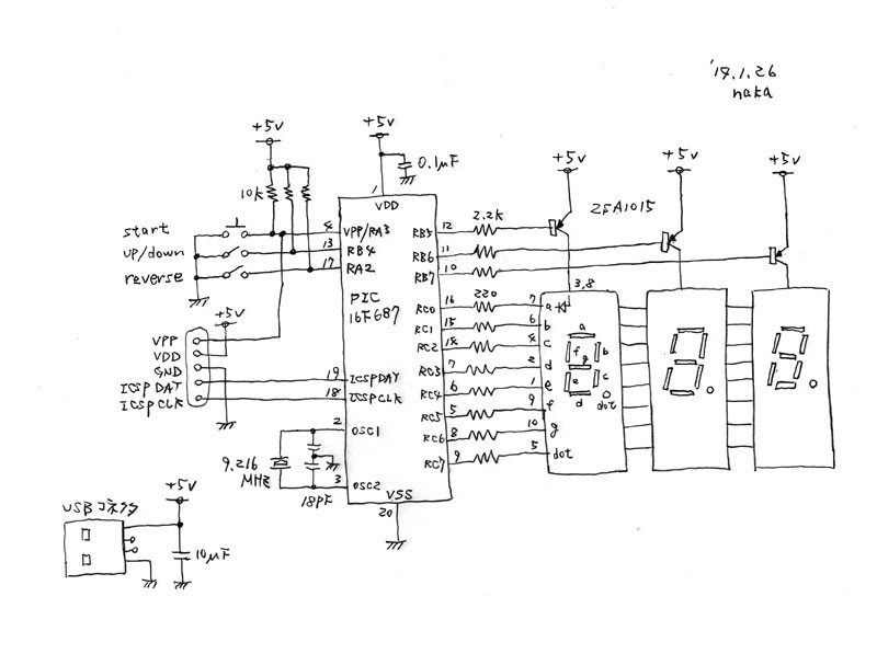
フリスク・プレゼンタイマ回路図

回路図

PICは手元にあった表面実装タイプのPIC16F687を使用。発振子にはクリスタルを使ってそれなりの精度を確保。内蔵発振でも大した誤差ではないと思うが。

回路図の拡大図です。無保証です。

7セグLED

7セグLED

今回、フリスクのケースに収めるための薄い7セグLEDが肝。ネットで探したらaitendoで表面実装用の7セグLEDが見つかった。

7セグLED下駄

7セグLED下駄

フリスクケースの蓋を透過させて表示するために、LEDの表示面を蓋の裏に密着させる。

このために高さを稼ぐ下駄を履かせた。下駄はガラエポのユニバーサル基板。半田付けではなく、両面テープで貼り付けてあるだけ。

写真は、表面に工作中の傷防止のためのマスキングテープを貼ってある様子。

7セグLED

基板

秋月の1.27mmピッチのスルーホール基板にUSBコネクタ、PIC、クリスタル、7セグLED基板を仮置きしてレイアウトの検討中。

LED基板はダイナミック点灯用に各セグメントを配線してからメイン基板に載せる。

7セグLED

基板完成

ちょっと配線が混みすぎた。細いポリウレタン線を使ったほうがよかった。

フリスク・プレゼンタイマ

プログラム

キッチンタイマのプログラムを流用して作った。

ソースプログラムです。バグがあるかもしれません、無保証です。著作権は留保しますが、改変などご自由にどうぞ。

フリスク・プレゼンタイマ

デバッグ

PIC Kit2をつないでプログラムの書き込み、デバッグ中。

タクトスイッチの操作による状態遷移周りのデバッグに手間取った。

フリスク・プレゼンタイマ

ケースに収めた

フリスクケースに収めた様子。

ケースのラベルは、ヘアドライヤの熱風で熱くしてから剥がすと綺麗にはがれる。

フリスク・プレゼンタイマ

操作系

DIP-SWでモード切替、タクトSWはスタート/ストップなど。

フリスク・プレゼンタイマ

蓋の裏側

明るい場所で少し見づらかったので、蓋の裏をざぐってみた。薄暗いところで使うならざくらなくても大丈夫だと思う。

中央の四角い場所は表側の窪みのため、これ以上ざぐると穴があくので残してある。

フリスク・プレゼンタイマ

通電

USBから通電すると設定した時間(分)を表示して待機。

タクトスイッチを押すとカウントダウンが始まる。

フリスク・プレゼンタイマ

カウントダウン中

残り時間は、0分15秒〜29秒のところ。

秒の桁は1セグメントあたり15秒を表現し、カウントダウン中は点滅する。

フリスク・プレゼンタイマ

タイムアウト

設定時間が経過すると、アラームのアニメーション表示する。

音はでないので、大事なプレゼンで使っても安心。

フリスク・プレゼンタイマ

マイナス表示

設定時間を過ぎるとマイナス表示して、超過時間がわかる。

ただし、桁数の関係でマイナス表示は−9まで。その後はマイナス記号が表示されずにカウントアップする。

フリスク・プレゼンタイマ

ノートPCの右側にUSBポートがない!

なんと! ノートPCの右側にはeSATAとLANポートしかなかった。

フリスク・プレゼンタイマ

リバース表示

そんなときには左側のUSBポートに挿して表示を反転。

フリスク・プレゼンタイマ

モバイルバッテリでも使える

モバイルバッテリを使えばパソコンが手元にないプレゼン(そんなシーンは思いつかないけど)でも大丈夫。

動画


諸元

 ・計測時間:1〜99分
 ・表示方法:2桁の分表示+1桁のアニメ
  - 分の桁はゼロサプレス表示(上位桁の0は非表示)
  - 秒の単位は7セグの上半分を使った□形の各セグメントが15秒ごとに変化するアニメーションで表現
 ・カウントアップ/カウントダウン
  - モードはDIPスイッチで切り替え
  - カウントダウン・モードでタイムアウトした後はマイナスで継続表示
 ・リバース表示
  - ノートパソコンの左右にあるUSBポートに挿した方向に応じてDIPスイッチで表示を切り替え

操作方法

(1)カウントアップ
 ・給電前(USBポートに挿す前)にDIPスイッチをカウントアップにしておく(給電後に変えても反映されない)
 ・USB給電開始(USBポートに挿す)で0表示
 ・タクトスイッチのクリックでカウントアップ開始
 ・動作中にクリックすると一時停止、再度クリックで再開
 ・動作中、一時停止中に長押しするとリセット(0表示)
 ・99分の次は0分に戻り、測定継続
  カウントアップ時は設定時間は無効(アラームも無い)

(2)カウントダウン
 ・給電前にDIPスイッチをカウントダウンにしておく(給電後に変えても反映されない)
 ・USB給電を開始すると設定されている時間(分)表示
 ・タクトスイッチのクリックでカウントダウン開始
 ・動作中にクリックすると一時停止、再度クリックで再開
 ・動作中、一時停止中に長押しするとリセット(設定時間表示)
 ・タイムアウトでアラームアニメ表示( _oO という感じ)。音はでない
 ・アラームアニメ終了後、マイナスで経過時間表示(アラーム中も経過時間計測)
 ・マイナス表示は -0 から -9 まで。-10 以降は桁数が足りないので通常表示

 ・時間設定はカウントダウン前や一時停止中に長押し
 ・時間設定モードは当該桁が点滅
 ・点滅桁はクリックする毎にカウントアップ(0〜9の範囲)
 ・長押しで次の桁に移動、10分の桁の設定完了後、長押しで設定完了

(3)リバース表示
 ・ノートパソコンの左右にあるUSBポートに合わせてDIPスイッチを切り替えることで表示方向切り替え
 ・リバース表示の切り替えは動作中でも反映される

以上


from Metal Woods(c) 2014