ホーム > 家族のギャラリー > PIC電子工作 > 次の工作

2015.3.28
2015.1.31
2015.1.21
2015.1.4

次の工作

次の工作は思っていたように進まず(花粉症がひどくて気力がでないのと、興味が薄れたというのが大きい)、一旦保留にしています。

中途半端ですが、ひとまず一部の回路図・ソースをアップします(2015.3.28)。


時計モジュール

時計モジュール

時刻情報をシリアル出力するつもりでしたが、実装できていません。LCD時計としては使えます。

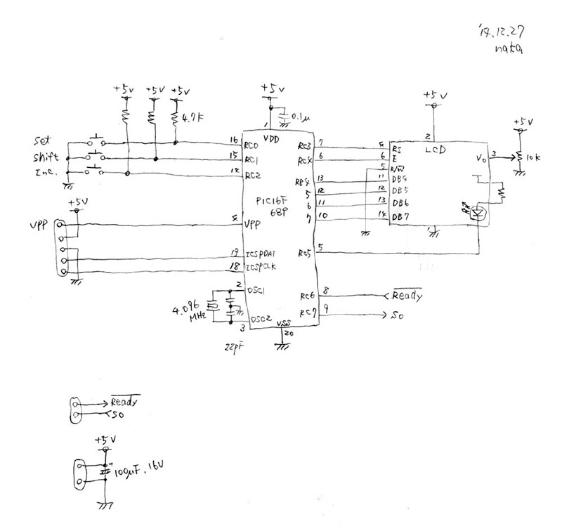
時計モジュール回路図

回路図

PIC16F689と秋月の500円LCDモジュールで構成。LCDモジュールのI/Fは4線、バックライトLEDのオン/オフもソフトでコントロールできるようにしました。拡大図です(無保証です)。

ソースプログラムです。バグがあるかもしれません、無保証です。著作権は留保しますが、改変などご自由にどうぞ。

時計モジュールの動画


5x7フォント

5x7フォント

ASCIIコード文字を表示するためにソース内に5x7フォントを定義してみました。動かしているハードは、こちらのフリスク・マトリクスLED工作です。

ソースプログラムです。フォント定義は後半にあります。バグがあるかもしれません、無保証です。著作権は留保しますが、改変などご自由にどうぞ。

5x7フォントの動画


ステッピングモータ

以上


from Metal Woods(c) 2015