SoundCardデジタル入力関係


('99.2.11追加)
 AudioPCIとART-838の2枚差しもうまく機能することがわかりました(YMF724カードとの2枚差しもきちんと機能することがnekoさんのBBSで既に報告されています)。 通常は、AudioPCIの方を優先するデバイスとして選択しておいて、デジタル入出力を行ないたいときのみ、ART-838の方を優先するデバイスに切り替えてあげればOKです。 ART-838のインストール後に、ART-838に切り替えた上で「音量コントロール」の「トーン」でS/PDIFをenableしてから一度だけ再起動すれば、あとは優先するデバイスの切り替えだけでうまくいきます。

 今のIRQの様子は次のようになっています(ABIT BH6):

   IRQ 5: AudioPCI
     5: ステアリング用ホルダ
     7: ECPプリンタポート
     9: DEC 21140
     9: ステアリング用ホルダ
    10: DC390
    10: USB controller
    10: ステアリング用ホルダ
    11: CMI8338
    11: Rage Pro Turbo AGP x2
    11: ステアリング用ホルダ

CMI8338のLegacy Deviceは、使用不可にしてあります。 AudioPCIのLegacy Deviceは、IRQ7に割り当てられています。 PCIスロットの順番は、

   PCI 1: ART-838
     2: AudioPCI
     3: DEC 21140 Ethernet
     4: DC390

です。 この状態でFinal Realityも問題なく動きました。 S/PDIF in&outも、ART-838を優先するデバイスに指定すれば、正常に動作しました。 ということで、既にお気に入りのサウンドカードを持っていて、fs=44.1kHz限定でデジタル入出力を行ないたい場合には、ARISTO ART-838-3Dを追加購入して、TOSLINK(Rx及びTx)を追加するなり同軸コネクタ(受信用)を追加するなりすることが、工作の容易さ及びプチノイズ対策の容易さの双方の観点から、かなりお勧めであることがわかりました


('99.2.7追加)
 やっとのことで、TOSLINK+CS8412+ES1370と光入力する際のプチノイズを消すことが出来ました。 こちらをご覧下さい。 なお、このプチノイズは、出力改造を行なっていない場合には、ほとんど出ないものだと思います。 ずいぶん多くの方がこのプチノイズで悩まされているようです。


('98.11.30追加)
 このページで使わせていただいているスペアナソフトWavetools(Paul Kellettさん作)よりも高機能で、リアルタイム表示が可能なスペアナソフトWaveSpectraをefuさんがフリーで公開してくださっています。 非常に高速な(ほとんどリアルタイム)表示が可能な上、測定点数/FFT時の窓関数なども選択可能で、.WAVファイルのプレーヤとしても使用可能です。 とてもすばらしいものですので、皆さんも、efuさんのホームページを訪れてみてはいかがでしょうか? スペアナソフト以外にも、CD-Rメディア別の再生波形集や.WAVファイル比較ソフト(これもフリーで公開してくださっています)などもあって、CD-DAを焼きたい方は必見です。 efuさん、ご紹介ありがとうございました<(_ _)>


 例のAristo ART833以来、まともにデジタル入力の出来るサウンドカードが欲しくなりました。 これまでに録音してきたカセットテープをCD−Rに焼いて保存しておきたいからです。 その目的に使えると思ってHoontechのSoundTrack128 Rubyを買ったのですが、内部でアッテネータを経由してしまう関係でDigital I/Fでは0dB信号が0dBに録音できない、ということがわかりました

 ちなみに、現行のdigital I/O IIになってからは、0dBの入出力も問題なく行なうことができ、歪み特性も、YMF724のように高調波が出てしまうこともなく、AudioPCIと同等とのことです−下記nekoさんのホームページにあるBBSでのユーエスラボさん の発言に依ります−。 その後、自分でもDigital I/O IIを購入して色々とテストしたところ、SoundTrack128 Rubyでは、デジタル入力は正しく出来るものの、デジタル出力は調節がむずかしいという結果になりました。 是非こちらのページもご覧下さい。

 そんな折り、ART833の時にも参考にさせていただいた

nekoさんのホームページUYOさんのホームページ

を再び訪れてみると、なんとAudioPCIという5千円ほどのサウンドカードで完全なデジタル入力が出来ているではありませんか!! これはやってみるしかない、ということで、上京した際に部品を揃え、早速作ってみました。 製作例は、上記2つのホームページの他、

mackyさんのホームページyo-heyさんのホームページ、それからUZIさんのホームページ(こちらはCS8402を使った出力回路も記載されています)

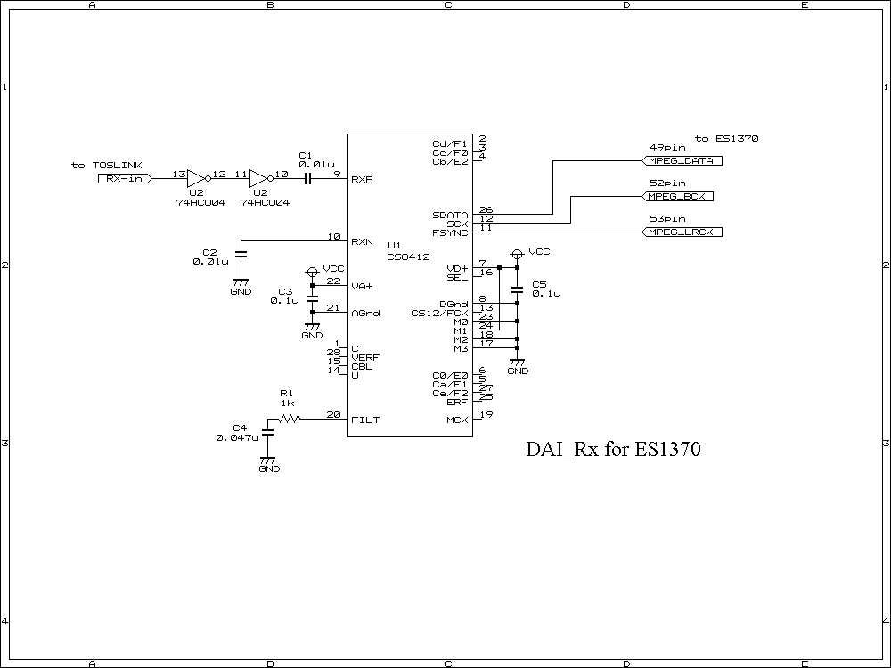
に詳しく出ています。 私がBSch Ver0.58(岡田仁史さん作−NiftyServe FDEVICEライブラリにあります−)で書いた回路図はこちらです。 また、AudioPCIからのデジタル入力用のサウンドレコーダは、 hideさんのホームページ にあります。 なお、デジタル出力改造はこちらのページです。


 私のところでは、テストCDからの光出力を入力した際の周波数応答を Paul Kellettさん作のWavetools を利用して測定したデータを置いておこうと思います。 比較のため、YMF724のZVポート経由で入力した場合のデータも置いておきます。 UYOさんのホームページにもありますように、YMF724のZVポート経由(120pin-DATA / 121pin-LRCK / 122pin-BCK)で入力すると、D/A−ミキサ−A/Dされたデータになってしまうので、完全なデジタルコピーにはなりません。 そのために、ずいぶんと高調波が見られています。



('98.7.31追加)−この方法は、nekoさんのBBSでのハロルドさんの発言がヒントになっています−

 YMF724搭載カードのYMF724からアナログミキサ(AC97)チップへの出力配線を切断してAC97からの入力に直接接続することにより、ZVポートからのデジタル信号をデジタル記録することが初めて出来るようになりました。 具体的には、YMF724の116pin(CSDI)へのAC97からの配線を切断し、118pin(CSDO)と116pinとを直接接続します。 このような改造を行なうと、AC97チップ経由でのアナログ信号のWAVファイルとしての取り込みは全く出来なくなりますが、デジタル/アナログ全ての信号の再生は可能です。 以下に、テストCDからの1kHz、0dB及び−10dBのデジタル入力をUYODAI経由でYMF724のテスト端子(ZVポート)に入力し、hideさんのサウンドレコーダで取り込んでWavetoolsで解析した結果を示します。 なお、これを行なう際には、特にnekoさんのHDRDのようなプログラムを走らせる必要はありません。 音量のプロパティでZVポートの再生ボリュームを最大にし、選択した録音ボリューム(何でもよい)を最大にするだけです。


YMF724へデジタル入力をした場合の録音結果(アナログミキサ切断済み)

 下に示すAudioPCIの場合と比べると、奇数次の高調波が見られ、なおかつ低域のレベルが高いことがわかります。 しかしながら、D/A−アナログミキサ−A/Dとした場合とは違って、0dBの入力が0dBに取り込まれ、きちんと再生されていることがわかります。

 −10dBの場合の信号でも、やはり奇数次の高調波が見られます。 低域レベルも相変わらず高いままです。 但し、信号のピーク値と高調波のうちの最大のものとのレベル差は、75dB以上はあります。

 ここで、面白いことは、録音されるレベルが音量のプロパティで示されるZVポートの再生ボリュームと録音のボリュームで左右されてしまう、ということです。 録音のボリュームは、選択できるもののうちのどれを選択しても変化します。 このことは、ZVポートの音量の設定がYMF724本体内部で行なわれていること、さらに、録音の際のマスターボリュームもYMF724内部にあることを意味しています。 ですから、上記2つのグラフに現われている奇数次の高調波は、YMF724内部で発生していることになります。 これらは、D/A−アナログミキサ−A/Dとした場合(本ページの後半を参照)にも見られていたために、全て外付けのアナログミキサで発生していると思っていたものですが、YMF724内部もAudioPCIに比べればかなり歪みが発生しやすいということを表わしています。


('98.8.1)−nekoさんからのご指摘によります−
 YMF724のブロック図を見てみると、この歪みはサンプリングレートコンバータ/デジタルミキサの部分で発生していると思われます。 この部分をスキップするには、AC-3(YMF727)インターフェース部分にシリアルデジタルデータを入力しないといけないようです。 AC-3インターフェースの制御の仕方がデータシートには全く記載されていないので、うまく行くかどうかはわかりません。 ただデータを入力するだけでよい、というようになっていればうれしいのですが。

('98.8.2)
 YMF724のAC-3インターフェースにテストCDからの44.1kHzの光出力をUYODAI経由で入力してみたのですが、完全に同期はずれのブーッという音しか入りません。 データシートをよく見直して、YMF724のAC-3入力が48kHzであることに気がつきました。 手持ちに48kHz光出力が出来るものがないので、なかなか実験はできません。

('98.8.4)
 YMF724のAC-3インターフェースに、自身のDIF出力(S/PDIF)を直接接続してみました。 ドライバ4.05.1019にて、AC-3の音量を変化させるようにinfファイルを設定し直して実験しているのですが、やはりブーッという音しか入力できません。 YMF727のデータシートを見る限り、AC-3インターフェースの入力フォーマットは、S/PDIFと同じように思えるのですが。 まだ何か足らないようです。


AudioPCIへデジタル入力した場合の録音結果

 これは、テストCDからの1kHz、0dBの光出力を、hideさんのサウンドレコーダでAudioPCI経由でWAVファイルに取り込んだものを解析してみた結果です。 0dBが0dBに表示されており、高調波が全く見られないことに注目して下さい。

 今度のは、テストCDからの1kHz、−10dBの光出力をWAVファイルにしたものを解析したものです。 まさにデジタル、という感じです。



YMF724へデジタル入力した場合の録音結果(アナログミキサあり)


 以下は、YMF724+UYODAIでZVポート経由で入力した場合の結果です。 

やり方:
 音量のプロパティの録音のところで”ステレオアウト”を選択してボリュームを最大にし、再生のところでZVポートとボリュームコントロール以外を全てミュートして、ZVポートの再生音量を上から2本目の目盛りと3本目の目盛りの間くらいにすれば、デジタル入力が大体その通りの音量で録音されます。

 0dB入力が0dBになるようにZVポートの再生ボリュームを調節すると、こんなにひどい高調波歪みが発生します。 おそらく、D/A後のアナログミキサのところで発生しているものと思われます。

 このように、入力レベルを下げていくと高調波歪みは小さくなっていくのですが、AudioPCIの場合と違って消えることはありません。 次に示すものは、−10dBの光出力を−10dBになるように調節して入力した場合の図です(0dBが0dBとなるように入力した場合と同じ設定です)。

 この場合でも、上の0dBが−10dBとなるようにした場合と同じ様な高調波歪みが見られます。


 今度は、−10dBの減衰になるようにした場合です。 5次の高調波がずいぶんと小さくくなりました。



まとめ


 結局、現時点では、AudioPCI(ES1370)搭載のサウンドカードを購入して、CrystalSemiconductor製のCS8412を用いたDAIを製作し、nekoさんのHDRDかhideさんのサウンドレコーダを使うことが、オリジナルのデジタルデータを完全に保存する方法です。 これらの方法を考え出され、実践されてそのノウハウを公表して下さったnekoさん、UYOさんをはじめ、上記ホームページの作者の方々に感謝致します。 なお、YMF724カードしかない場合でも、AudioPCIの場合よりは若干劣りますが、正当なデジタルデータの保存が可能であることもわかりました。 PCIスロットが足らず、サウンドカードは1枚しか差せない、というような場合で、YMF724のXG音源及び48kHzのデジタル出力に魅力を感じる場合には、サウンドボードのパターンカットを伴いますが、YMF724カードを用いた改造を行なう利点があろうかと思います(アナログミキサをカットしてしまうと、アナログ入力からの信号はデジタル出力されなくなります)。

 ちなみに、HoontechのSoundTrack128 Rubyの回路構成やそこで用いられているチップのデータを詳細に検討しましたが、SoundTrack128 Rubyでは、デジタル入力した後に、YMF724の場合と同じくD/A−ミキサ−A/Dが必ず入ってしまうために、AudioPCIのような完全なデジタルデータの保存は出来ないと現時点では思っています−−−と書いたのですが、実際にPCにセットして、デジタル入力を選ぶと、digital I/Oボードがない状態では、上で使ったSpectrum AnalyserのInputが”Mute”になることから、きちんとデジタル信号のままで入力されているのかも知れません。 残念ながらボード上でパターンを追うことが出来ないので、digital I/Oへのコネクタが、どのチップのどのピンに入っているかがよくわからないのです。 dream9407チップのDAADピンにセレクタICを介して直接入力されるとすれば、デジタル信号のままでPC内部に取り込まれている可能性があります。 ('98.8.4)

 冒頭にも記しましたが、 SoundTrack128 Ruby+digital I/O II+6dBオプションボードを利用すれば、デジタル信号の入出力が正常に行なえるようです。 本日、SoundTrack Mailing Listで流れてきた情報から、digital I/O IIボードの ユーザーズガイドが新たにアップロードされた、ということを知りましたので、入手してみたところ、+6dBボードを接続するような図も含まれていました。 また、以前の ボードのユーザーズガイドで、S/PDIF入力が20bit DACを介してからDAAD−ST128 mainに入力されるようになっていた図面が、”S/PDIF-AD1890-DAAD-Dream9407”というように変更されていることもわかりました。 このようになっていれば、S/PDIF入力はきちんとデジタルのままでDream9407のデジタル入力に入力され、そのままPCに取り込まれるようになると思われます。('98.8.5)

 SoundTrack128 Rubyでのデジタル入出力に関しては、是非こちらのページをご覧下さい。('98.9.18)


 これまでに判明した”デジタル入出力サウンドカード”に関する選択肢をまとめておきます:('98.9.18修正)

 ○予算3万5千円コース: SoundTrack128 Ruby+digital I/O II(6dBオプションボード付き)
     デジタル入力が可能(ADCを経由した信号を完全に遮断してデジタルデータのみをそのまま記録出来るが、
     必ずサンプリングレートコンバータ−AD1890−を経由してしまう)
     光入力/同軸入力(8kHz〜56kHz;スイッチ切り替えによる排他使用)及び光出力/同軸出力あり(CS8412+AD1890+CS8402)
     サンプリング周波数は、12kHz/22.05kHz/44.1kHz
     付属のソフトウエアで、デジタル入力とADCを介した通常入力とを容易に切り替えられる
     IRQを2つ必要とする−IRQ5及びIRQ9;変更不可−
   ☆記録した.WAVファイルそのもののデジタル出力を行なうための調節が難しいこちらのページをご覧下さい−

 ◎予算1万1千円コース: AudioPCI+CS8412+CS8402
     性能的にはSoundTrack以上−入力データを全く加工せずに.WAVファイルに落とせる−但し、DAI(Rx及びTx)を作製する必要あり
     少なくとも、32kHz〜48kHzの入力に対応−.WAVファイル録音時に入力のサンプリング周波数に合わせて正しく設定すること−
     出力は、入力データのサンプリング周波数そのもの(AudioPCI(ES1370)デジタル出力改造及びnekoさんのホームページ参照)
     デジタル入力をenableするために、nekoさんのHDRDかhideさんのサウンドレコーダを使う必要がある
     残念ながら、MIDI出力は不能(無理にやっても、10kHzまでしか高域が延びていないデータになる−AudioPCI(ES1370)デジタル出力改造参照−)
 ☆☆現在のところ、.WAVファイルの完全なデジタル入出力を行なう唯一の方法です

 ○予算8千円コース: YMF724+CS8412
     歪み特性が上記AudioPCIには劣る−DAI(Rxのみ)を作製する必要あり
     パターンカットを行なうため、アナログ信号の取り込みがスイッチなどを付けない限り出来なくなる
     少なくとも、32kHz〜48kHzの入力に対応−ZVポートからの入力は、サンプリングレートコンバータ−デジタルミキサを必ず経由する−
     出力は48kHz固定−入力時及び出力時の2回、サンプリングレートコンバータを通過することになる−
     デジタル入力のenableは、ドライバ4.05.1018では標準でWin95の音量のプロパティから可能、
       ドライバ4.05.1019でもinfファイルをいじってZVポートを表示させるようにすれば可能
     20kHzまで高域が延びたMIDIファイルのみならず、.WAVファイル(パターンカットをしなければA/D信号も)もデジタルミキサ経由でデジタル出力できる

デジタル入力だけでよければ、AudioPCI+CS8412で9千円コース、デジタル出力だけでよければYMF724で5千円コース、といったところでしょうか。 ちなみに、AudioPCIとYMF724の2枚差しは正常に機能します(YMF724の方のLegacy Device Supportを使用不可にすればよい−AudioPCIを入力デバイス、YMF724を出力デバイスとして、AudioPCIのライン出力をYMF724のライン入力につなげば、AudioPCIからのデジタル入力の際のモニタが容易です)。('98.8.5)

 MIDIファイル出力やアナログ信号等のミキシングが出来る、というところを考えると、現時点では、ES1370をデジタル信号の入出力のみに使って、通常のアナログ入出力及びMIDIファイル出力をYMF724に任せる、というのが最良の使い方のように思います('98.9.9)