AZ−1ワークス

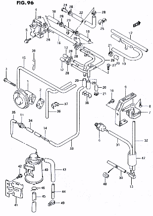
 EGR周りやアイドルアップバルブ周りの配管が異なっている。AZ−1の実物を見ながら組み直すことで、ワークスのエンジンに載せ変えることができる。