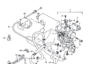
1型(AZ−1に適応可)2,3型(AZ−1に適応不可)

 赤の矢印で示してあるのがスロットルボディー。2,3型にはスロットルボディーにISCバルブが内蔵されているなど、大きく異なっている。