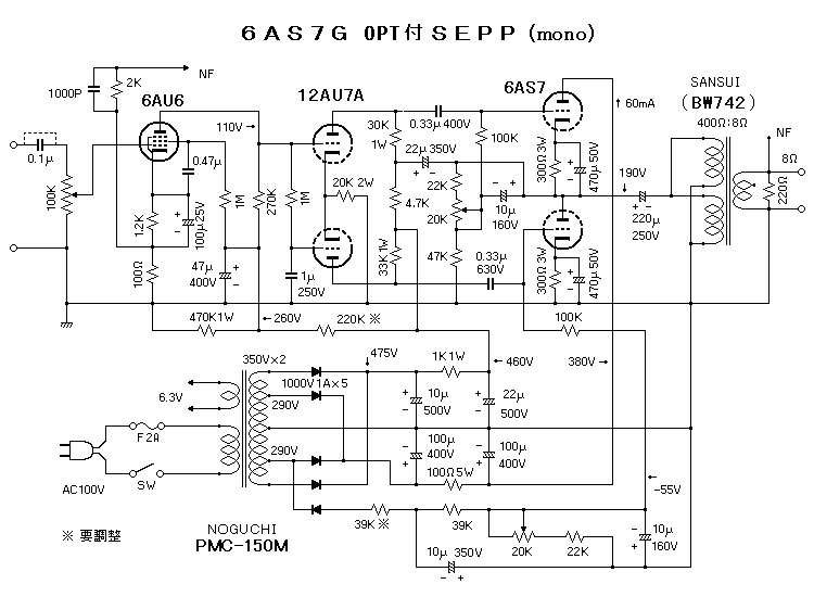
6AS7G OPT付SEPP






 前章のOTLアンプでは6AS7Gを選別し

て使用したのですが、入手した球の半分近くが

選別にはじかれて残ったので、これを活用する

為に製作を思い立った物です。前章を読み返し

て見ると6AS7Gがえらく扱い難い球のよう

に見えるのですが、それはもともと真空管式O

TLが球に無理な動作を強いるからで、けっし

て球の所為ではないのです。

 今回のセットは6AS7Gが安定して動作することを確認し活用する為の試作器なのですが、

本来がグリッド電流の流れやすい球でもあるので、その対策を中心に検討していきたいと思いま

す。まず6AS7Gが非常に高いドライブ電圧を要求するので、ドライブ段のB電圧は400V

以上が必要です。また今回は性能重視ではなく上記のような目的の試作器なので、なるべく簡単

にしたいと思い、出力段も同じ電圧で済むような回路にしました。すなわち200V動作の6A

S7Gを単一電源のSEPPとして400V動作にしたものです。

 ところで安定した動作を得るためには、グリッドリーク抵抗を下げてセルフバイアスにするの

が最善です。もともと6AS7Gは100オーム以上のカソード抵抗を入れるように指定されて

いますし、今までのOPT付きの6AS7Gの製作例は、ほとんどがセルフバイアスです。しか

し本機の場合は電源電圧が不足しセルフバイアスは採用できません。そこで考えたのが固定バイ

アスとセルフバイアスの折衷案です。B電圧の許す範囲でカソードに抵抗を入れて足りない電圧

は固定バイアスで補うというものです。この考え方は以前からあり、たしか「10分の1セルフ

バイアス?」とか言って、(以前どこかで解説されていたのですが、記憶で話をしているので名

称は違うかも知れません)ある球で固定バイアスでは低いグリッドリーク抵抗が指定されていて

も、セルフバイアスではその数倍の抵抗値が許されている場合、セルフバイアスの10分の1の

値のカソード抵抗を入れれば、高いグリッドリーク抵抗でも良いというものです。またカソード

抵抗にパスコンを入れていますが、本当は入れない方が安定度は増します。しかし今度は抵抗に

よるロスが無視できなくなるのであえて入れました。グリッドリーク抵抗もドライブ段のプレー

ト抵抗との兼ね合いで、このくらいが限界です。



 さて6AS7GPPの出力は本来ならば10Wは出せるのですが、本機の場合はいま少し下回

るようです。それはまた打ち消しの話になるのですが、上側の球をフルスイング出来ないからで

SEPPの上側の球には通常のドライブ電圧に出力電圧分を上乗せして、送り込まなければなら

ないのです。本機のように負荷インピーダンスが400ohmもあると、10W時の出力電圧は60Vにも

なってしまいます。もともとは片側 30Vもあればいいのですから、これをドライブするのはかな

り困難な作業です。そこで本機では打ち消し電圧を多めにして、更に位相反転段上側のプレート

負荷も高くして(普通は下を高くする)これをドライブするようにしています。この方法は、長

真弓先生がMJ誌95年6月号の50C−A10SEPPアンプで採用した方法や、古くは武末

数馬先生発表の6080中RL用OTL回路も参考としたのですが、ドライブ段のB電圧が低く

また負荷インピーダンスがそれより高い事もあって、特性的にはあまりふるわないようです。

 これらの解決法として最適なのはドライブトランスを入れることで、上下均等にドライブ出来

るので、打ち消しも必要なくなります。事実OPT付SEPPの今までの製作例は、そのほとん

どがトランスドライブでした。もう一つの方法は金田明彦先生が発表した半導体を使っての直結

ドライブとすることです。ただ本機ではDC回路の終段にトランスが入ってしまうので、あまり

意味のないセットになってしまいます。


 もう一つの制作意図は

※ オーディオを趣味としていると、どうしても高性能ブランドの高級品に憧れますが、それら

は大変高価で、私などがおいそれと手の出せる物ではありません。そこで反対に「どこまで予算

を切りつめてもオーディオは楽しめるか?」といったような事に興味が湧いたりします。例えば

真空管アンプの球やトランス等に安物を使ったらどうなるでしょうか、(OTLは前章のように

なかなか手軽には作れません)球の場合、今回の6AS7などは千円前後で入手できますので、

有り難いぐらいに安いです。しかしトランスの価格と性能は、残念ながら順当に正比例します。

ところが一つだけ希望があって、それは本機のような使い方をする場合です。本機ではOPTに

直流を流さずPPの合成もしないので、OPTは単なるインピーダンス変換器としてだけ動作し

ます。ですから安物のOPTでも結構、音が良いのです。極端な話、電源トランスでも物によっ

ては意外にまともな音が出たりします。(PA用ぐらいなら使えそう?)一方で高級なOPTを

使えば、よりいっそう音質のレベルアップが計れます。先に述べたトランスドライブのOPT付

SEPPなどは何例か発表されましたが、まさにそれを狙ったセットだと言えます。本機の場合

はOPTがかなり古い物だったので、SEPPの問題点も含めて以上のような事を同時に試して

みたかったのです。まだ詳細な特性は取っていないのですが、寄せ集めで組んだにしてはなかな

か使えるという印象です。



目次へ →