QuadU型 12BY7APP






 前回のチョロQアンプは試作機的な出来

だったので、今回はデザイン重視の常用機

として作ろうと思ったのですが、出力管に

前回とは性格の違う球を選んだ為に、また

も試作機的セットになってしまいました。

というのも、今回採用した12BY7Aは

頑張っても5W程度しか取り出せないのに

価格は2千円位していて、新規購入してま

で出力管にする球ではないからです。

 このように、手持ちでもなければ出力管としては今一つ魅力に乏しい12BY7Aを選んだのは、無名

の安い球でもチョロQトランスに適した球が多くあるのに、中にはgmが高くて6AQ5の定数のままで

は応用できない球もあるので、そんな球の代表として12BY7Aを取りあげ、チョロQトランスと組合

わせて魅力的なセットが出来ないかと考えたのです。

 Ayumiさんの解説によると、QUADU回路ではオーバーオールのNF量が変化すると上下のACバラ

ンスも変わるので、gmの高い球を使う時にはその分の利得をほかで調節するか、前段のACバランスを

改めて取り直す必要があります。ところが、このACバランスを取るのは意外と難しいようで過去MJ誌

に掲載された名だたる先生方のQUADUに関する解説は、そのほとんどが見当外れという有様でした。

そこで利得を調節する事で以前のNF量を維持しようと考えたのですが、とりあえず自己帰還が掛かるよ

うにカソードのパスコンを無くし、また前段のプレート負荷抵抗を変えて利得の違いを補おうと試してみ

たところ、出力管の感度の違いは大半がKNFに吸収され、前段の利得を落とした分だけ全体の利得も下

がってしまったのです。それならと再度修正して一週間ほど聴いていたら、出力管の一本が暴走したので

動作安定の為にカソード抵抗を上下別々にしました。すると、上記の自己帰還がしっかり効くようになり

KNFが減少したので、それに合わせて前段の利得を上げ、また上下のACバランスを取り直しました。

という事で、いつものように二転三転したのですが最終的には以下のようになりました。



製作のポイントとしては

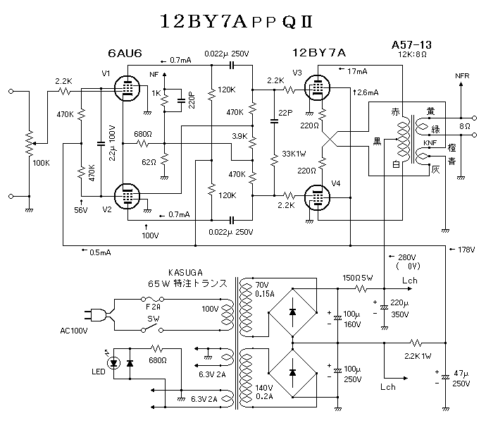
 見た目のバランスから、電源トランスはなるべく小型にしたくて春日無線に特注したのですが、既製品

ならば野口のPMC-190Mが良いと思います。12BY7Aはプレート電圧とSG電圧に100V近い差が

あるので、これを抵抗だけで落とすのは無理で、野口トランスを使った場合でも高圧低圧別々に整流して

各々の電圧を取り出す方が良いです。また低圧側は整流ダイオードの直後に数十オームの抵抗を入れると

効果的に電圧を落とす事が出来ます。OPTケースはARITOさんから分けて頂いたバタ角の輪切りで

上部をブリキでハンダ付けし、さらに角を丸めた木の板でフタをしたものです。中のトランスの取り付け

はARITOさん特製の金具を使ったのですが、ご覧のように見栄え良く固定する事が出来ました。


 諸 特 性

 当初は出力5Wを目指した 

のですが、出力管が本来はテ 

レビの映像増幅管の為か、定 

格目一杯の動作は苦手のよう 

です。というのも調整途中で 

何度か暴走してしまったので 

動作に余裕を持たせました。 


無歪出力4.5W THD 3.2%

NFB 約12.8dB + KNF

KNF 約5.1dB

DF=6.7 on-off法1kHz 1V

利得 23.1dB(14.2倍) 1kHz

残留ノイズ 0.62mV



 次は方形波応答での波形の変化で、補正無しで大きなリギングが見られるのは、前段の高域カットオフ

が上がった事もありますが、やはり出力管が神経質なのかも知れません。調整途中で出力管のカソードパ

スコンの有無での特性を違いを見ようとしたら、バスコンを入れた時に100kHz付近で発振してしまいまし

た。また補正無しの負荷開放ではさらに大きく暴れるので高域補正を掛けたのですが、これ以上掛けると

音質に影響しそうなので、このくらいが上限ではないかと思います。




 さらに周波数特性ですが、これだけを見るとほぼフラットで補正など必要ないように思えます。しかし

オシロの波形は暴れているので、どこか小さなピークを見逃しているのかも知れません。補正後の高域特

性は60kHz/−3dBとなっていて、音質的にはもう少し軽い補正でも良いと思うのですが、球によ

るバラツキもあるようなので、手堅く仕上げる事にしました。ただ個人的には、時間を掛けて様子を見な

がら、もう少し減らすようにしたいと考えています。



 雑  感

 チョロQトランスに合いそうな球は、これ以外にも6CL6、12GN7、6AN5、6686/E8

1L、6227/E80L、EL95/6DL5、C3g、5A6、EL32/VT52(五極管)等々

色々ありますが、EL95のように6AQ5Aと同程度の感度の球ならほぼ前回の回路で使えます。また

6CL6や12GN7などのgmの高い球でも、今回のようにカソード抵抗を上下別々とし、パスコンを

外す事で問題なく使えると思います。また、せっかくのベテラン諸兄のアドバイスにも関わらず高域補正

を多めにしたのも、これら神経質な球を使った場合を想定したもので、組んでみて安定しているようなら

カットアンドトライで減らしていけば良いでしょう。いずれにしても今回の12BY7Aが何とか料理で

きた事で、チョロQトランスの可能性がまた一つ広がったのではないかと思います。




 OPTを 改2型 に変更

 今回ARITOさんお手製の改良版チョロQトランスを分けて頂きましたので、本機に換装して特性を

採ってみました。

 まずは方形波応答で、補正無しではオーバーシュートが大きく、リギングも尾を引いています。負荷を

解放にすると更に尖がりますが、発振には至らないようです。



 諸先輩方の意見では、積分補正を掛けると音質への影響が大きいとの事なので、当初は微分補正だけに

しようと思ったのですが、容量を大きくしてもオーバーシュートが収まりませんでした。



 そこで10Pだけ積分補正を掛けて見たところ、かなり整った波形になりました。まだ少し尖がってい

ますが、負荷解放でも安定しています。



 周波数特性としては、補正無しの場合の高域の盛り上がり方など、染谷トランスの良品の特性に近いよ

うです。ただ90k付近に小さなディップがありますが、方形波応答でも最終的に整った波形になりまし

たし、さほどの影響は無いようです。この周波数特性を見ると、B補正でも100kHz/−3dBまで

伸びているので、この680p+10pの補正で良さそうです。





 現状では

 当初はこの改良版OPTでの特性を採ったら、また元のOPTに戻そうと思っていたのですが、前章の

6AQ5PPアンプと違って、この12BY7PPではOPTの特性の違いがアンプの特性に大きく影響

するようなので、このまま改良版OPTを実装する事にしました。本機では、裸利得を調節する為に初段

の負荷抵抗値を下げたのですが、これにより初段の高域カットオフが上昇し並品OPTではスタッガ比が

十分に取れなくなったのかも知れません。この辺りを見直せば、並品OPTでも改良版と変わらない特性

が得られると思うのですが、QUアンプでは何処か一箇所でも変更すると、全体のバランスが崩れて全て

の定数を見直さなければならないのです。という訳で、スタッガ比の見直しは諸先輩方の実験を待つ事に

したいなあと思っています。