ガイガーカウンターの製作・ハードウエア編 (2011/05/25〜2011/06/24)

(Last update:2012/01/13)


採用した GM管は Philips の 18504。
小型に仕上げられそうだ。
組み上げ直後の状態。

パルス検出部がインダクタに近すぎ、
スイッチングノイズを拾いまくって
誤カウントが多発(爆)
パルス検出部をインダクタから
遠くに離して解決
実装全景

超高輝度 Flux LED で屋外での
視認性もバッチリ ^^
最終実装基板表

秋月の「C基板」に実装
基板裏。

事前にレイアウトを検討しなかったため
配線がゴチャゴチャに(逝)
最も基本となる 8 x 2 LCD で
実装した場合の表示例
秋月・青 LCD バージョンも可。

(ただし視認性面で屋外使用には向かない)
電源は 350mA/h のリチウムイオン電池。
専用 IC で充電も簡単。

固定はお手軽なホットボンドで(汗)
ケーシング後

少し厚みはあるが十分胸ポケットに入る大きさ

α線やβ線はほとんどがケースで遮蔽
されるため、事実上γ線測定用となる。
電源スイッチと充電用 USB コネクタは側面。

スイッチは LED 入りで充電インジケーターになる
ファーム Ver 6.50 以降対策として
外部プルアップ抵抗を追加したところ。

5 素子入り集合抵抗(赤い部品)が便利
高圧回路の実装例

左:ノイズが抑え込めた成功品
右:ノイズが取れなかった失敗例

ユニバーサル基板での実装は注意が必要
回路図 DANJIRO様の追製作品
その製作過程

内部まで綺麗に実装されていて
見ていてワクワクしました @o@

作品コンセプト:

 ・屋外使用を想定(LCD の視認性重要)
 ・小型 (ポケッタブル)
 ・当然電池駆動
 ・なるべくシンプルな構成で
 ・入手性の良い部品を使う

 GPS まで対応したものとしては、市販キットやネット上の他作品と比べても部品数が格段に少なくて済むのがウリ。


ソフトウエア:

 詳細はこちら


回路説明、設計時の考慮点等:

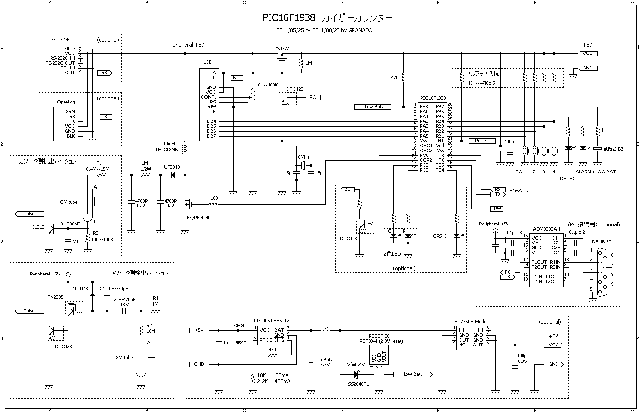
【 GM 管用高圧発生部】

 ガイガーカウンターは GM管に高圧を供給し、発生したパルスをカウントするだけという至極簡単な仕組み。ただしこの高圧発生部がクセモノで、普通のテスターやオシロプローブでは電圧が降下して正確な電圧が測れない。ちゃんと測定するには 1GΩクラスの抵抗が必要になるので、高圧回路をゼロから設計するには案外前準備が面倒だったり。

 そこで先人の知恵を探してみると、使い捨てカメラからストロボ用高圧発生回路(やトランス)を抜き出して流用する方法、ダイオードとコンデンサを使った n倍電圧回路、秋月インバーター基板の流用、といった方法が発見できた。ただしこれらは基本的に電圧固定であり、GM 管毎に調整しなおす必要があった。

 しかしe電子工房さんに、まさにマイコン用にうってつけの高圧発生回路を発見。この回路は昇圧 DC/DC コンバーターに供給する PWM のデューティーを変えることで電圧を簡単に変更できる優れモノで、早速この回路で製作を開始することにした。(e電子工房さんに本当に感謝。この情報が無かったらこんなに簡単に高圧発生部が作れなかったただろう)

 もちろん、高圧発生部〜パルス検出回路は別のものを使用しても構わない(当然、PIC から電圧変更はできなくなるが)。要はダウンパルスを PIC の外部割込み端子に接続すればよいだけなので、例えば高カウント測定を想定して高電圧供給力に余裕のある秋月インバーター基板を用いる、なんてのもアリ。


【 GM 管】

 本回路で SBM20、LND712、CI-1G、SI-3BG、CTC-6、D3372、J306β、J308βγ での動作を確認している。ソフトウエア編でも書いたが、プラトー電圧が 400V 〜 900V のものなら大抵の GM 管が使えるはず。(もっとも 900V は FET の耐圧ギリギリなので別途高圧発生回路を用意するほうが無難)

 今回は Philips 18504 なるマイカ窓型 GM 管をヤフオクで入手。データシート上のパルスの取り出し方や定数は LND712 とほとんど同じで、アノード抵抗 1MΩ + 10MΩ、アノード側からコンデンサを介してダウンパルスを取るよう記載がある。

 今回の製作例では部品点数を減らせるカソード側検出にしているが、ノイズ対策面ではアノード側からダウンパルスを取るほうが有利なため、基本的にはどの GM 管でもアノード側検出をオススメしておく(ここらへんは後述の「高圧発生回路のノイズ対策」も御参照)。

 なお放射線検出時の信号は、カソード側検出ではアップパルス、アノード側検出ではダウンパルスになるが、回路図のようにしておけばどちらでも PIC にはダウンパルス入力となり、同じソフトウエアが使える。


【 LCD 】

 今回は屋外での使用を想定し、バックライト無しの 8 文字 x 2 行の薄型 LCD を使用(型番 PC0802C-YNRD-0)。

 8 x 2 LCD は秋月、共立、aitendo で入手可能だが、HD44780 コンパチなら 16 x 2 や 20 x 4 LCD も接続可。データの一覧性では 20 x 4 が圧倒的に便利だが 8 x 2 でも十分実用になる。

 なお屋外測定をするつもりなら常時バックライト点灯型 LCD は避けた方が無難(視認性と消費電力の面で不向き。室内での見た目は派手で綺麗なんだけど・・)。


【 PIC まわり】

 要はパルスをカウントするだけなので、GM 管のパルスをトランジスタで受けて PIC の外部割込み端子に入力。

 パルス検出用 2SC1213(2SC1815 で代替可)の出力が波形整形されずに PIC に直に入力されているが、これはもともとこのポートがシュミットトリガ入力になっているため。スイッチ入力のポートも内部プルアップに設定したためかなり部品点数を削減できた(が、後述の通り若干ノイズに弱い。最終実装時の配線取り回しには注意)。(2011/12/02 追記:ファームウエア Ver 6.50 より外部プルアップ仕様に変更)

 次に PIC のパスコンについて。GPS を繋がない場合は定石どおり 0.1μF 程度でも問題無いのだが、GPS 接続アリで製作する場合はパスコンを 10μ〜100μF と大容量にしておいた方が安心(実際、管理人もこの方法でトラブルを解決)。


【クロック源】

 基本的にはクリスタル推奨だが、RS-232C 入出力を使わないならコンデンサ内蔵型のセラミック発振子で十分。


【電源回り】

 今回は 350mA/h のリチウムイオン電池を使用。USB コネクタから 5V を取り、充電用 IC LTC4054 ES5-4.2 で充電するお手軽仕様。充電電流は安全をみて 100mA とした。

 電池からの出力は HT7750A を使用した秋月の昇圧型 DC/DC コンバーターモジュールで 5V に昇圧して電源を供給している。

 なお GPS を接続する場合は、こちらこちらのようなソコソコ大容量のリチウムイオン電池(もしくは単三電池)が必要。


【電源スイッチ】

 SW4 の長押しを電源 ON/OFF に割り当ててあるが、

 ・OpenLog を接続しない
 ・低電圧時の自動電源 OFF が不要
 ・総累積線量の保存が不要

 という場合は回路図通りにハードウエアスイッチを設けた方が電池の節約になる。

 またこの場合はソフトウエアスイッチを構成する 2SJ377 や DTC123 は不要。電源と Peripheral 5V を直結してしまえばよい。


【低電圧検出〜自動電源 OFF】

 オープンドレインのリセット IC を接続すると低電圧時にワーニングを一定時間表示した後、自動的に電源をシャットダウンしてくれる(詳細はソフトウエア編参照)。

 手持ちに 3.3V 検出品がなかったので、検出電圧 2.9V のミツミ PST994I の入力に SS2040FL (SBD) をかませて Vf(順電圧降下) 0.4V のゲタを履かせ、3.3V 検出とした。


【トランジスタ、FET】

 FQPF3N90 だけは高耐圧(900V)が必要なため代替できないが、他のトランジスタ、デジタルトランジスタや 2SJ377 は汎用品で代替可能。手持ちの部品を活用すれば OK。(2011/10 より DTC123 が在庫限り品として秋月でも買えるようになった模様)

 PNP 型のデジトラは、手に入らなければ A1015 にベース抵抗 (1K〜10KΩ)と BE間抵抗(10K〜22KΩ)で代用すれば良い。


【プルアップ抵抗】

 Ver 6.50 以前のファームウエアでは PIC を内部プルアップ(Weak pull up)に設定して部品数を減らしていた。管理人の製作品(計 5機)では内部プルアップでも問題ないのだが、追製作される方も増えてきていることから、今後の不安要因を取り除くためファームウエア Ver 6.75 から外部プルアップ仕様に変更することにした。

 プルアップの抵抗値は 47KΩ で十分と思うが、ケーシング後どうしてもノイズが乗る(スイッチを押してもいないのに勝手に反応する or スイッチ操作ができない)ようなら 10K 程度まで下げる、実装レイアウトを工夫してスイッチへの配線距離を短くする、ノイズ源(高圧発生回路や DC/DC コンバーター)を避けてスイッチ配線する、といった工夫が必要。

 ちなみに PIC の VDD、パルス検出 (INT) 〜スイッチ入力 x 4 のピンは 20〜25 ピンと物理的に連続配置になっているので、5素子入りの集合抵抗を使うと実装に便利(写真参照)。


【各種 LED】

 放射線検出、アラーム、GPS データ正常取得の 3つの LED と、簡易表示用の2色 LED をサポート。最初の 3つの LED はフルカラー LED で1つにまとめてしまうのもアリ(製作例、ただし外付けトランジスタでドライブ信号の反転が必要)

 GPS 状態確認用 LED は主に 8 x 2 LCD で製作した場合用(製作例)。もともと GT-723F にはステータス LED が付いているので、GPS の状態はそちらで確認してもいいし、8 x 2 以外の LCD なら GPS の状態が LCD に表示されるので、特にこの LED は実装しなくても困らないだろう。


実装:

 「秋月 C 基板」に収めたので、写真の通りそこそこ小型に仕上がった。ケースはタカチの GHA7-3-9PB( W90 x D60 x H25 mm)を投入。胸ポケットに収まるサイズで、散歩しながら測定することもできる。

 消費電流は GPS 無しなら LED 非点灯状態で 6mA 程度(電源 3.3V 時)。写真のような小型のリチウムイオン電池でもかなり長持ちするはずだ。

 一方、GPS を接続するならそれなりの容量の電池が必要となる(実装参考例)。


高圧発生回路のノイズ対策:

 今回のガイガーカウンターの最大のポイントは高圧発生部。実際、高圧発生部の近くにパルス検出部を配置したところ、スイッチングノイズを拾って派手に誤カウントしてしまった。結局パルス検出部をノイズ源からなるべく遠くに配置することで解決(e電子工房さんのページにもそのように注意が書いてある)。

 また、高圧発生回路自体については、回路図に沿った部品レイアウト(=配線を余計に引き回さない)にすることでトラブルを減らせると思うが、ユニバーサル基板で製作するとどうしてもアースがいい加減になってノイズが乗りやすくなるので、必要に応じて配線・部品レイアウトを再検討する、アースラインにハンダを盛る、ちゃんとベタアースを取った基板をおこす、等の対策を取ることをオススメする。(追製作されたDANJIRO様の製作記事もご参照あれ)

 それでもなおノイズが取れないようなら、管理人の経験上、FQPF3N90 のソース〜 GND の距離をなるべく長くする(最短にするのではなくその逆)とか、FQPF3N90 のパッケージの近くに配線を通さない等、部品・配線レイアウトを根本的に考え直すなどしてノイズを鎮めるのが理想的。

 上記対策でもダメならパルス検出トランジスタの BE 間に 100pF 〜 330pF 程度のコンデンサ(回路図 C1、低電圧品でOK)を入れることで解決できる場合が多いが、パルス波形を訛らせてしまうので高カウント検出時に問題が出る可能性があり、オススメはしない。

 もちろん高圧発生回路〜パルス検出回路は本作品の回路にこだわる必要は無いわけで、実績のある高圧回路が手持ちにあるならそれを使うのもアリ。

 またノイズを拾いにくくする別アプローチとしてアノード側検出という手もある(参考サイト)。SBM20 や LND712 ならカソード側検出でも問題なく動くが、大型 GM 管の場合はアノード側検出にする方が無難。

 なお回路図中、高圧発生部の抵抗やコンデンサの値に幅を持たせてあるのはノイズ対策(とクエンチング対策)のため。特にユニバーサル基板を使って製作する場合は上記の通り配線レイアウトによって最適値が左右されることが多く、実際に回路を組み上げてから最適値を探る必要がある場合も無きにしもあらず(爆)。

 特にアノード側検出で製作する場合は、カップリングコンデンサ(22p〜470pF、高耐圧品)と抵抗 R2 は値の異なるものを複数用意しておくことをオススメする。管理人はカップリングコンデンサ = 50pF、R2 = 10MΩ(この組み合わせは LND712 のメーカー推奨値)で SBM20 や LND712 の動作を確認をしているが、実際に配線レイアウト次第では値を変更する必要があったり、最悪の場合はノイズ対策に失敗して作り直したりしている(逝)。なおアノード側検出版の R1 と R2 は、一見値が逆のようにも思えるが回路図通りで正しいので念のため。(R2 の値が十分に大きくないと GM 管の寿命が縮まる)

 また逆にノイズは出ないがカウントもしない、というトラブルもあり得る。GM 管に実際にかかる電圧は部品配置・配線の引き回し具合で若干上下する可能性があるので、GM 管を繋いでもカウントを開始しないようなら、配線ミスが無いことを十分に確認した上で設定電圧を 50V ほど上げてみよう。


その他のトラブルシューティング:

 FQPF3N90 のピンピッチは印加電圧に対して比較的狭く、思わぬリークを起こす可能性がある。管理人は半田付け後、ピン間をピンセットで引っかいて余計なフラックスを除去し、リークを予防している。

 また高圧発生回路に FET を使った一部の市販キットでは、

 ・低温では FET がうまくスイッチングせず高圧が出ない
 ・しかも FET が ON 状態でホールドし発熱していた

 との報告がある。本回路でも低温での使用が想定される場合は念のため電源ラインにポリスイッチを入れておくなどの安全対策が必要かもしれない。

 あと、一部の市販ガイガーカウンターでは基板にちゃんとした防湿処理が施されているそうである。管理人が製作した 5機は梅雨時でも動作は正常だったが、経時的にマイグレーションが進行して将来リークを起こすことも十分考えられる。個人でもプリント基板用防湿コーティング剤は安価・容易に入手できるので、ハードな使用環境が想定される場合には使ってみる価値はあるだろう。


活用方法:

 実際の測定ノウハウは測定編をご参照。


改良案など:

 16 x 2 LCD にし、スイッチを必要最小限にしてシンプルな操作性を重視した「貸し出し用お手軽版」に仕上げることもできる(製作例はこちら)。

 また LCD もスイッチも実装しない割り切った実装もできる(製作例はこちら)。

 さらには GPS とロガーを搭載した汚染マップ作成の最終兵器に仕上げることもできる(製作例はこちらこちら)。


今回学んだこと:

 ・ガイガー管の仕組みや扱い方全般
 ・高圧回路(高圧回路を扱う際の注意点、配線の取り回しなど)
 ・ハイインピーダンス回路のなだめ方(汗)


余談:

 そもそも PIC のような C-MOS IC は放射線に弱く、高線量下では誤動作するのではないか、という懸念がないでもない。実際、あえて PIC も AVR も使わず、カウンタ IC TC3052P を使った製作例があった。本作品では放射性セラミックを使って SBM20 で 3500 カウント程度までは誤動作しないことを確認しているが、より強烈な線源が手元にないためそれ以上の領域での動作は未確認である ^^;

 そういえば、管理人が子供の頃の函館亡命事件を思い出す。旧ソ連のベレンコ中尉が乗ってきた MIG-25 の電子機器が甚だ時代遅れの真空管仕様だったのだが、これは核戦争時の放射線対策である、とまことしやかに囁かれたのを思い出すなぁ。。。


最後に:

 茨城に住んでいて何が嬉しかったかと言えば、近所に直売所がたくさんあって、新鮮でおいしい食材が安く買えたこと。しかし原発事故以来、関東の食材は安心して食べられなくなってしまった。食い物の恨みは怖いぞ > 東電

 それにしても人の庭先に放射性物質を撒き散らしておきながら、知らん顔で電気料金を値上げしようなどトンでもない話である。少なくともホットスポットはキチンと除染をするか、さもなくば放射線量が事故前の状態に戻るまでは電気料金をタダにするのがスジだろう(100年はかかるだろうな・・)。

 もちろん、国も東電もそんな当たり前のことをするつもりはこれっぽっちも無いだろうから、せめて我々はガイガーカウンターで身の回りの放射線源を把握し、リスク低減に努めよう。(それにしてもいつから日本は法治国家から放置国家になったのだろう・・・)


謝辞:

 高圧発生回路はこちらを参考にさせていただきました。開発者様各位にお礼申し上げます。


 [電子工作のページへ]